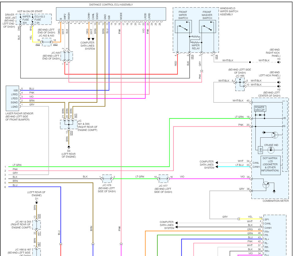
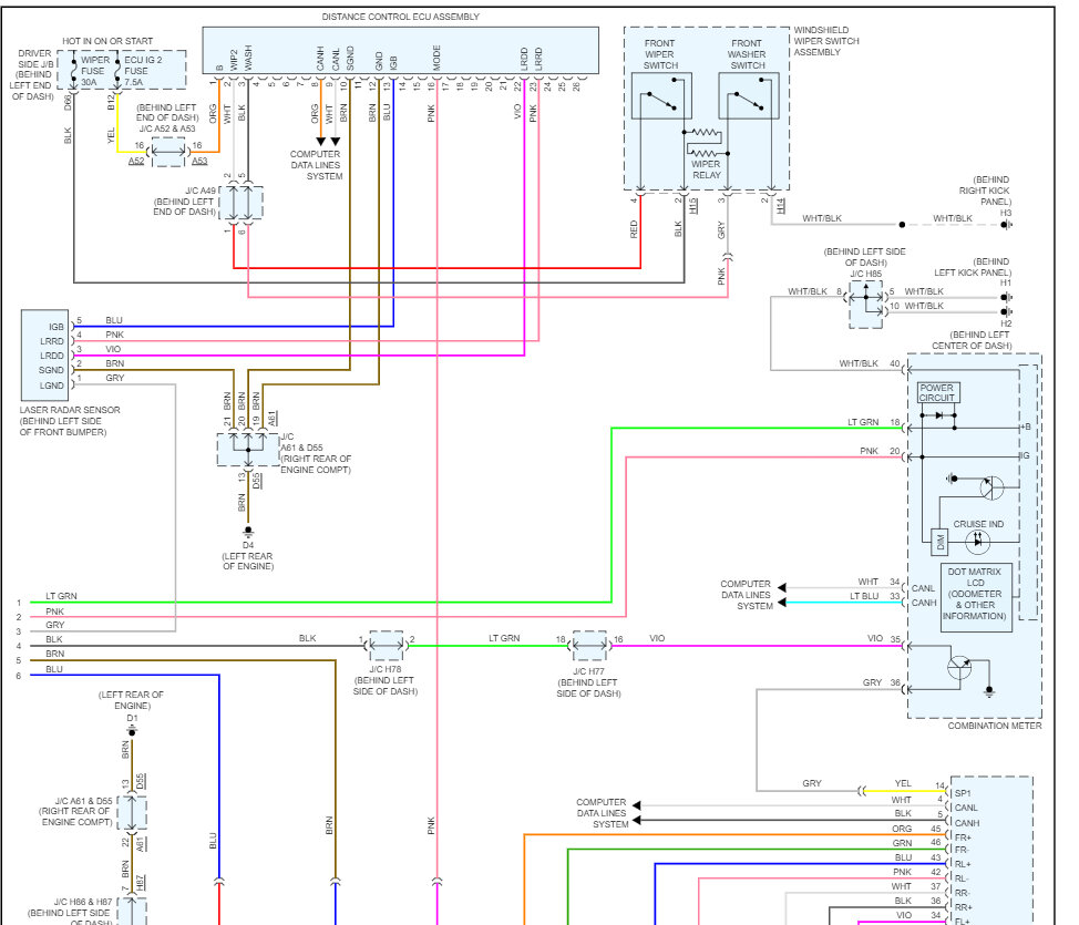
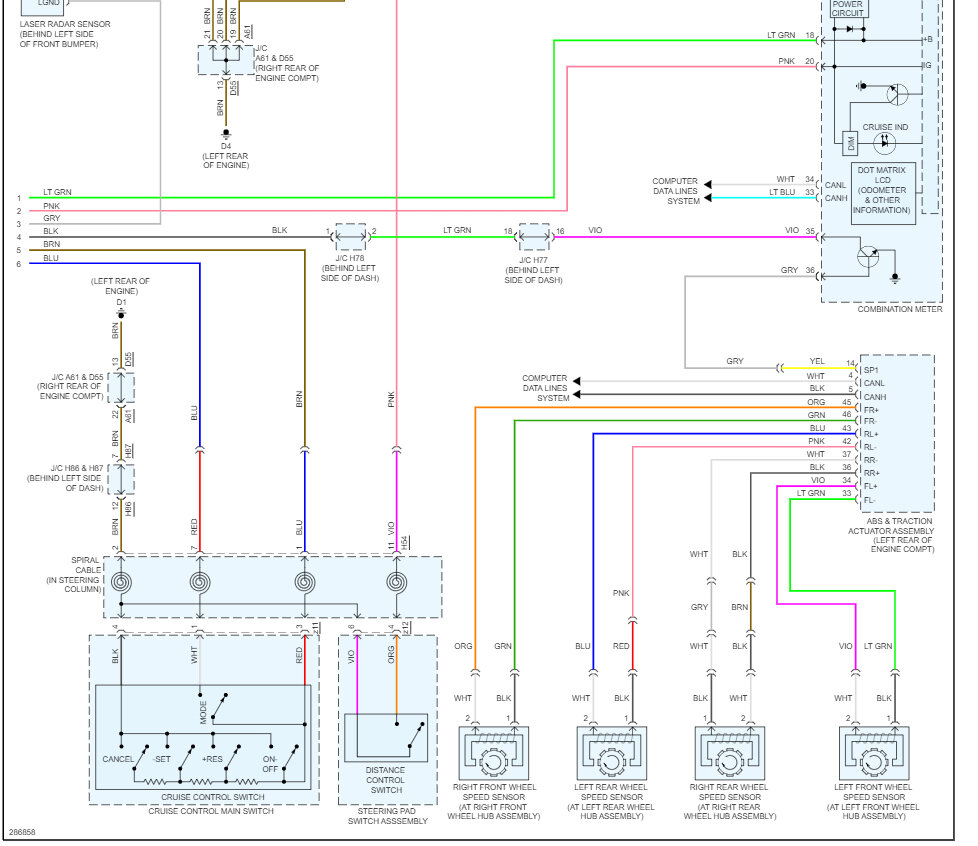
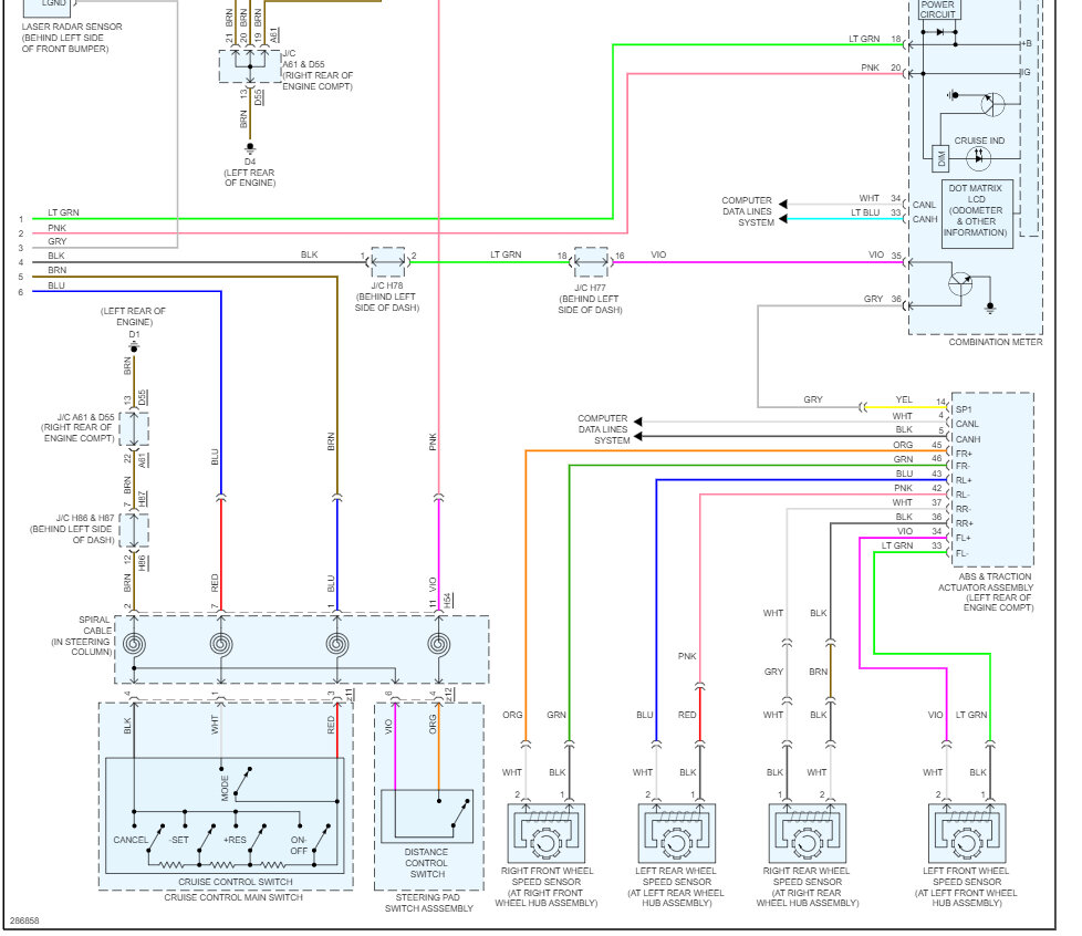
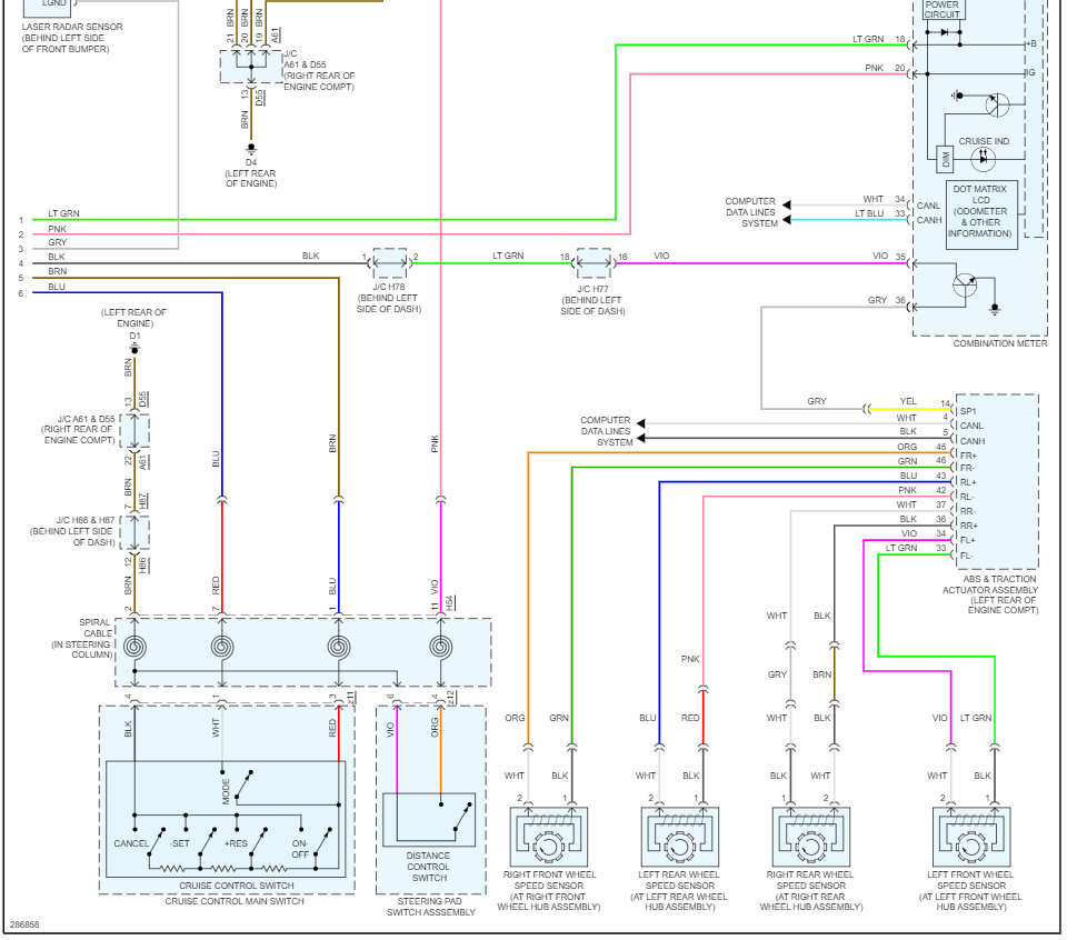
I have read this can be tied to a brake switch, but my brake aillights are all working just fine.
I recently purchased this car, it runs great, so I am not sure about the history of when this started. The previous owner didn't know either.
Got the vehicle for a steal so these "minor" issues didn't feel like a big enough deal to not bite.
Sunday, February 12th, 2023 AT 9:33 AM








