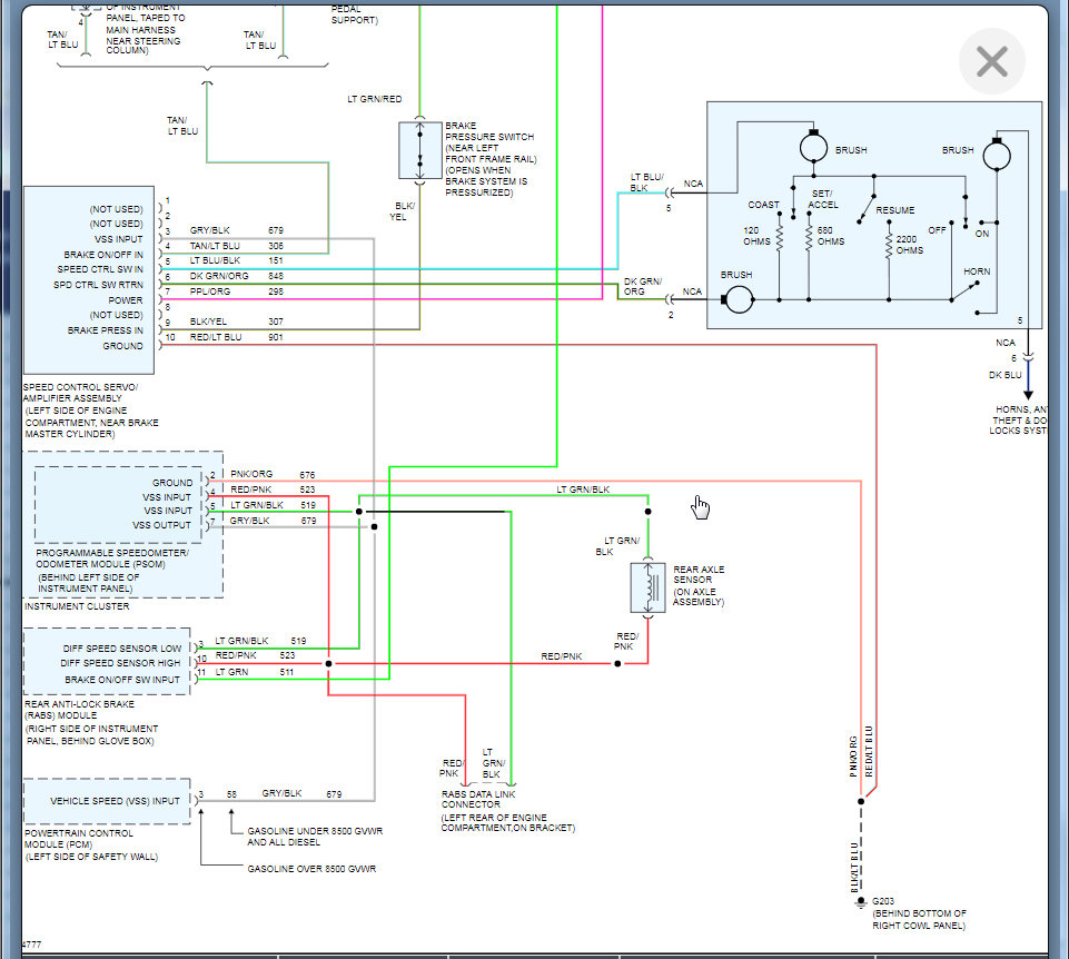
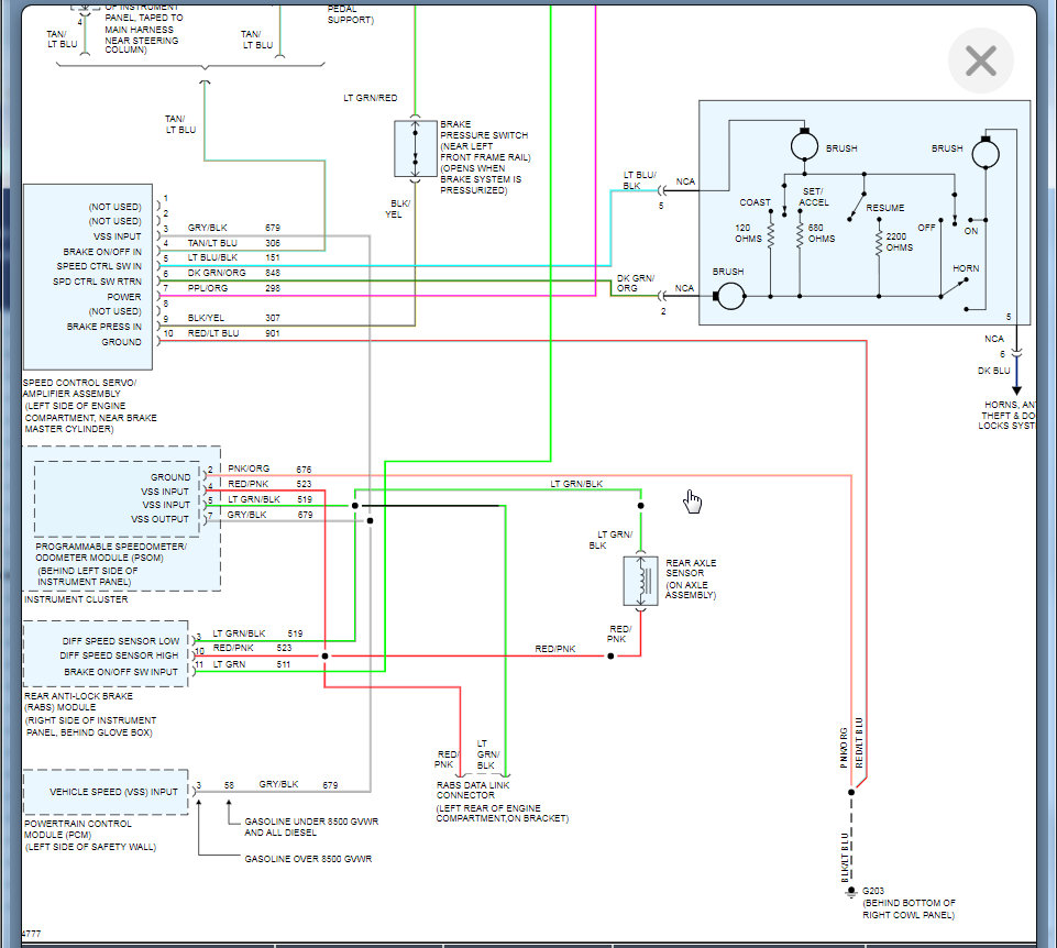
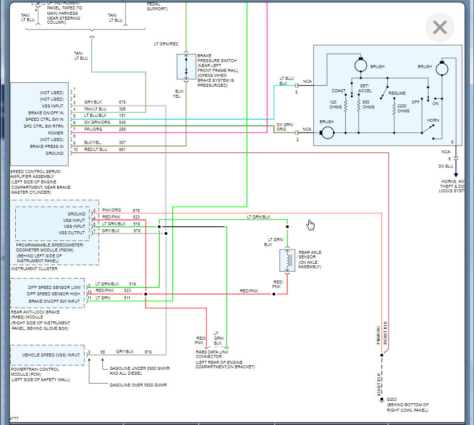
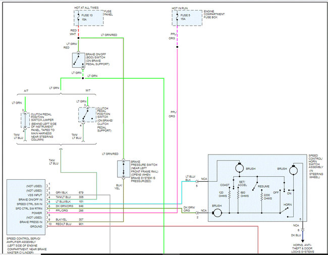
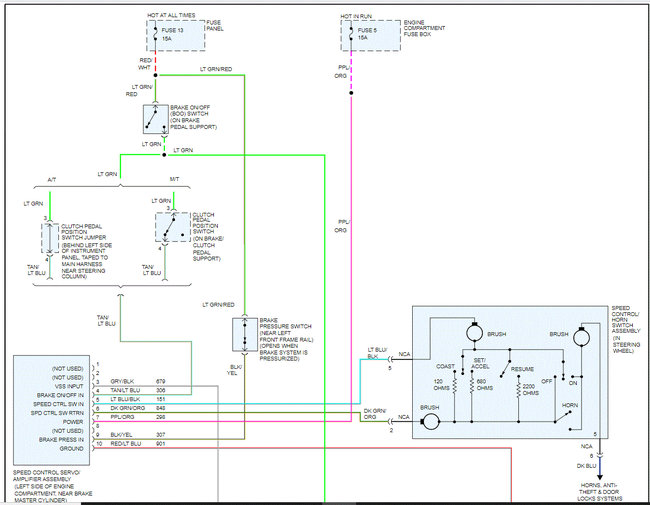
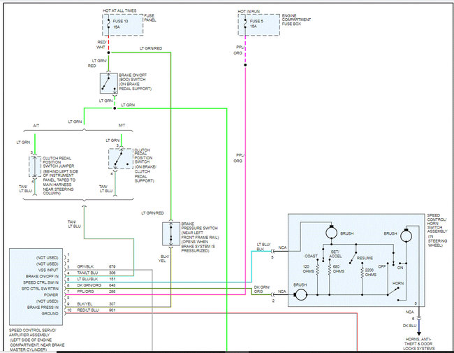
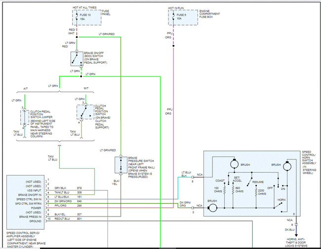
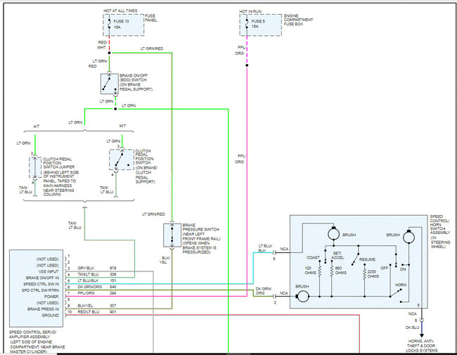
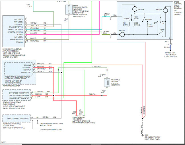
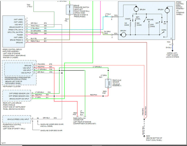
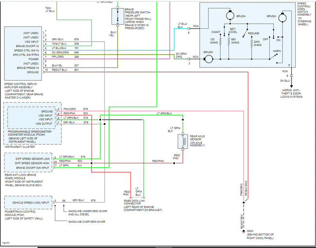
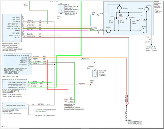
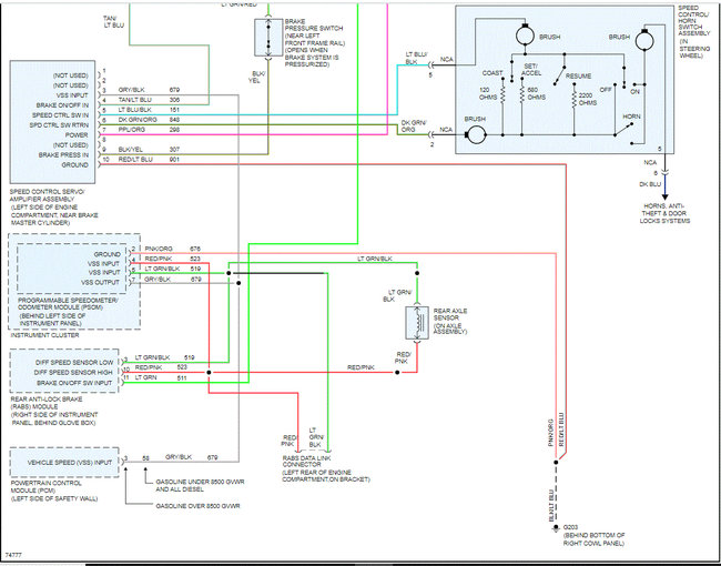
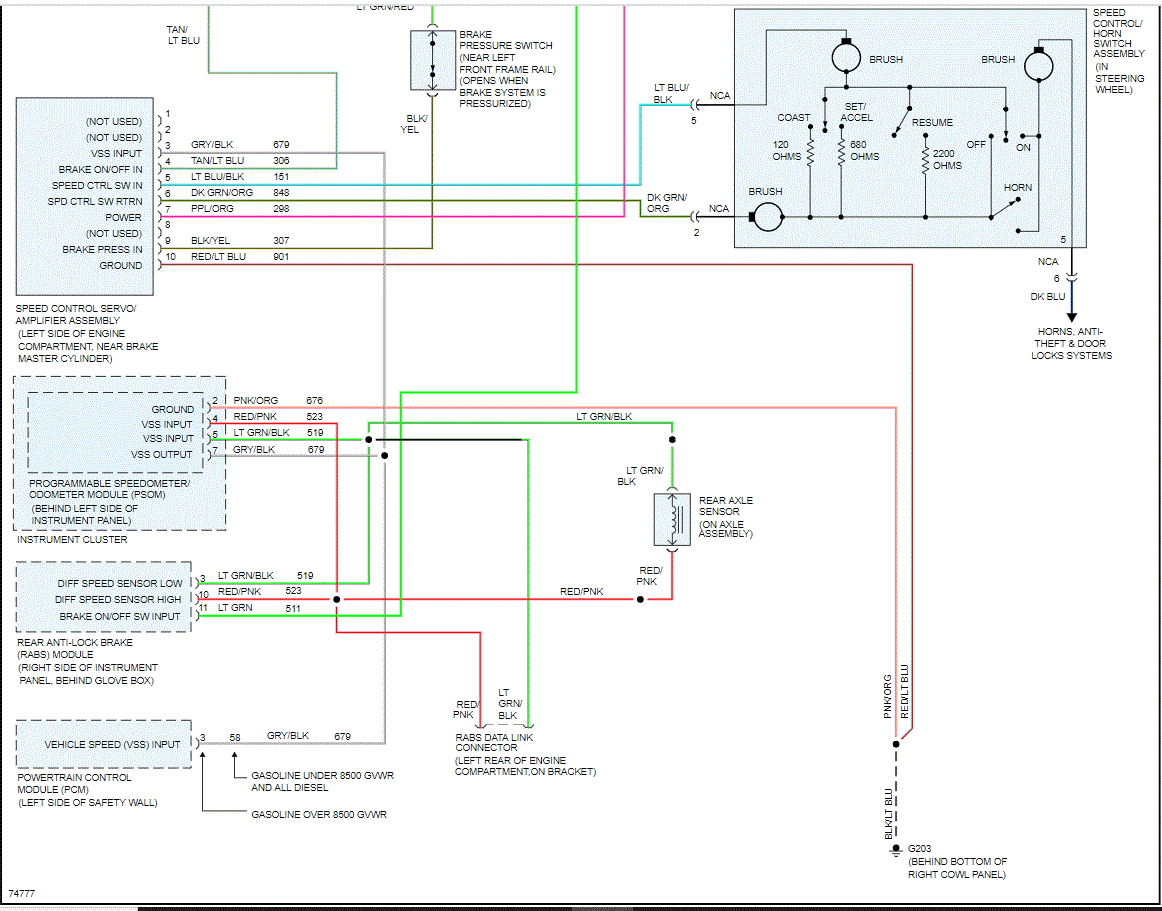
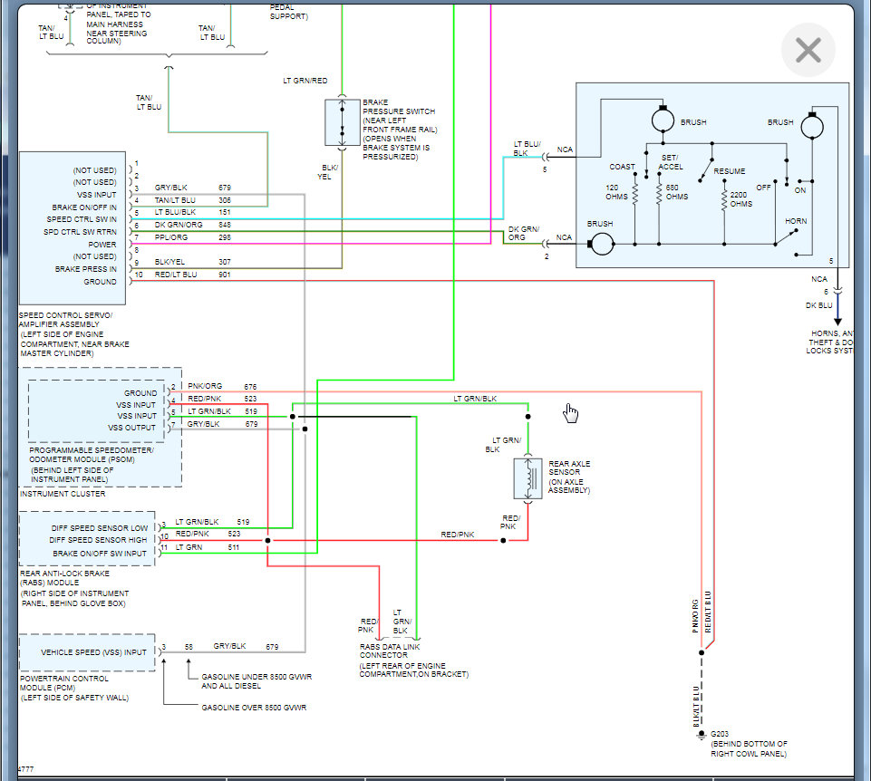
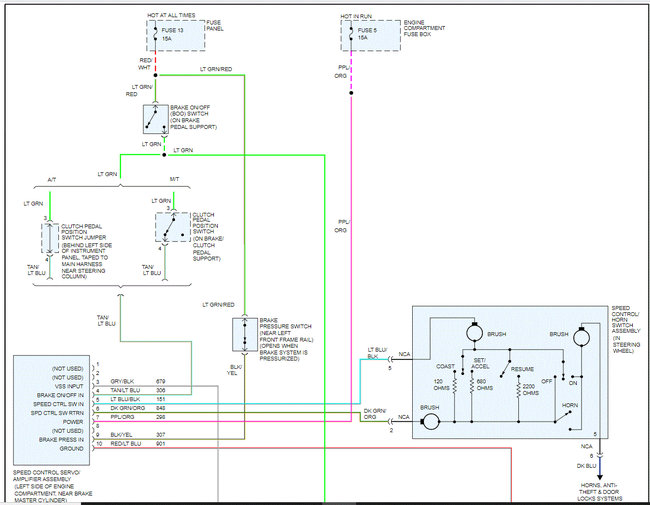
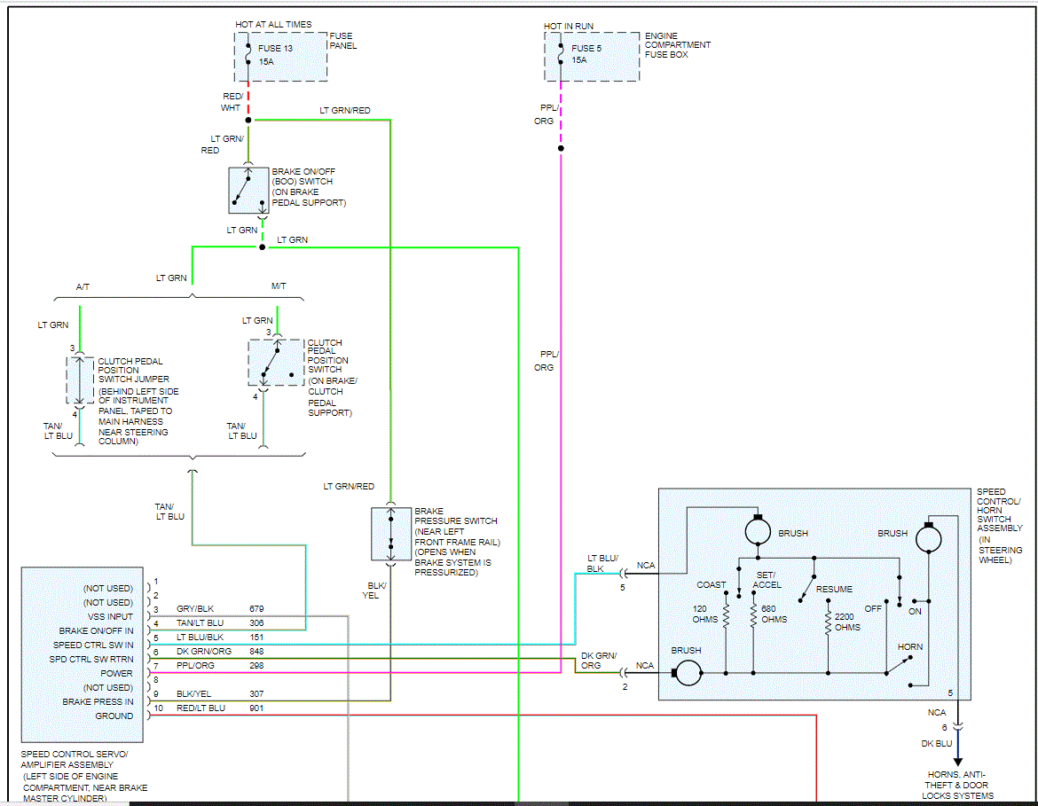
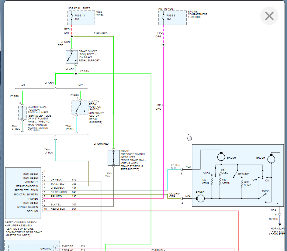
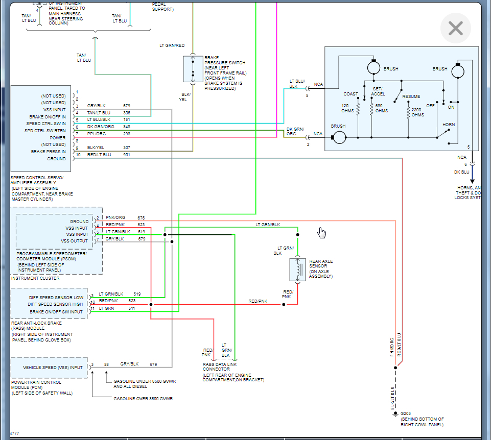
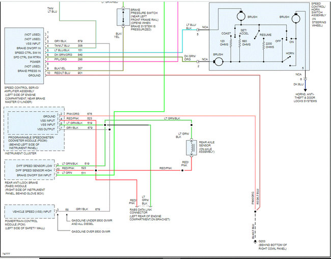
Tuesday, May 25th, 2021 AT 5:59 PM
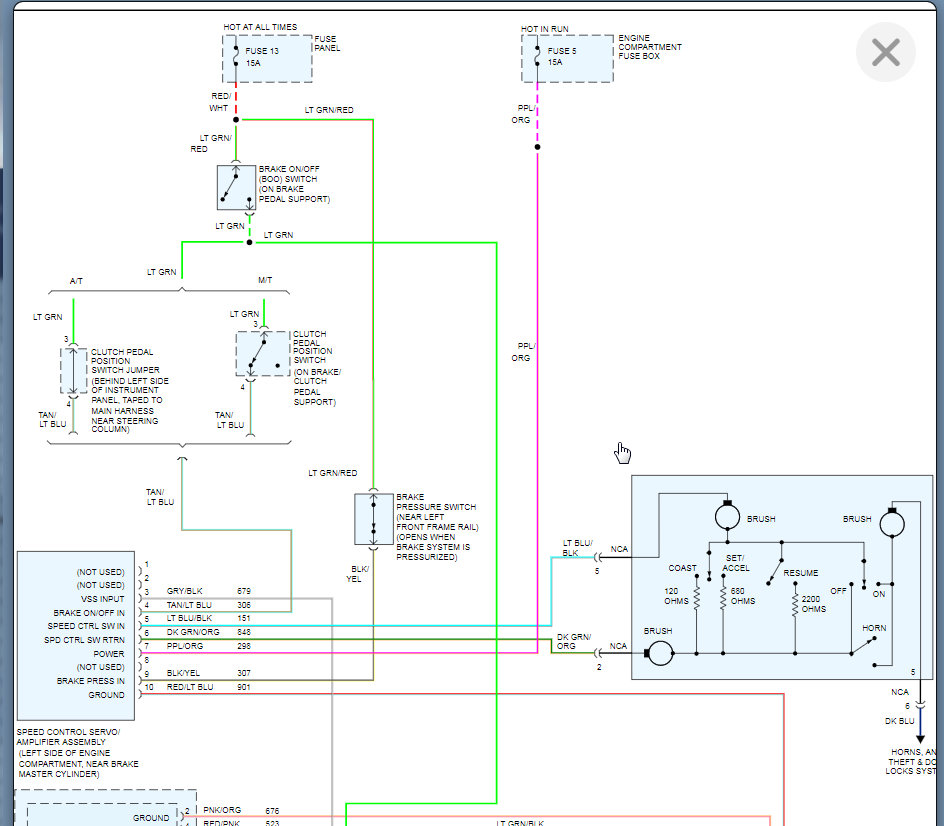
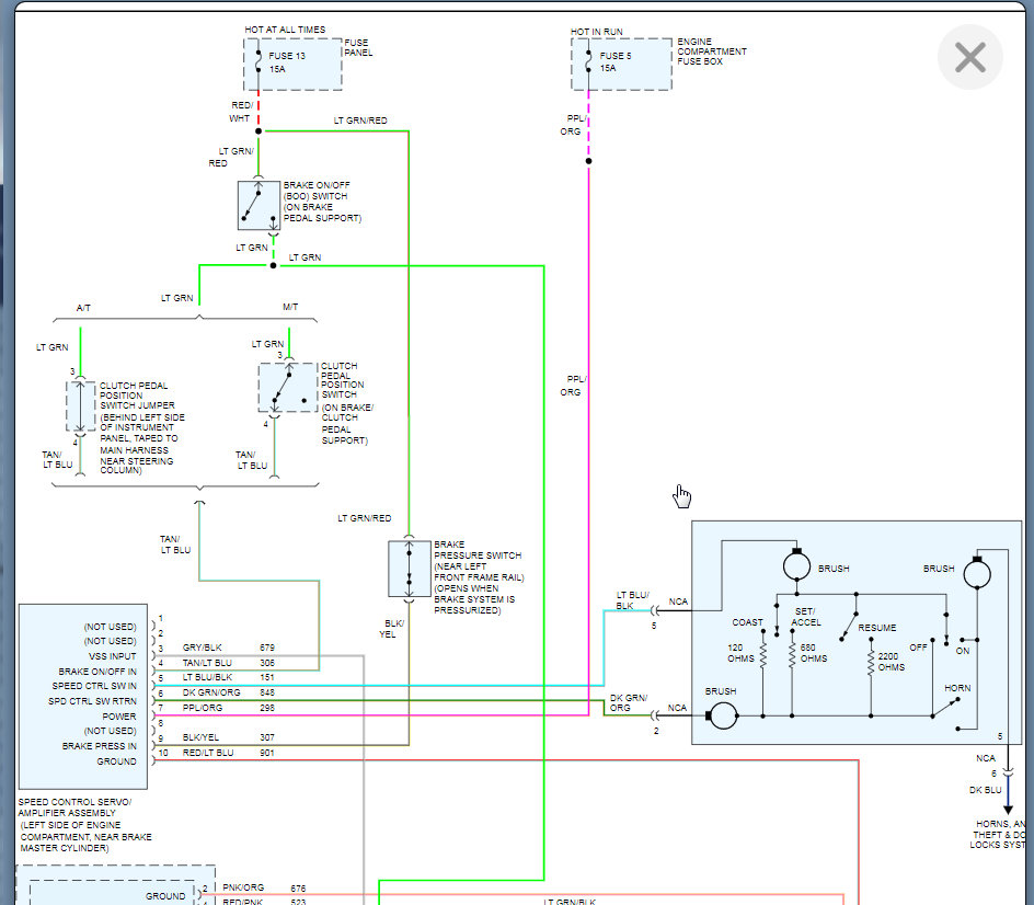
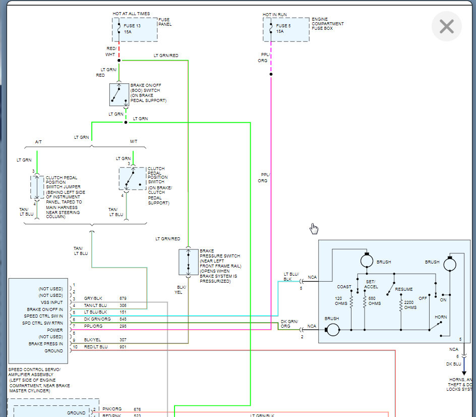
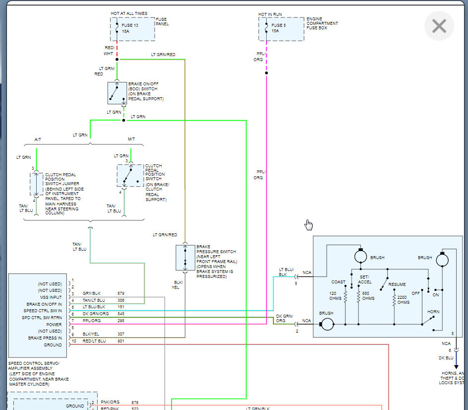
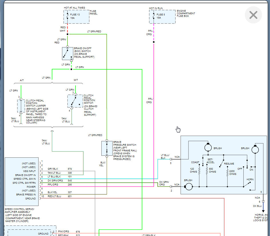
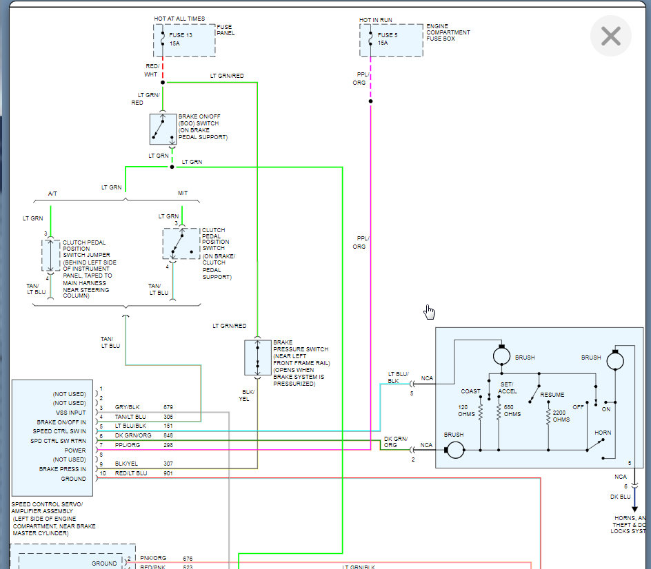
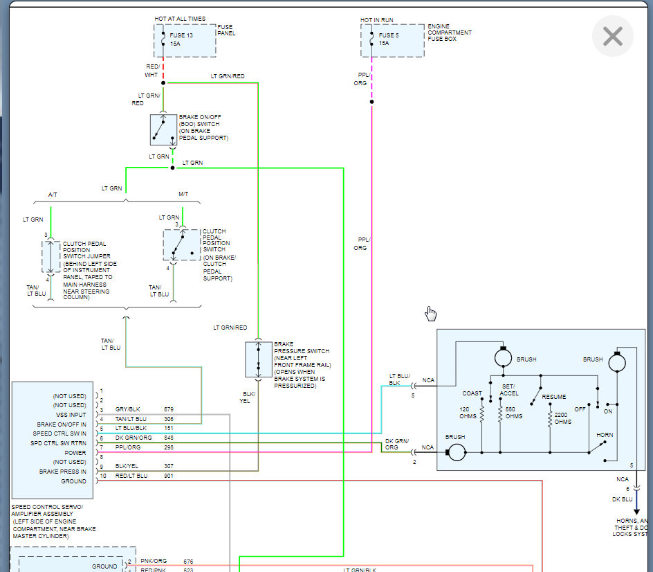
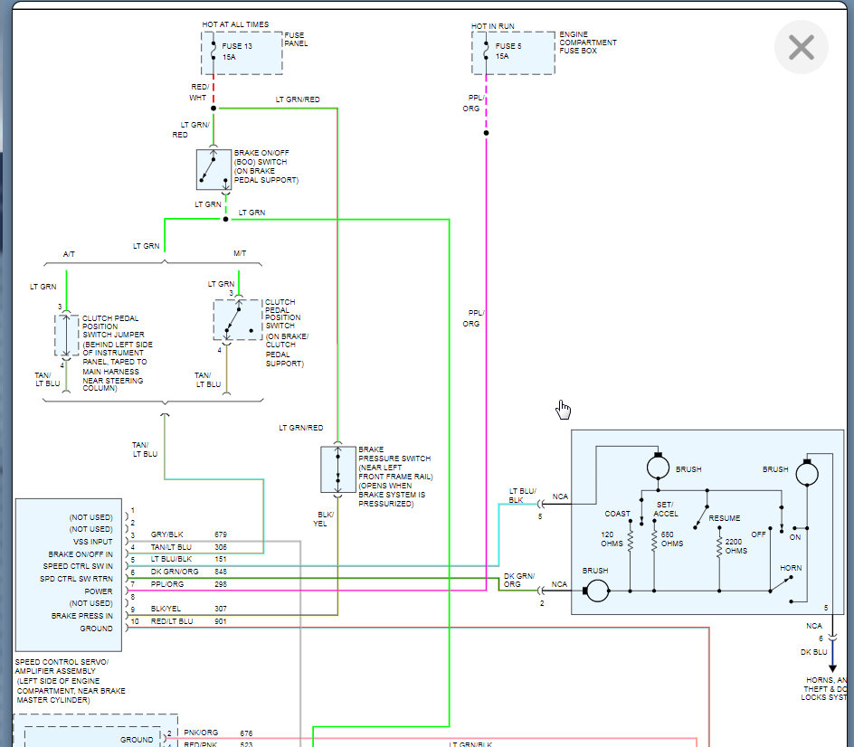
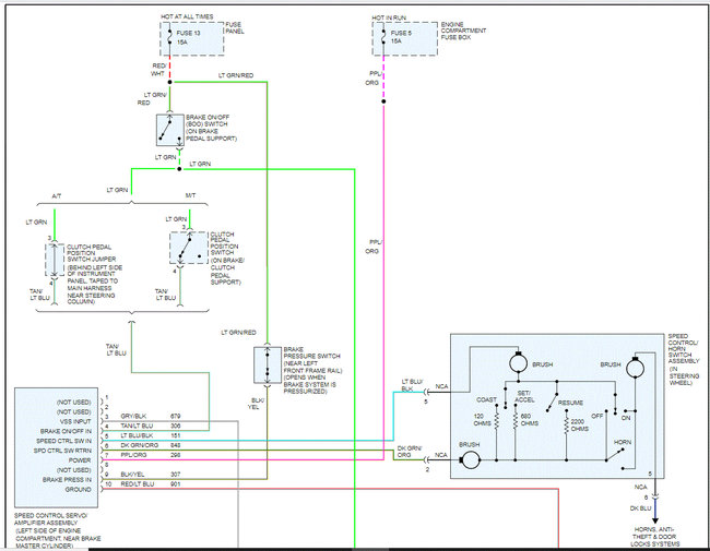
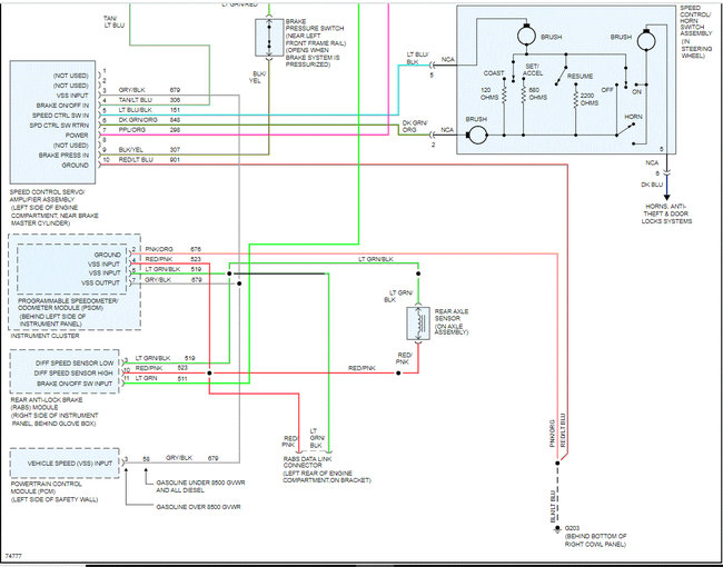
Cruise control works fine in mornings or in cooler weather but when it’s in the high 70s or 80s in the afternoon it doesn’t want to work. Help. Clutch safety switch has been replaced as well as the switch on the master cylinder.







