I need to rewire a crankshaft position sensor?

Tiny
BRIANJH
  • MEMBER
  • 2006 DODGE DAKOTA
  • 3.7L
  • 6 CYL
  • 2WD
  • AUTOMATIC
  • 200,000 MILES
I need to rewire a crankshaft position sensor all the way back to the ECU, assuming that is where the sensor is connecting to.

The wiring from the sensor is fried. There is no room to install a new pigtail and connector so I'm going to have to run a new pigtail all the way back.

Please could I get the pinouts from the ECU so I can splice in a new run.



Thanks
Saturday, July 8th, 2023 AT 9:02 AM

3 Replies

Tiny
KEN L
  • MASTER CERTIFIED MECHANIC
  • 55,297 POSTS
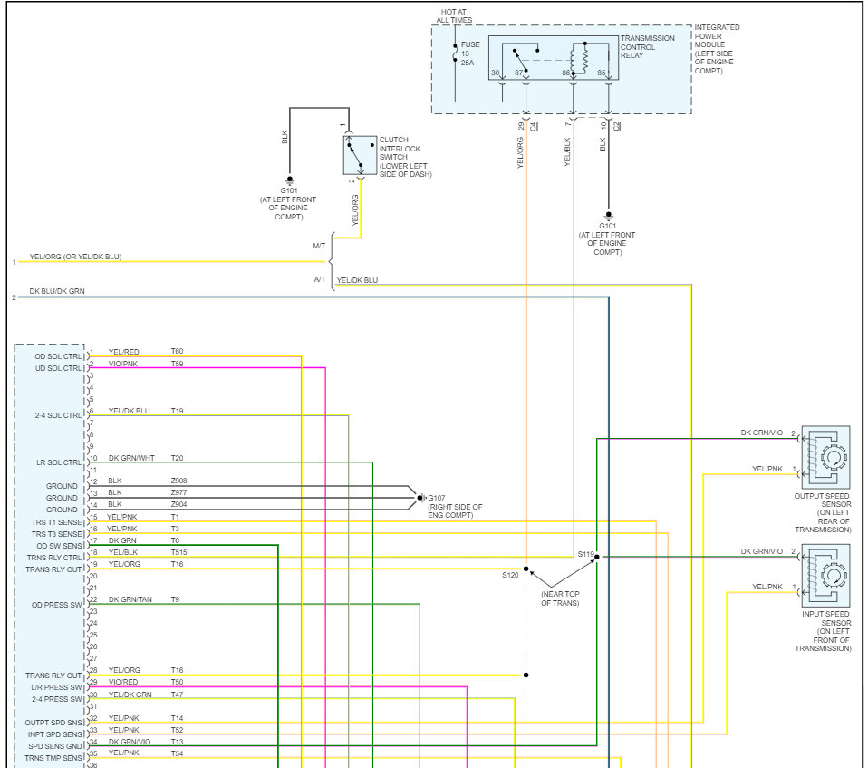
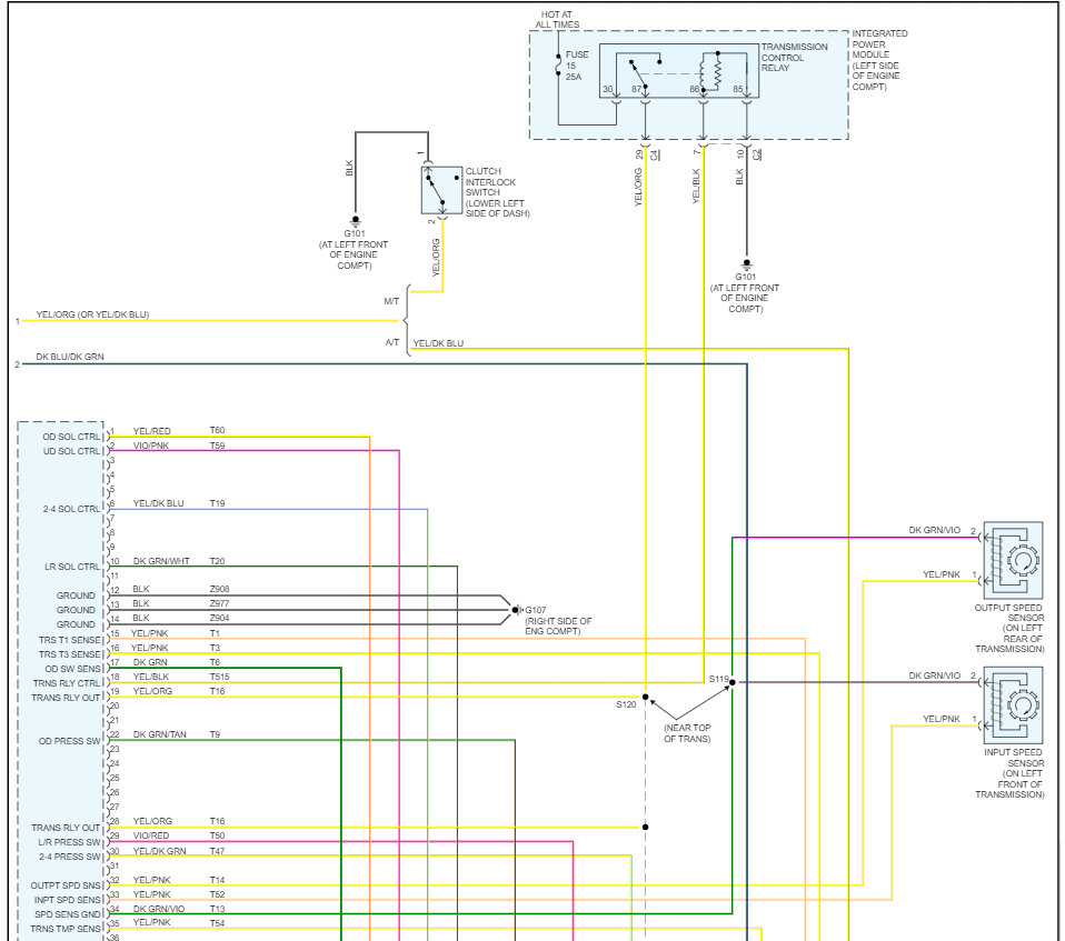
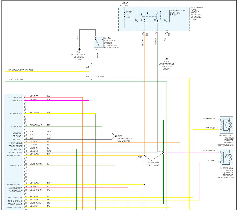
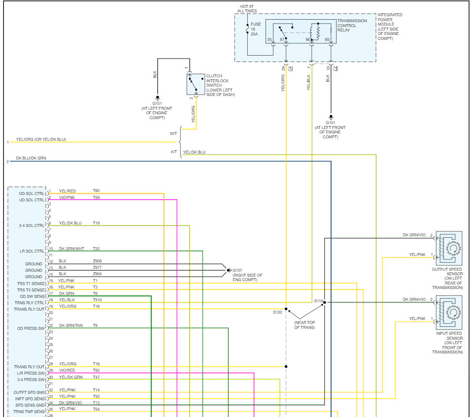
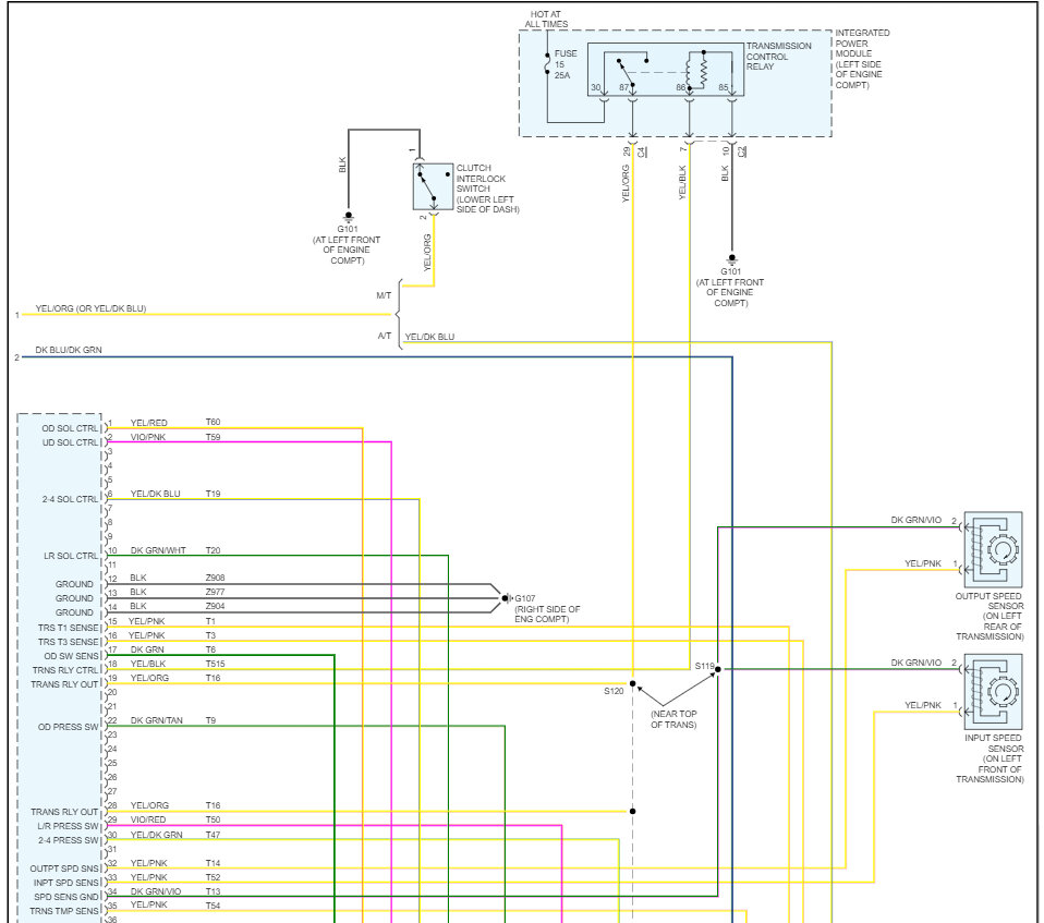
Sure, here are the crankshaft sensor wiring diagrams along with the entire engine and PCM wiring with a guide to help you test the connections when completed.

https://www.2carpros.com/articles/how-to-check-wiring

Check out the images (below). Please let us know if you need anything else to get the problem fixed.

Was this
answer
helpful?
Yes
No
+1
Saturday, July 8th, 2023 AT 1:59 PM
Tiny
BRIANJH
  • MEMBER
  • 2 POSTS
Hi Ken,

Thanks for getting back to me.

In the 3rd connector down from the top of the PCM is where the wiring is for the sensors.

There are 2 Blue/Green wires in the bundle. It looks like 1 of them goes to pin 2 on the crankshaft position sensor and the other one goes to pin 2 on the camshaft sensor.

I'm guessing the only way to make sure I cut the correct one is to maybe strip away a little sheathing on the wire and do a continuity test to the good working camshaft sensor connector and if I get continuity I don't cut that one.
Was this
answer
helpful?
Yes
No
Sunday, July 9th, 2023 AT 8:18 AM
Tiny
KEN L
  • MASTER CERTIFIED MECHANIC
  • 55,297 POSTS
Yes, also disconnect the connectors which testing the connections. Also tape up any cuts you make to protect them. Make sure to match the wire colors and location on the connector to make sure you have the correct wire.
Was this
answer
helpful?
Yes
No
Monday, July 10th, 2023 AT 9:46 AM

Please login or register to post a reply.