Crankshaft position sensor pigtail?

Tiny
KACCITO
  • MEMBER
  • 2000 CHEVROLET BLAZER
  • 4.3L
  • V6
  • 2WD
  • AUTOMATIC
  • 120,000 MILES
My crankshaft position sensor connector broke off I bought a pigtail but, all the wires are white I have no idea how to reconnect to my original-colored wires it's a 3-wire connector.
Wednesday, April 23rd, 2025 AT 6:50 PM

3 Replies

Tiny
STEVE W.
  • MECHANIC
  • 15,694 POSTS
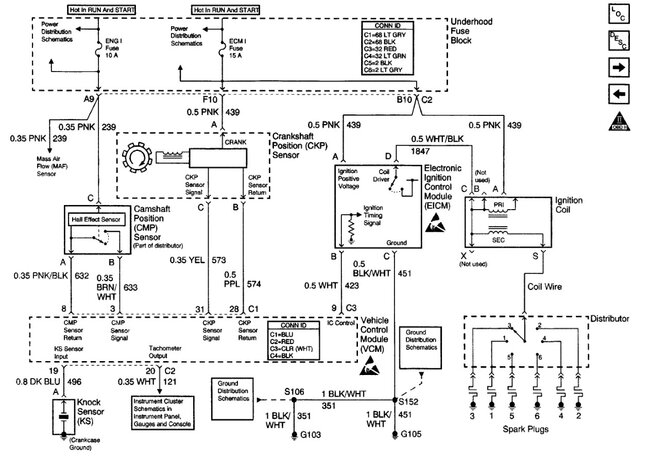
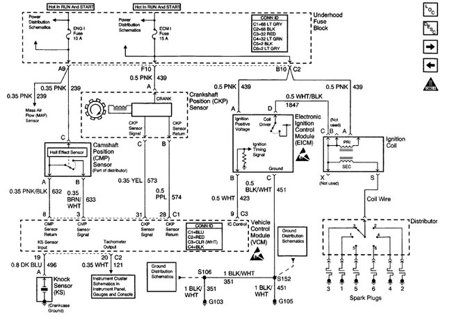
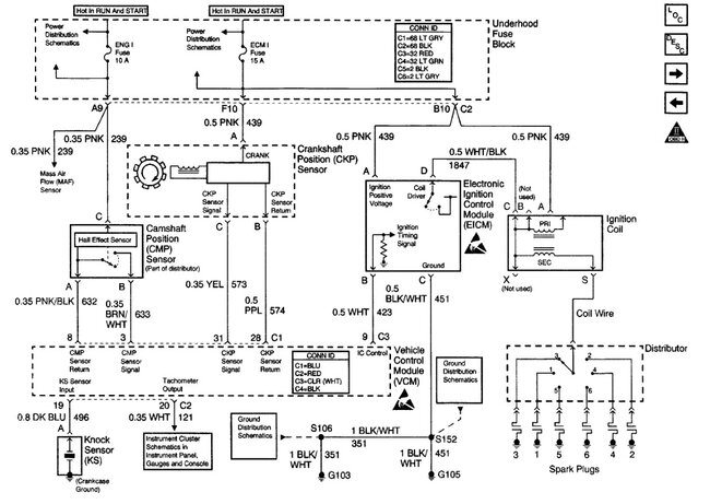
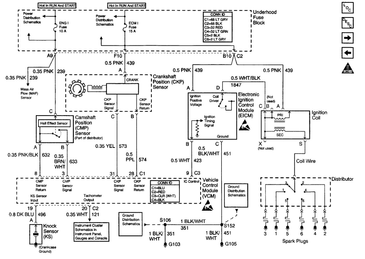
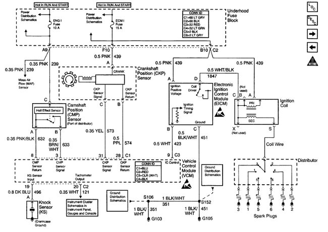
That is done so that they can use that same connector for anything that requires 3 pins. In your case the three colors are Pink with a 12-volt feed on pin A, then a Purple that is a ground into the ECM on pin B, and lastly a yellow wire that is the sensor signal. The connector image is looking into the connector with it unplugged. The connections there need to be good. I use individual non-insulated crimp connectors and adhesive lined heat shrink normally like in this video:

https://www.youtube.com/watch?v=wqV-EyYDEAg

You can also use the combination crimp with heat shrink on it like the ones in this video:

https://www.youtube.com/watch?v=CRA0iE_qoYk

Both work well as long as you don't damage the insulation.
Was this
answer
helpful?
Yes
No
+1
Wednesday, April 23rd, 2025 AT 9:39 PM
Tiny
KACCITO
  • MEMBER
  • 2 POSTS
Awesome, thank you. Another thing my new connector doesn't have ABC on it so how would I know where to start?
Was this
answer
helpful?
Yes
No
Wednesday, April 23rd, 2025 AT 9:57 PM
Tiny
STEVE W.
  • MECHANIC
  • 15,694 POSTS
Hold up the connector so you can look into the face of it like the attached picture above, that shows you ABC.
Was this
answer
helpful?
Yes
No
+1
Wednesday, April 23rd, 2025 AT 11:37 PM

Please login or register to post a reply.