Cranks fine no spark

2007 MITSUBISHI ECLIPSE
207,000 MILES • 3.8L • V6 • 2WD • AUTOMATIC
Avatar
SOUTBO5
  • MEMBER
  • 1 POST
Car wouldn't start one morning. I had previously drilled a hole in the key for a keychain but it was still starting and running. I had a new key and programmed $135 no help. I've checked all fuses and swapped relays. I've replaced crank and cam sensors no help. when I probe the crank sensor with test light grounded 3 wire plug I hear a buzzing noise when touching one of the wires
Jun 5, 2021 at 12:09 PM
Advertisement
Repair Safety Notice: This information is for general instructional purposes only. Vehicle repair can be dangerous. Verify all information, follow manufacturer service procedures, use proper tools and safety equipment, and consult a qualified repair shop when needed.
Avatar
JACOBANDNICKOLAS
  • AUTOMOTIVE REPAIR CONTRIBUTOR
  • 110,190 POSTS
Hi,

First, take a look at pic 1 below. It explains how the ignition switch works.

Next, the system provides power all the time to the coils via fuse 1 in the junction box under the dash. (see pic 2) So, check that fuse. Also, if the fuse is good, I need you to confirm power (12v) to the black wires with a red tracer and black wires with a yellow tracer at each coil. Note that each of the aforementioned colors will appear on three coils only.

If there is power, the next thing I see is there is a common ground for all coils. It is in the rear of the engine and the wires will be black in color. So, if you disconnect a coil, check for continuity to ground via one of the black wires at the coil.

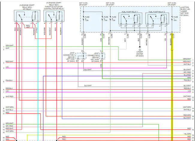
The remaining pics are the entire wiring schematic for the powertrain control system. I'm adding them so you have a reference.

The very last pic is the fuse box under the dash. I highlighted the fuse to check. Also, in addition to checking the fuse, confirm there is power to it. Here is a link you may find helpful:

https://www.2carpros.com/articles/how-to-check-a-car-fuse

Also, here is an additional link you may find helpful:

https://www.2carpros.com/articles/how-to-check-wiring

Let me know what you find or if you have other questions.

Take care,

Joe

See pics below.

Jun 5, 2021 at 9:39 PM