Saturday, December 30th, 2017 AT 11:00 AM
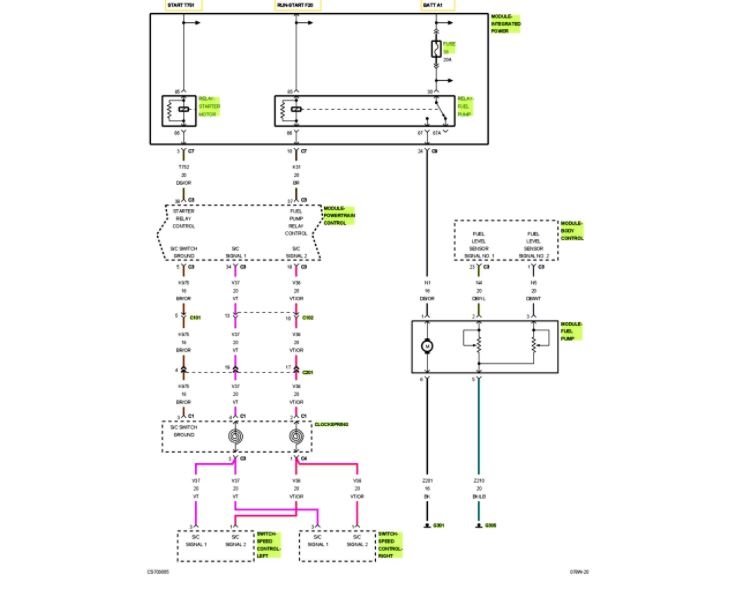
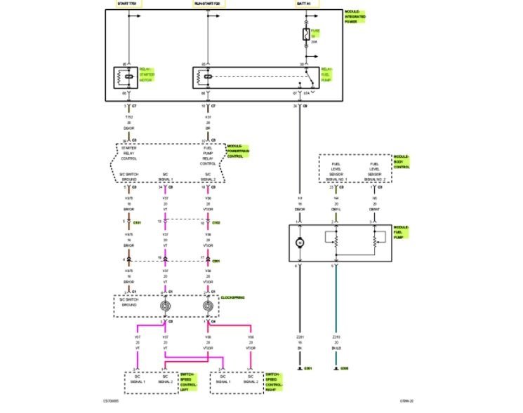
Touring model. The first signs of trouble was a erratic gas gauge. I checked the fuses and relays. I have since replaced the battery both the camshaft and crankshaft sensors. The car cranks but will not start. I replaced both the primary and secondary fuel pumps and still it will not start. The scan tool I have is not reading any codes. I also checked the ground wire from the battery to the transmission it was okay. I almost forgot it is getting spark and acts like it wants to run when using starting fluid.


