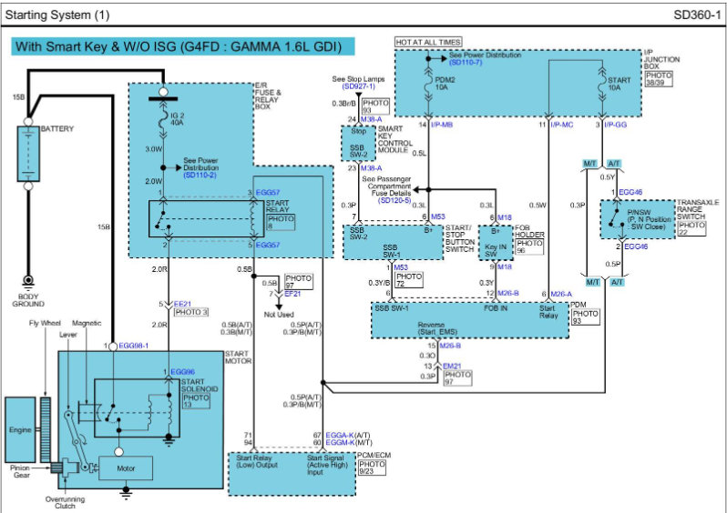
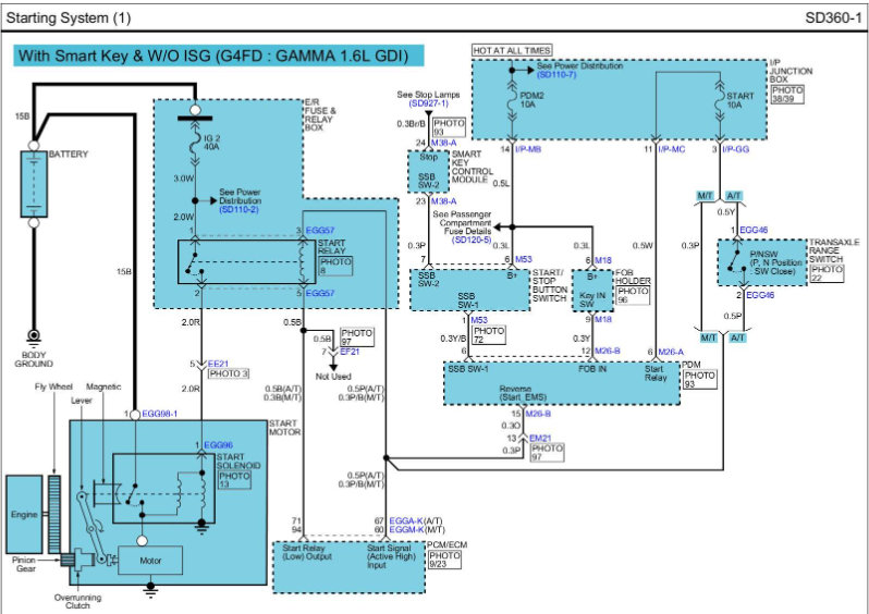
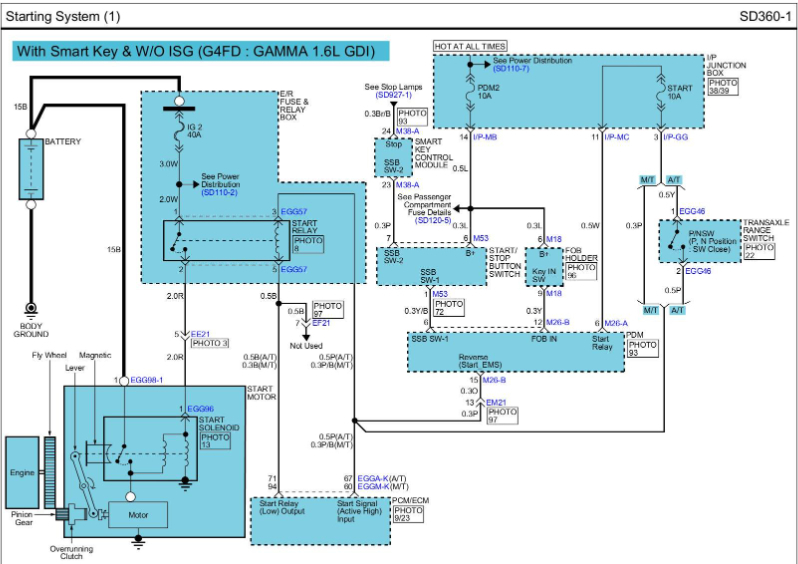
Wednesday, May 17th, 2017 AT 4:21 PM
This car model is the Soul. It will crank but not start. All the lights work and there are no abnormal noises. I can get the car to start by rolling it and popping the clutch and once it starts I have no issues. Any ideas?





