Monday, April 3rd, 2017 AT 3:58 PM
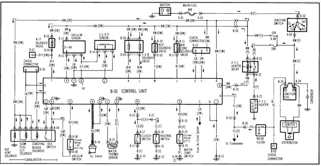
I think maybe a sensor, switch, or a wire missing on positive side of coil. I do not know for sure. I know I replaced distributor cap, rotor bug, ignition coil, coil pickup and I am just this side of burning it for real. When I got the truck it had been running but a friend bought it and stripped the number two spark plug whole out and then force a helicoil through the existing hole into head, so I removed head and fixed it. It has plenty of compression and l have had it started three times since, but after it died the third time it just cranks.



