Wednesday, October 11th, 2023 AT 11:42 PM
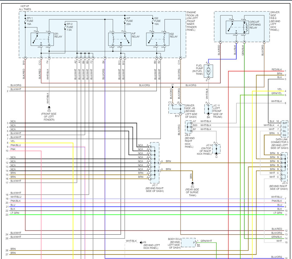
Seemingly out of nowhere my car cranks but doesn’t turn over. Plenty of battery (also tried with jumper assistance to be sure). When I turn the key, I don’t hear the pump priming, so almost certain has to be fuel delivery. Where do I start with troubleshooting? I’ve checked the fuses and relays under the hood, they are all in working order. Are there any related to this circuit in the cabin? I don’t have a diagram for the PCs fuses/relays. Thank you as always!
















