Crank no start after head gasket replacement?

Tiny
DODGEDUMMY38
  • MEMBER
  • 2004 DODGE RAM
  • 3.7L
  • V6
  • 2WD
  • AUTOMATIC
  • 223,453 MILES
I had head gasket replacement crank up and drove parked it, now no start and not getting power to fuse 30 through 35 and fuel pump relay kicks. Please help because I'm on the verge of losing my job because I can't get there on time.
Tuesday, August 1st, 2023 AT 4:19 PM

22 Replies

Tiny
BRENDON S
  • MECHANIC
  • 653 POSTS
Hello DODGEDUMMY38,

Looks like, at least on my end, fuses 30-34 are for exterior lights. So might not be any power there without the switch on.

Fuse 35 looks like it controls the Anti-Lock Brack Control Module, which may not have power unless vehicle is in gear.

There are several things that can cause a no start condition. So, start by looking over this guide:

https://www.2carpros.com/articles/car-cranks-but-wont-start

When you crank it does it sound like it is cranking faster than usual? If so, this could indicate a problem with compression, possibly from the head gasket.

Since it cranks but does not start that leads us to:
Fuel Issue
No Spark
Low Compression

When you turn the key to the on position can you hear the fuel pump run? It should run for about 3 seconds and shut off. Do you hear it at all?

If not with the key on slam the fuel tank with a soft face mallet. You may have to do this a couple times. Sometimes when the pump goes this will get it working again temporally.

If it doesn't seem to be working. Remove the intake and spray starting fluid into the throttle body. (See image)

Only 2-3 quick sprays. Now try starting it and see if it tries to start. If so, try a few more times. If it does, we know we have a fuel issue. If nothing let's check spark.

Using a spark tester, I have added an image of one, test for spark at passenger side cylinder closest to the front of the engine. This is cylinder number 1. The tester will be plugged in between the spark plug and the coil.

Have an assistant try starting the vehicle and see if you see spark.

If you don't have a spark tester your local auto parts store should have one.

Let me know what you find, and we can go from there.

Also please let me know if you need any help with any testing.

Can you also tell me what you have for tools?
-Multimeter?
-Test Light?
-Compression Tester?
-Fuel Pressure Tester?

I have also added a diagram of the fuse box also called the Intergrated Power Module as well as the legend to go to with it.

Please let me know if this doesn't match what you are seeing.

Thank you,
Brendon
Was this
answer
helpful?
Yes
No
Wednesday, August 2nd, 2023 AT 8:05 AM
Tiny
DODGEDUMMY38
  • MEMBER
  • 13 POSTS
My fuel pump is working but the auto shut off relay clicks and remains clicking until I pull it as for spark, idk if I'm getting. I've tried ether and nothing t turns over like a Dodge not fast but not slow and I just found out from the person who I got the truck from jacked with the ignition and broke a plug looking thing on the shift rod under the steering column there's wire ran from starter to the connector where it goes but it's bare at splice so confused with it and I'm pretty damn good at fixing trucks dodged and fords but this one has me ready to put a rag in tank and walk away I've got basic tools a scanner that's pretty much it and I really need to get to the bottom of it cause I go back to work Friday for my week on but if truck isn't ready I may not make it on time and then be looking for another job, lol.
Was this
answer
helpful?
Yes
No
Wednesday, August 2nd, 2023 AT 8:39 PM
Tiny
BRENDON S
  • MECHANIC
  • 653 POSTS
Hello DODGEDUMMY38,

Okay. I see. Can you send me a couple of photos of this wiring mess on the column? Let's see if we can get it wired back up correctly or at least something temporarily so you can get to work.

I have added an image of the ignition as well as the connector for the ignition. Let me know which wire has been messed with. I think it will be either yellow or pink.

The ASD or Automatic Shutdown Relay is turned on and off by connecting ground at the PCM.

It will shut down the Ignition Coils and the Fuel Injectors. It is clicking because the PCM isn't seeing the right amount of voltage and is turning the ground on and off.

On a relay there is the control side and the load side. The ground to the PCM is used to turn an electro-magnet on to move a switch on the load side of the relay. A lot of times it is the ground itself that is corroded or broken in this particular situation. However, whatever was done to the wiring doesn't help either. Maybe this is what he was trying to fix. But we can figure it out later.

For now, let's see if we can get it running:

***To get the truck started we are going to try and bypass the control side of this circuit completely.

I am adding a few images of the ASD relay. On it you will notice it has numbers next to the terminals.

Remove yours and see if it has these numbers as well. If not compared to the one, I sent in the picture. Then use this to find the positions in the fuse box.

We need to use a fused jumper wire and some blade terminals; I will add an example for you.

Then we will plug in on end to terminal 87 and the other end to terminal 30.

This should bypass the relay.

Caution: Be very careful with this as it is possible to start a fire, but it should get it to run. Keep a close eye on it, make sure it isn't getting hot or touching anything else.

Remove this wire when the vehicle is not in use.

Use 12-gauge wire and a 30-amp fuse. You can also get a jumper with a fuse holder in it. This is the best way in my opinion to protect the rest of the fuse box from damage.

Shopping list or materials on hand you need:
0)-Crimp tool
1)-Female insulated blade terminals
2)-30-amp fuse because seems to be a 30-amp circuit to power the coils and injectors. Get a pack of 5 if you can.
3)-Male blade terminals
4)-12-gauge wire

5)-Multimeter- We will need this to check for power and ground this weekend.

6)-12-gauge jumper with fuse holder-You can use these in place of the set-up mentioned above but you will need to make sure it is 12-gauge wire, use the same 30-amp fuse, and use the same male blade terminals. These are watertight and require less connections.

However, sometimes number 6, mentioned above is not readily available as the previous options.

I have numbered the images to match the list.

Your local auto parts store should have all of this.

I have added images of everything you need to get.

Now I am on the east coast, it seems like you are on the west coast. However, I will stay up most of the night working with you to get this running for tomorrow so you can get to work and then we will do more troubleshooting this weekend.

Please get right back to me so we can work on this today/tonight and see if we can get it running for you.

Please let me know if you have any questions at all.

Thank you,
Brendon
Was this
answer
helpful?
Yes
No
Thursday, August 3rd, 2023 AT 9:41 AM
Tiny
DODGEDUMMY38
  • MEMBER
  • 13 POSTS
Okay, my relay looks nothing like that and I believe you misunderstood me whenever I said something about the steering column it's just it's just a plug that's on the on the shift rod that that he broke the plug and I think it's the gear the gear selector for the transmission, but yeah I'll send a picture.
Was this
answer
helpful?
Yes
No
Thursday, August 3rd, 2023 AT 1:13 PM
Tiny
DODGEDUMMY38
  • MEMBER
  • 13 POSTS
That's the relay.
Was this
answer
helpful?
Yes
No
Thursday, August 3rd, 2023 AT 1:13 PM
Tiny
DODGEDUMMY38
  • MEMBER
  • 13 POSTS
This is the thing under st under the steering it's a plug that just connects to the shifting cable I don't know what it is but it's broke and it gets really hot I wonder if that could be what's causing the problem.
Was this
answer
helpful?
Yes
No
Thursday, August 3rd, 2023 AT 1:20 PM
Tiny
BRENDON S
  • MECHANIC
  • 653 POSTS
Hello DODGEDUMMY38,

What's the relay? Did you send a pic or are you referring to something in my information? I don't have any image on my side if you tried sending one.

Thank you,
Brendon
Was this
answer
helpful?
Yes
No
Thursday, August 3rd, 2023 AT 1:20 PM
Tiny
BRENDON S
  • MECHANIC
  • 653 POSTS
Hello DODGEDUMMY38,

You said you had frayed or bare wires and a broken plug on the steering column. You also said auto shut off relay is just clicking until you pull it out. Also, fuel pump works but won't start with ether.

The relay I sent may not be yours but it was for illustration purposes so you can see the numbers on the terminals.

Is the relay clicking or are you referring to something else?

Take a photo of the yellow writing on the thing you just sent an image of. They may be part numbers so I can identify it. Then take an image of the wires coming out of it so I can see the colors including the colored stripe if it has one, so I can look at in a wiring diagram.

Then please take a couple photos of the issue at the column, like where the wire is frayed or bare and the broken connector. Also flip it over and take a pic please. Maybe an image of where it went on the column too if you could.

If you could please take photo of the relay that is just clicking that would help.

Thank you,
Brendon
Was this
answer
helpful?
Yes
No
Thursday, August 3rd, 2023 AT 1:47 PM
Tiny
BRENDON S
  • MECHANIC
  • 653 POSTS
Hello DODGEDUMMY38,

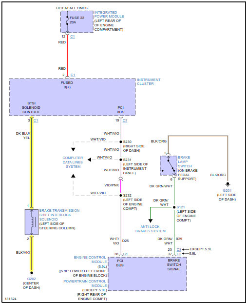
This is the BTSI or Brake Transmission Shift Interlock Solenoid. It is part of the shift interlock system. This will keep the shifter from moving out of park but shouldn't keep it from starting.

There is a recall for it I found. Here is the link:
https://www.chrysler.com/universal/webselfservice/pdf/S28.pdf

I also found that it looks like you have to get the whole shift cable to get it. (See image)

Try this:
Turn on the key
Apply the brakes
Try shifting out of park

Does the shifter move?

Thank you,
Brendon
Was this
answer
helpful?
Yes
No
Thursday, August 3rd, 2023 AT 2:24 PM
Tiny
DODGEDUMMY38
  • MEMBER
  • 13 POSTS
Yes, shifter moves like it should.
Was this
answer
helpful?
Yes
No
Thursday, August 3rd, 2023 AT 3:57 PM
Tiny
DODGEDUMMY38
  • MEMBER
  • 13 POSTS
That was the relay that's clicking but I can change it out and it clicks with another one in its place I'm confused as to why it clicks when the key is off.
Was this
answer
helpful?
Yes
No
Thursday, August 3rd, 2023 AT 3:59 PM
Tiny
DODGEDUMMY38
  • MEMBER
  • 13 POSTS
I will try to make a video on of it when it's cooking so you'll be able to understand what I'm saying.
Was this
answer
helpful?
Yes
No
Thursday, August 3rd, 2023 AT 4:00 PM
Tiny
DODGEDUMMY38
  • MEMBER
  • 13 POSTS
Not when it's cooking when it's clicking.
Was this
answer
helpful?
Yes
No
Thursday, August 3rd, 2023 AT 4:00 PM
Tiny
BRENDON S
  • MECHANIC
  • 653 POSTS
Hello DODGEDUMMY38,

Yes, that would be great if you could send that video.

This thing is a solenoid. Usually an on/off solenoid. So once power is cut from the key, it just locks the shifter. It may be clicking because it is opening or closing, or it is shorting internally. Normally these types of solenoids either work or they don't.

Here is a link to an article for you with some extra information:
https://automobilenote.com/what-is-the-difference-between-relay-and-solenoid/

Can you send me an image of the wire you said where bare on the column or any broken connectors? Or did you just mean the one you have been showing me?

A few days ago, this part was not attached but the vehicle ran and drove. So, what changed?

I think there is something else going on, but we need a multimeter to perform some tests.

Are you able to go to the parts store and grab one? Should only be around $30.

We need to see where we have power and where we don't and how much.

A test light would work for now, but it doesn't tell us voltage and can damage the electrical system.

Thank you,
Brendon
Was this
answer
helpful?
Yes
No
Thursday, August 3rd, 2023 AT 4:26 PM
Tiny
BRENDON S
  • MECHANIC
  • 653 POSTS
Hello DODGEDUMMY38,

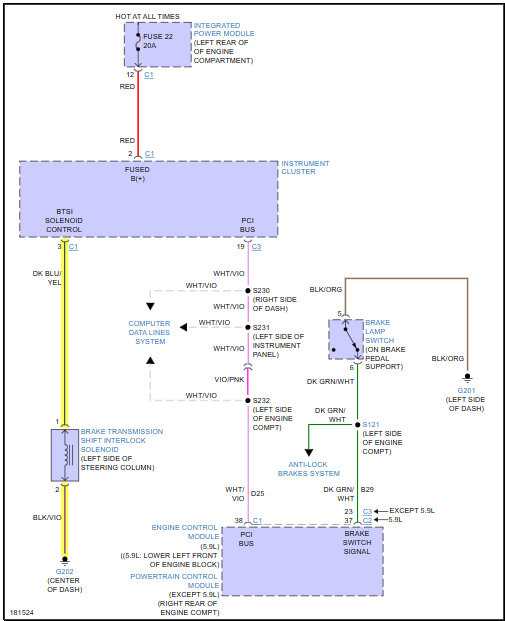
Looks like this is getting power from fuse 22 in the Intergrated Power Module in the engine compartment. Should be a 20-amp fuse.

I would pull it and see if the clicking stops on that solenoid.

I have added a diagram showing the location of the fuse.

Check the fuse and see if there is anything wrong with it. Replace it if you have a good spare.

I also added the ground side of that solenoid. Ground 202. It is located in the center of the dash. The diagram shows everything else that uses this ground. Are you having any issues with any of the other things in this diagram?

Let me know what you find.

Thank you,
Brendon
Was this
answer
helpful?
Yes
No
Thursday, August 3rd, 2023 AT 5:21 PM
Tiny
DODGEDUMMY38
  • MEMBER
  • 13 POSTS
My roommate has one when he gets off work I'll ask to use his multimeter.
Was this
answer
helpful?
Yes
No
Thursday, August 3rd, 2023 AT 6:13 PM
Tiny
DODGEDUMMY38
  • MEMBER
  • 13 POSTS
Also, no fire I figured that out pretty quickly this morning. I didn't have a spark tester so I kind of put a plug in the wires and had someone spin it over and nothing not even a little jolt so I'm thinking maybe crank or cam sensor, what do you think?
Was this
answer
helpful?
Yes
No
Thursday, August 3rd, 2023 AT 6:17 PM
Tiny
BRENDON S
  • MECHANIC
  • 653 POSTS
Hello DODGEDUMMY38,

A cam sensor is a possibility. We will need the multimeter to test it though.

Do you have a way to check the battery voltage like a charger?

Have you been charging this or have it on a trickle charge while you are doing all this testing?

I'm sorry I don't remember if I asked but do you have a test light?

You said you had a scanner; do you have any codes for the cam sensor or anything else?

Thank you,
Brendon
Was this
answer
helpful?
Yes
No
Thursday, August 3rd, 2023 AT 6:50 PM
Tiny
DODGEDUMMY38
  • MEMBER
  • 13 POSTS
Sorry it took so long to reply. I work 7 on and 7 off 12 hours so I'm beat when I get home. I'll be off all next week will be able to jump back in on it but battery is good and I been looking codes off my dash Plus scanner and it's saved open Circuit for ASD and fuel pump A/C fan and A/C compressor I will get back with u on it probably Friday as it's my start of week off talk to you then and thanks again for your help.
Was this
answer
helpful?
Yes
No
Tuesday, August 8th, 2023 AT 10:19 AM
Tiny
BRENDON S
  • MECHANIC
  • 653 POSTS
Hello DODGEDUMMY38,

No problem I completely understand, I work a lot too, 12 hours 7 days a week. Just get back to me when you have a chance, I am not going anywhere.

In the meantime, I will see what information we can get together so when you're ready we can perform some testing and eliminate some possibilities, starting at that Automatic Shutdown Relay. This relay will shut down the fuel pump and other things so the issue might be either that shutdown relay or it's control circuit.

You will need a multimeter, so if your roommate's doesn't work well, I suggest grabbing one. You don't need an expensive one. Here is one from Home Depot I just got a few months ago because my other one was beat. It is pretty nice. Here is the link:

https://www.homedepot.com/p/Klein-Tools-600-Volt-Digital-Multi-Meter-TRMS-Auto-Ranging-Temp-MM420/320822810

You can get them from Amazon cheaper, but I have had issues with them and with other people because they arrive damaged.

But get back to me next week and we will jump into it and work with what you got.

Thank you,
Brendon
Was this
answer
helpful?
Yes
No
Tuesday, August 8th, 2023 AT 11:05 AM

Please login or register to post a reply.