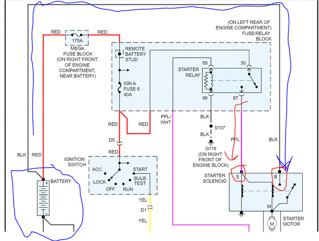
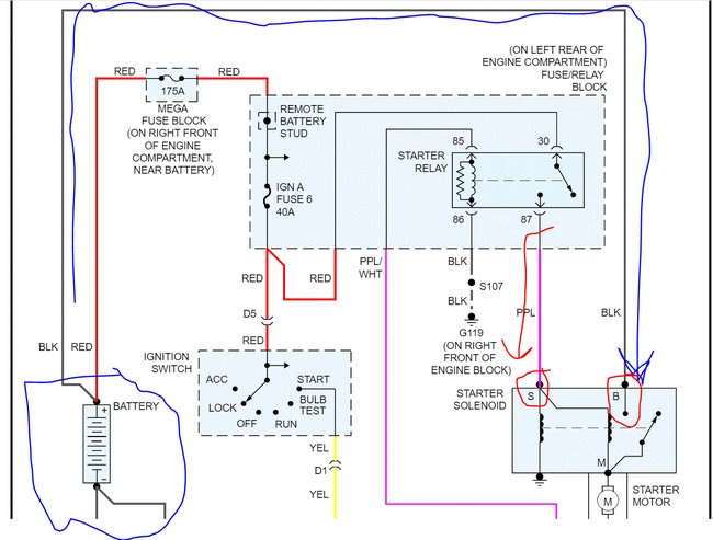
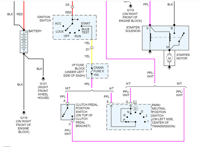
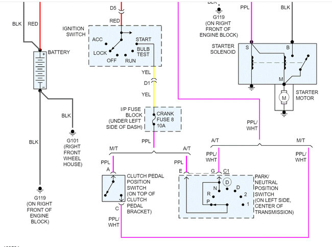
Tuesday, February 22nd, 2022 AT 8:41 AM
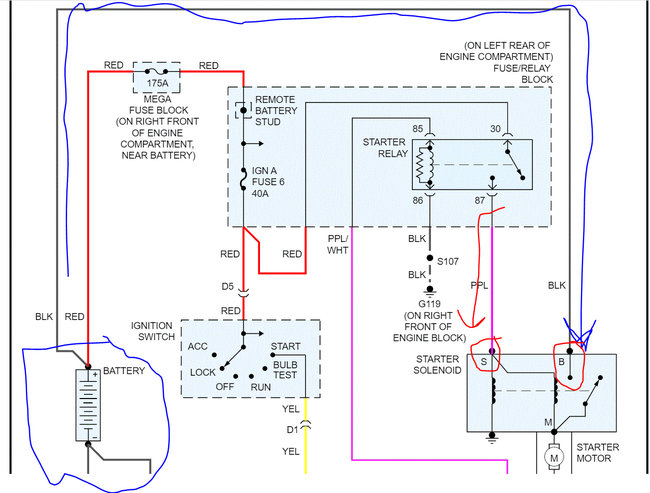
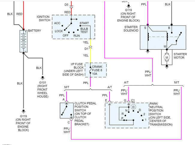
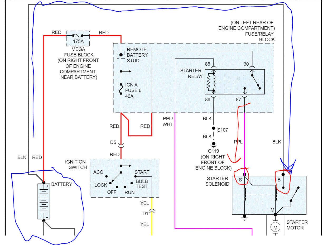
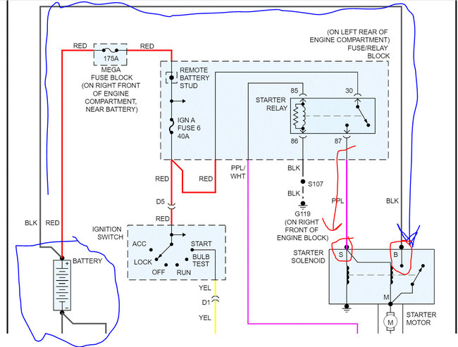
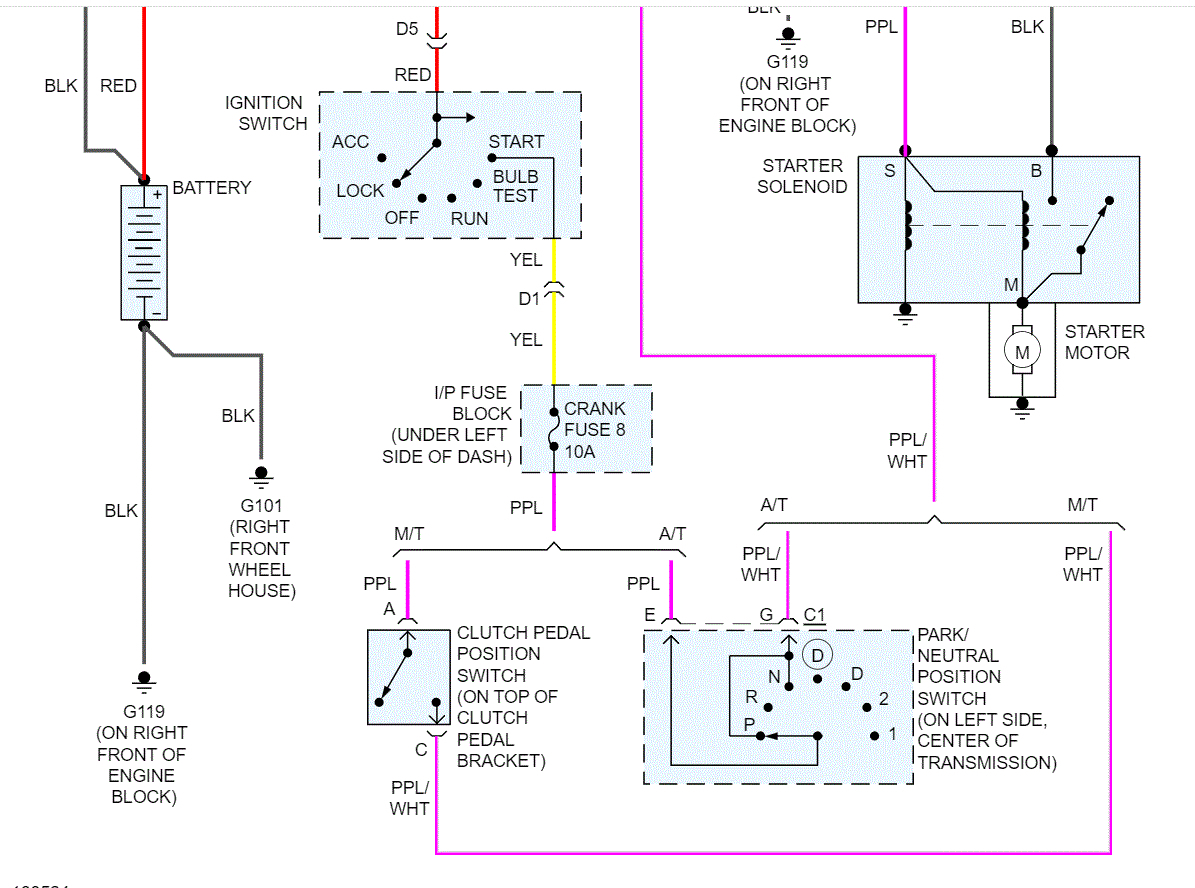
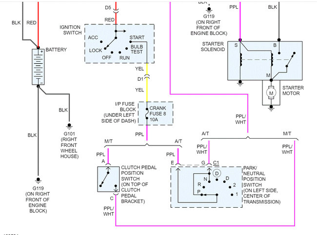
Truck sat for the winter. I went to start and had drained battery. Threw on battery charger and have power. Try to start it cranks twice then you hear what sounds like the starter disengage and free spin. Once in a while it’ll give a third crank that almost sounds like it wants to start. Was low in gas when parked so added fuel. Can hear the fuel pump click on when key is turned on. Sprayed starting fluid in intake and that didn’t help. I have not done a spark test but since I hear it try to fire sometimes when cranking I believe there’s spark. When I get frustrated and walk away something under the dash just clicks and clicks thill the battery drains again. I’m at a loss, please help.












