Firstly, I would like to thank you for your time, and say that I came across your site via this video:
https://www.youtube.com/watch?v=6Tlg3JmgNSQ
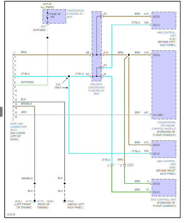
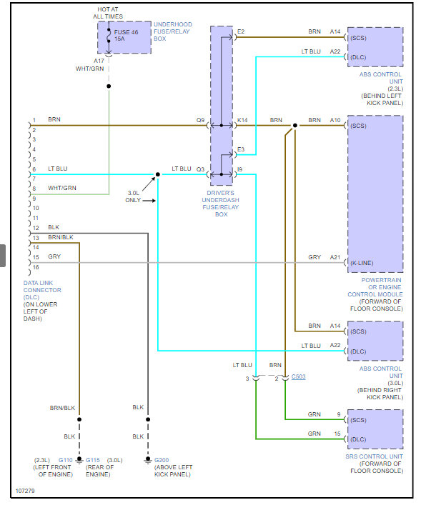
It was helpful in allowing me to identify that my OBD II port is not getting power. Although my vehicle is also having different issue(s).
The car will crank, and crank, but no fire. There is no Schrader valve on the fuel rail so I can't check for fuel pressure, but additionally none of the dash lights will come on, the turn signals do not work (hazards do I presume that is a dedicated circuit?), and the windows (power) will only function if the vehicle is cranking not with the key in the "on, or accessory" position.
This leads me to believe that it is something deeper seated than just possibly a fuel pump issue, and it is something electrical. I am just curious if you might have some insight.
Edit:
After reading some of the other posts I should note that it shut off on me while driving, and I had to have it towed home. Apologize for forgetting to mention that part.
Thanks for your time.
Thursday, May 25th, 2023 AT 6:27 AM


