Crank but no start?

Tiny
DREDINO
  • MEMBER
  • 2006 MERCURY MARINER
  • 1.3L
  • V6
  • 4WD
  • AUTOMATIC
  • 170,000 MILES
I bought a new crank shaft sensor and connector, fuel filter, and battery. The entire engine is just about is all new. The car cranks over but won't stay on longer than two seconds sometimes. Please help.
Saturday, July 23rd, 2022 AT 10:45 PM

1 Reply

Tiny
AL514
  • MECHANIC
  • 5,584 POSTS
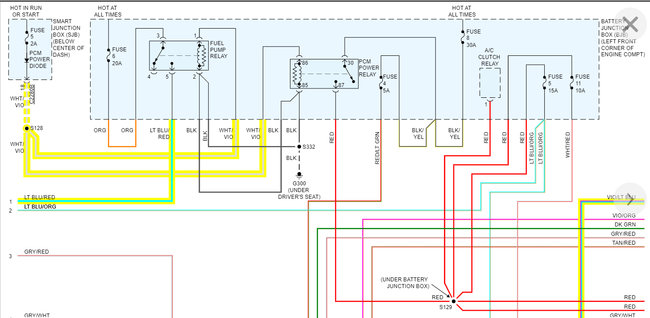
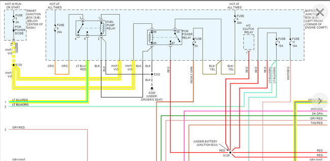
Hello, have you checked the fuel pressure while the vehicle is running? It sounds like the fuel pump may only be going through its first two second prime at Key On. So, I would recommend having a fuel pressure gauge on the vehicle and see if you're losing fuel pressure and that is what is causing the engine to stall out. This vehicle has a separate fuel pump module and is controlled by the engine computer on multiple circuits. With just a start and stall for such a short time period, it sounds like the fuel pump module might be having an issue. Usually, the fuel pump modules are under the vehicle towards the rear and the connectors are exposed to the elements and dirt gets into the connections. But a fuel pressure test will give you some more direction. I will pull up the wiring diagrams so you can identify the module by the wire colors.
This vehicle has a Fuel Pressure sensor on the Fuel Rail, so fuel pressure could be monitored with a scan tool or even a multimeter, it should be a 0-to-5-volt signal on the Fuel Rail Pressure Signal wire. The connector would have to be back probed while still connected to get a reading. But I think you would see a voltage reading go low or high just before the vehicle stalled out. The Fuel pressure spec at idle is only 39PSI which is a very low spec, so I can see how easy this would stall out.

https://www.2carpros.com/articles/how-to-check-fuel-system-pressure-and-regulator
Was this
answer
helpful?
Yes
No
+1
Sunday, July 24th, 2022 AT 8:31 AM

Please login or register to post a reply.