A little background, the last time he drove it, it had multiple misfires anytime it was accelerated even modestly. A problem it didn't have when he drove it a few days earlier. When this occurred, he returned the vehicle back home and used another vehicle for the trip.
Today he went to check what might have caused the misfires as they seemed to be ignition related. When he tried to start it, it would crank over robustly but not start. It has a fuel pressure regulator with a permanent gauge and fuel pressure was right on specification. He then noticed a "nest" of pine needles (he lives in a rural area) on the intake manifold below the plenum and near the firewall. We are not sure, but we think that the rodent who built the nest may have chewed the ignition wire going the coil causing the no start. I have not been to his home to see if we have power to the coil, but I am betting we do not.
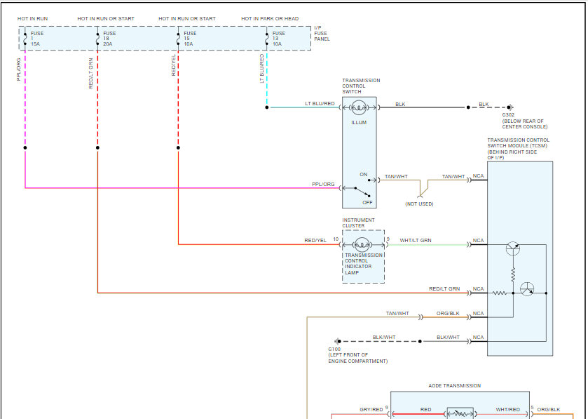
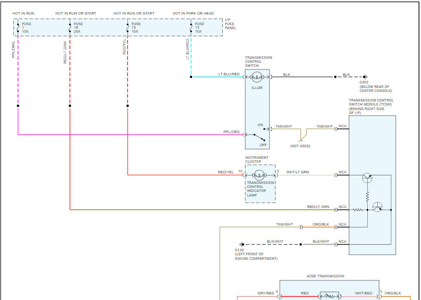
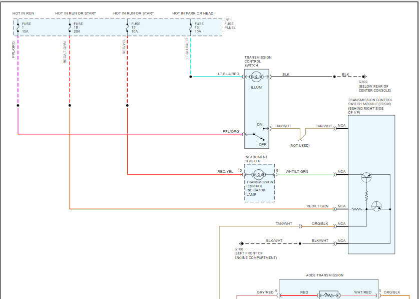
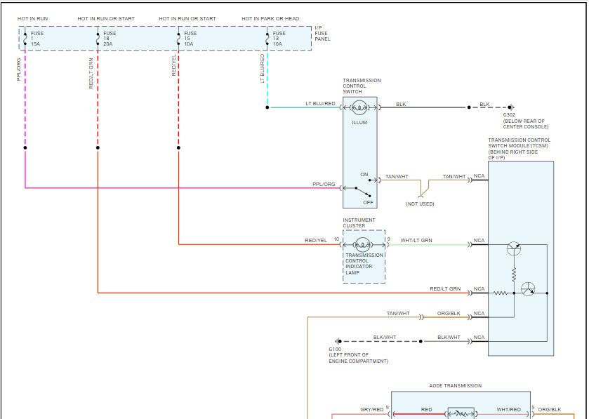
What we need is an ignition wiring diagram so if power is not present, we can start searching for the damaged wire.
If you could provide this diagram we would appreciate it.
Thank you in advance for your reply and for all the help you have been in the past!
Saturday, May 18th, 2024 AT 10:09 PM









