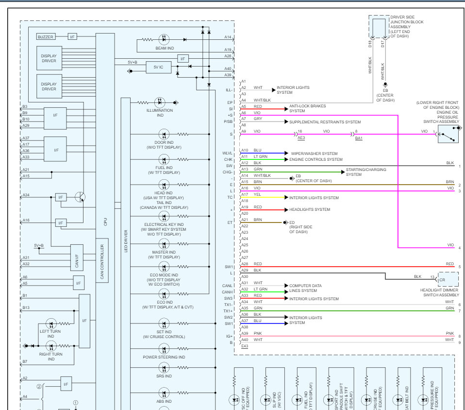
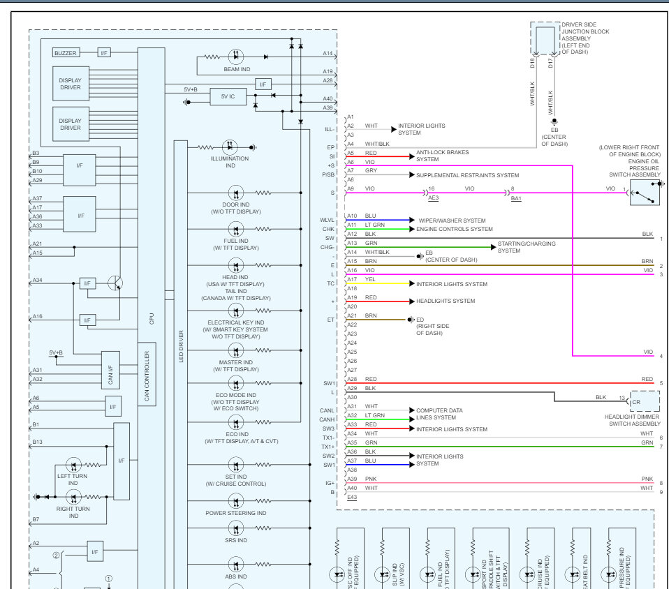
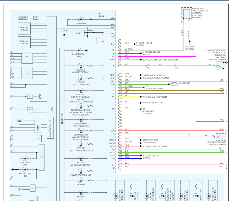
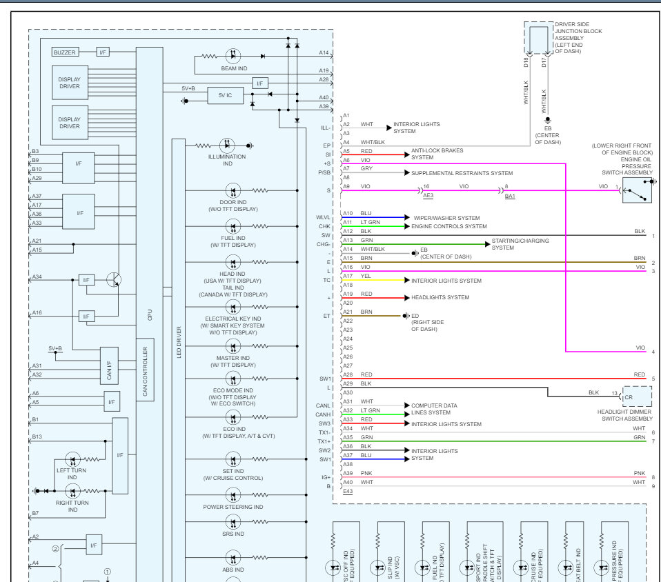
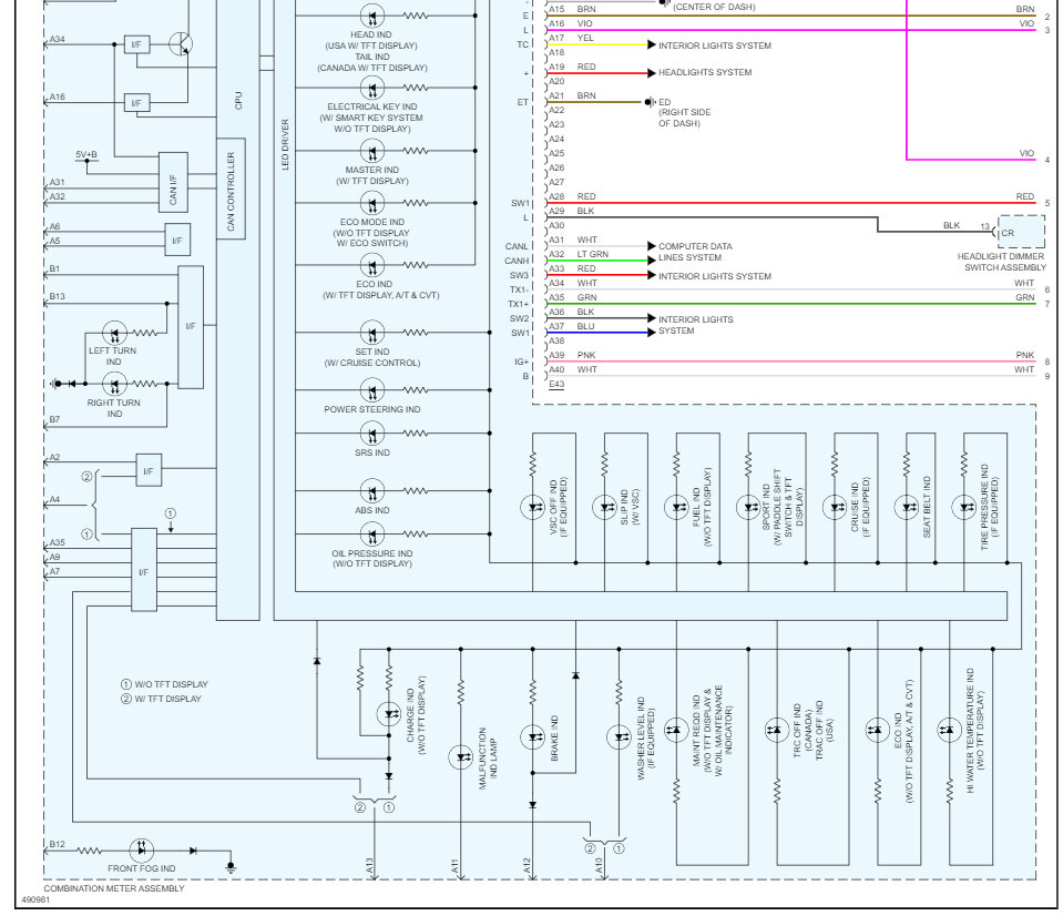
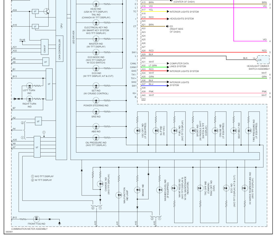
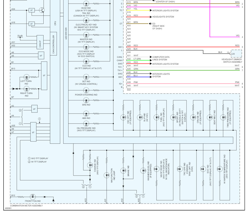
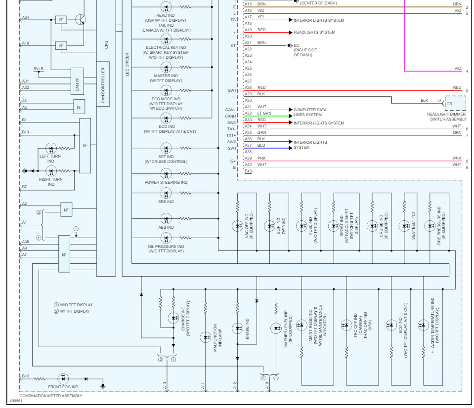
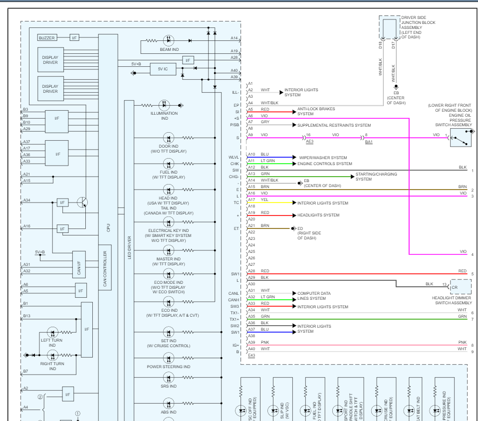
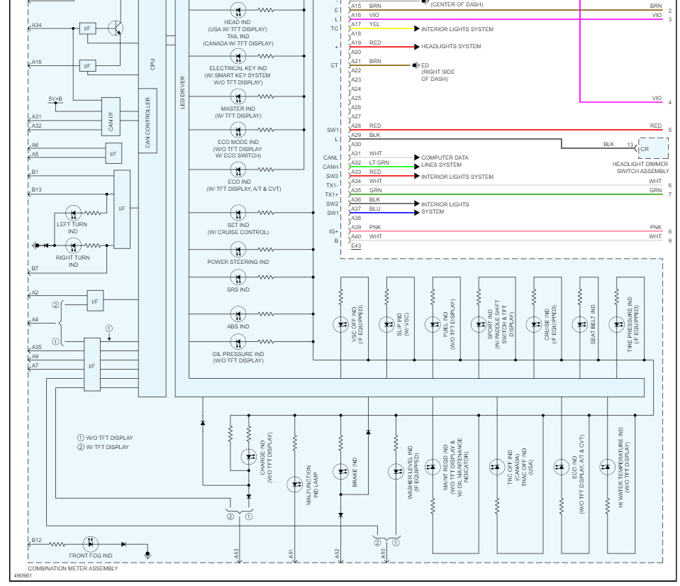
I changed my cluster to this. But my steering wheel don't have controls on the LCD display.
Reset trips/average range.
Change page.
Planning to make an external control for the LCD.
Hope someone knows how.
Thanks in advance.
Thursday, July 27th, 2023 AT 5:35 PM










