So, this is what I've done:
Replaced radiator, radiator cap, cooling fans thermostat, heater core, water pump, coolant temperature sensor.
After replacing all of that, the cooling fans would kick only when I turned the A/C on. Or so I thought. Turns out they were functioning normally but not at the correct temperature. Low speed would turn on when the needle reached the just before the 3/4th temperature gauge line. High speed would turn on at the 3/4th temperature gauge line. So, I figured the PCM must be faulty. (Among other tall tale signs)
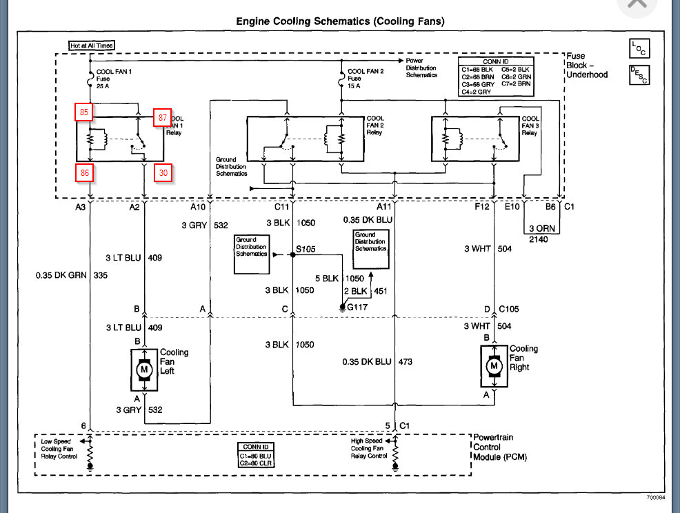
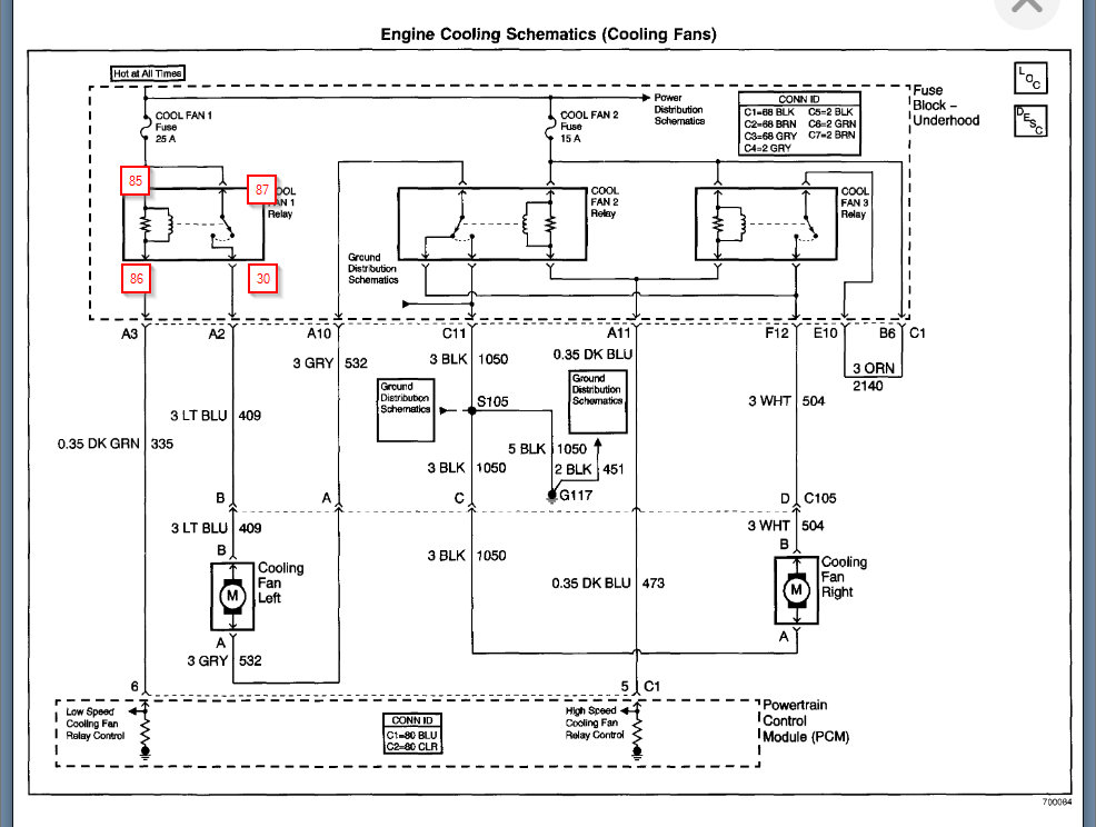
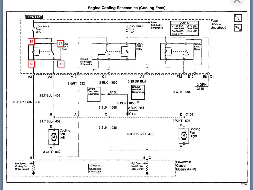
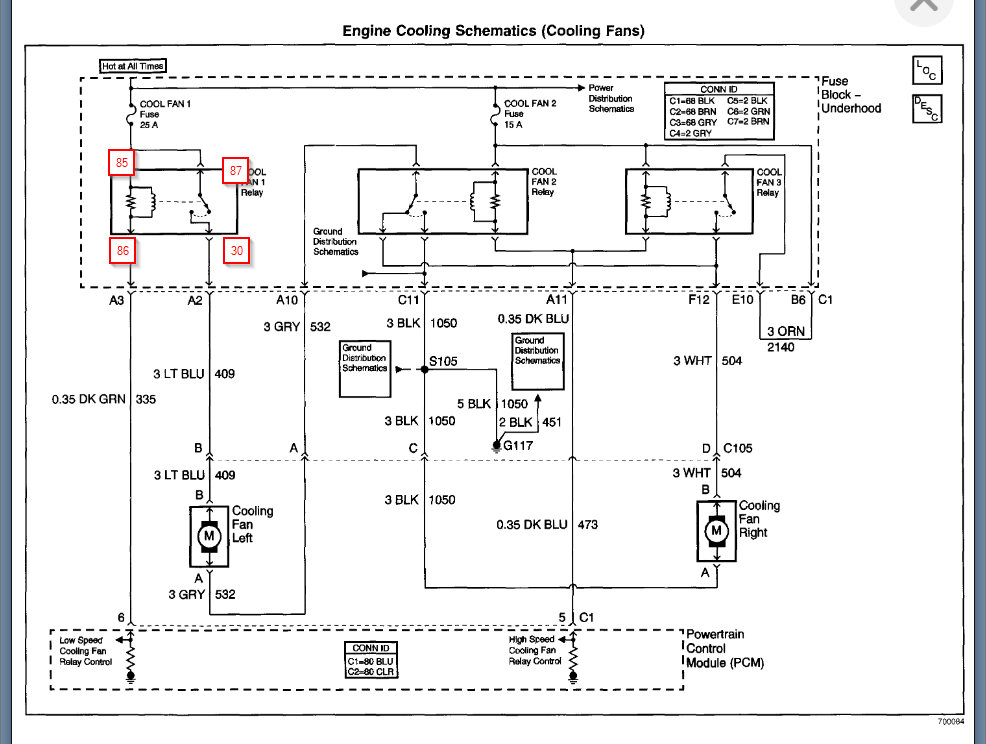
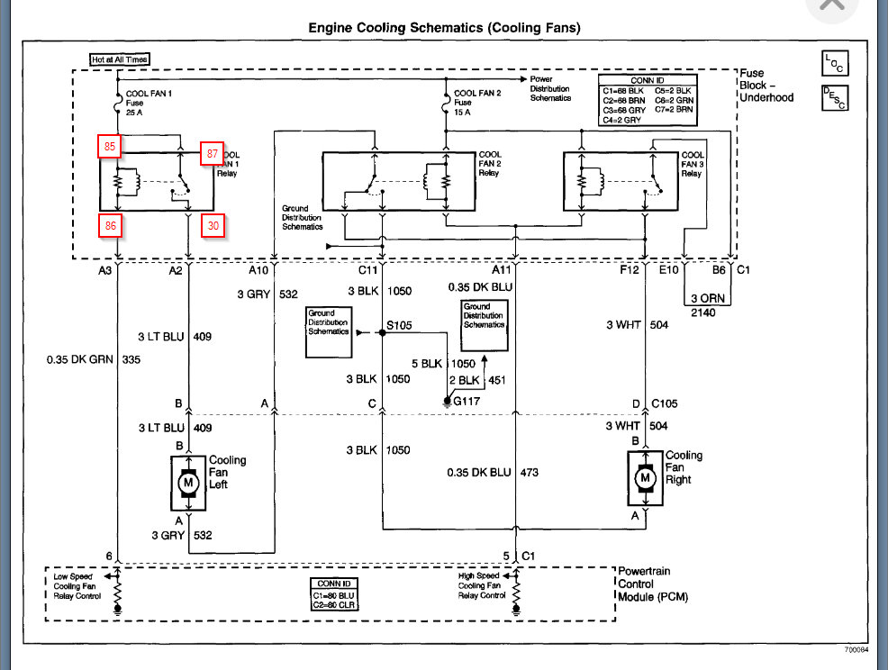
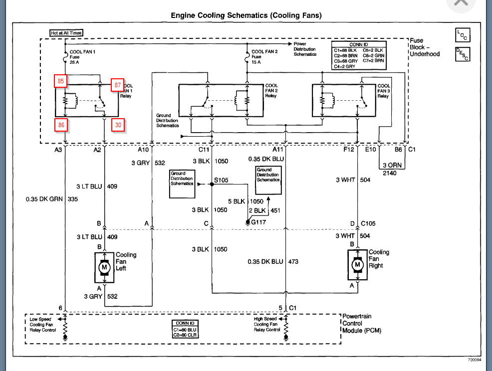
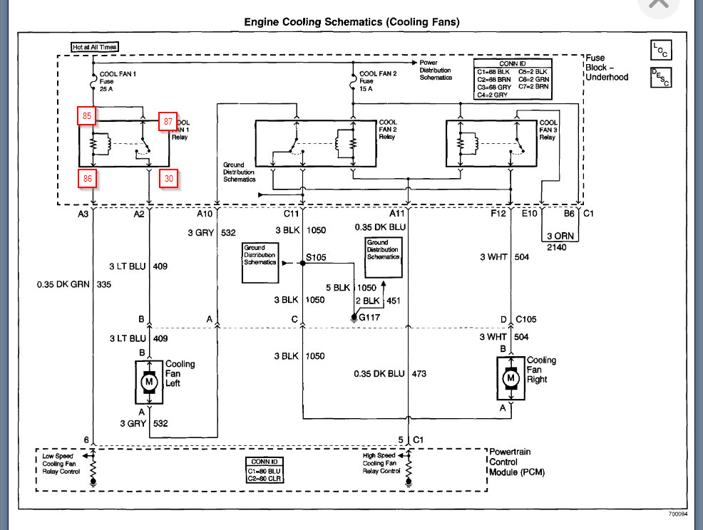
So, I replaced the PCM. Fixed a lot of issues. But ended up going back to square one. Cooling fans won't come on. Not even for ac this time. So, I broke the trustee multi meter out and started rechecking wiring. Bringing me back here today. Now, the cooling fan 1 relay is not getting properly powered. According to my relay. Post 85 and 86 should have 12 volts power, and post 30 and 87 should have no power until tripped. Well, 86 has 12vs 85 has no volts 87 has 12 volts. And 30 has no volts.
So, I'm assuming 85 and 87 have crossed somewhere and that I'm needing a wiring diagram.
Wednesday, June 1st, 2022 AT 11:15 AM





