Cooling fans not working on auto?

Tiny
ZMAN51
  • MEMBER
  • 2000 HONDA ACCORD
  • 3.0L
  • 6 CYL
  • 2WD
  • AUTOMATIC
  • 190,000 MILES
Have checked all fuses and relays and replaced the coolant sensor by the thermostat. Fans only work when the A/C is on.
Sunday, July 21st, 2024 AT 9:31 AM

1 Reply

Tiny
JACOBANDNICKOLAS
  • MECHANIC
  • 110,194 POSTS
Hi,

If the engine is cool, only one fan should turn on with the A/C. It would be the condenser fan. The other fan, the radiator cooling fan, operates when a specific coolant temperature is reached. Is the vehicle overheating? Let me know.

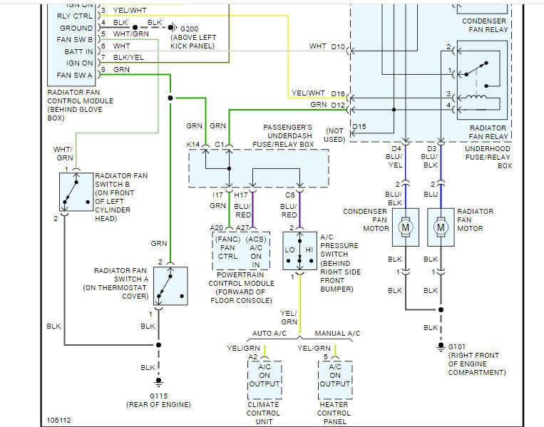
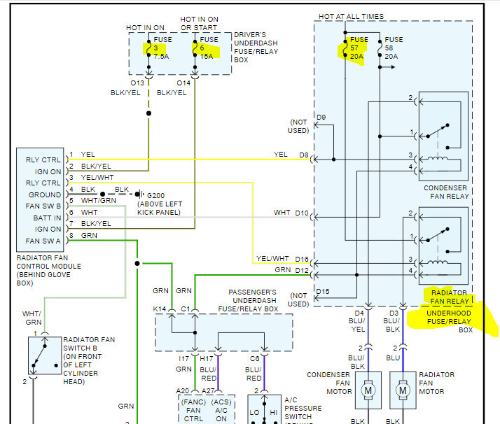
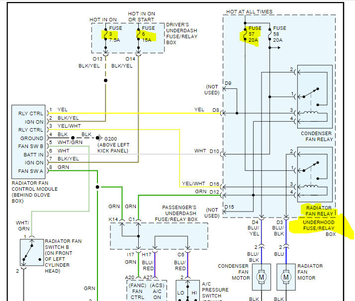
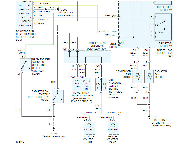
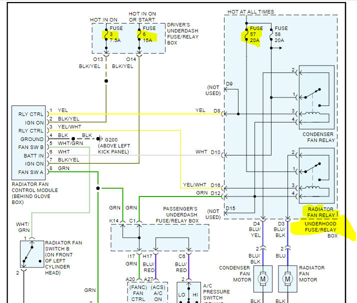
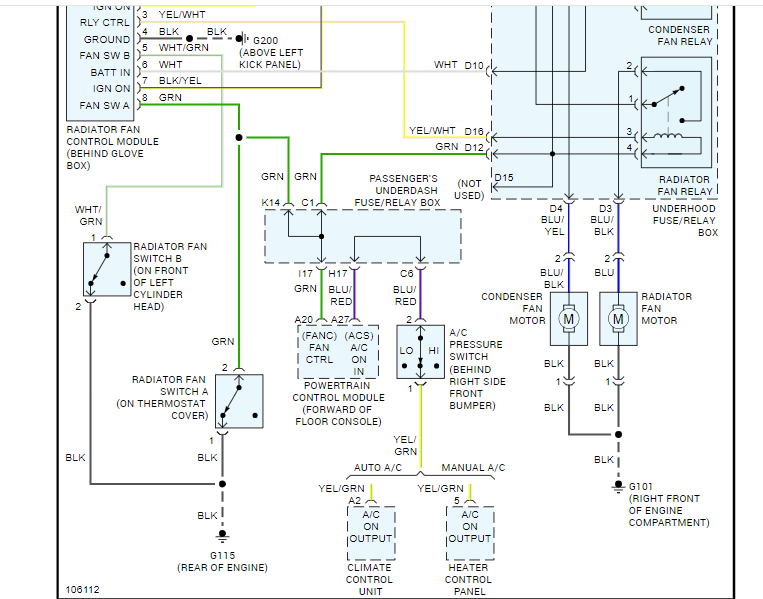
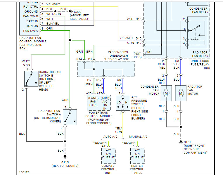
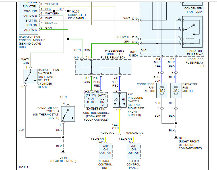
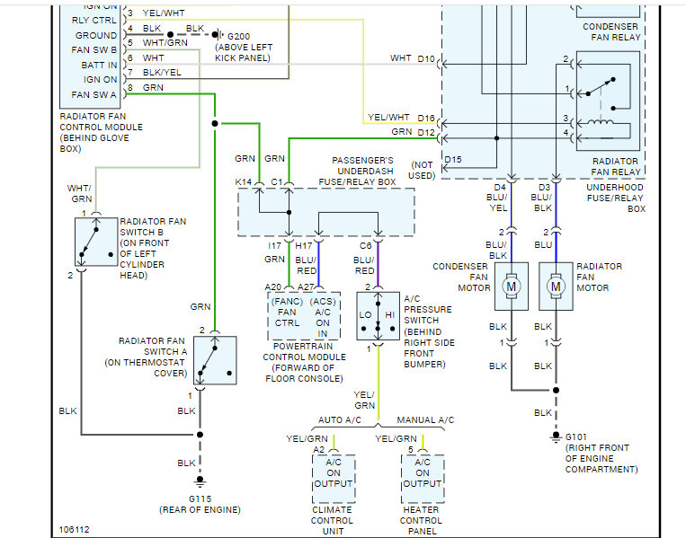
Next, I attached the wiring schematic for the cooling fans circuits. There are four fuses I need checked. In addition to just checking the fuse, confirm there is power to and from the fuse. See pics 1 and 2 below.

Here is a link you may find helpful:

https://www.2carpros.com/articles/how-to-check-a-car-fuse

If the fuses are good and have power, locate the radiator fan relay in the under-hood fuse box and switch it with a different one having the same part number. See if that changes things.

Last, if the engine is overheating and the fan still doesn't turn on, disconnect the electrical connector. Using a test light or multimeter, see if there is power present at the blue wire.

Let me know what you find or if you have other questions.

Take care,

joe

See pics below. Note: I had to cut the pic in half to make it readable. I did overlap the two so you can follow from one to the next.
Was this
answer
helpful?
Yes
No
Sunday, July 21st, 2024 AT 7:22 PM

Please login or register to post a reply.