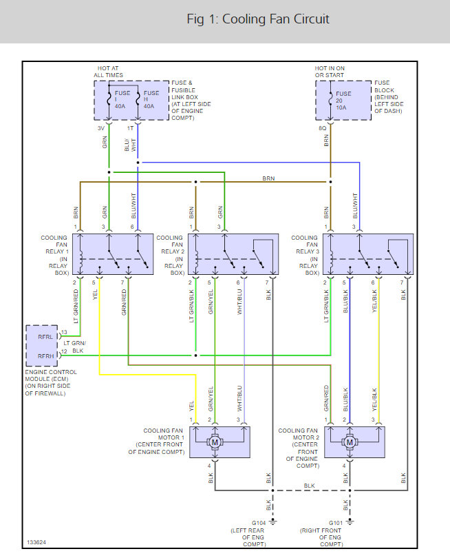
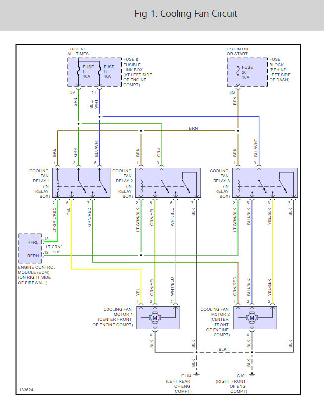
also I have codes p1126, P1140 and p1130 up. And I still cannot get the radiator fans to come on unless the AC is on. Yes the car goes up to the hot line before anyone asks. Note: I said fans both fans are working when AC is on just not when AC is off.
Thursday, September 6th, 2018 AT 3:28 PM

