Cooling fans not working properly

Tiny
ALEX 60597
  • MEMBER
  • 2011 VOLKSWAGEN PASSAT
  • 3.6L
  • VR6
  • 4WD
  • AUTOMATIC
  • 55,000 MILES
Cooling fans comes on whenever, randomly, hot or cold when car is parked and keys out of ignition at full power, every now and then. ECU states no faults.
Tuesday, September 14th, 2021 AT 6:51 AM

1 Reply

Tiny
JACOBANDNICKOLAS
  • MECHANIC
  • 110,194 POSTS
Hi,

Since it is random, it could be the module or a connection issue. First, check to make sure the coolant temp sensor (upper rad hose) is in good condition and the connector is tight, free of corrosion, and not damaged.

Next, check the cooling fan module mounted on the fan motor. Check the same things as far as a connection issue. On this connector, make sure to inspect the connector plug for damage that may allow the pins to touch.

Here is a link you may find helpful:

https://www.2carpros.com/articles/how-to-check-wiring

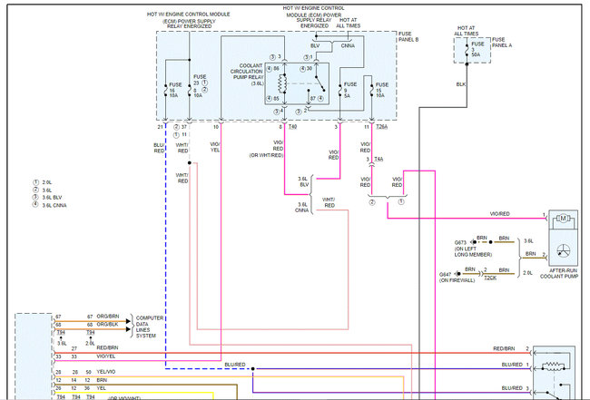
I attached a copy of the wiring schematic for the cooling fans below. I had to cut it in half to make it readable, but I did overlap them so you can follow from one to the next.

Let me know what you find.

Take care,

Joe

See pics below. Note: If there are no obvious wiring issues, you will likely need to have the can-bus system scanned for codes.
Was this
answer
helpful?
Yes
No
+2
Tuesday, September 14th, 2021 AT 8:10 PM

Please login or register to post a reply.