Wednesday, July 4th, 2018 AT 5:08 PM
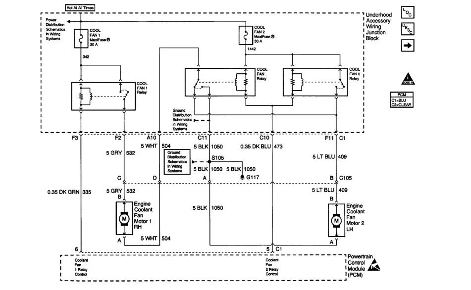
Hi. On my van (similar to the Venture), the cooling fans are not operating properly. (Causing the engine to run hot in the summer, especially in stop and go traffic.) The driver side fan does not come on ever, and the passenger side fan comes on only after the vehicle reaches very high temperatures (above 260 or so) or when the A/C is on. Over the past year, I have changed the coolant temperature sensor and the thermostat (twice actually). I know that both cooling fan motors work, as they come on when directly connected to the battery. I have changed all three relays, and the fan fuses appear good. Of note, when I disconnect the temperature sensor (with engine running), only the passenger side fan comes on (the driver side fan does not). I did detect what appears to be modest heat stress, slight melting at the end of one of the wiring harness connectors, at the junction with the fan assembly. I suspect a wiring issue, but how do I test for that? (And please do not tell me I can only do so with a pro scan tool)
