Thursday, September 19th, 2024 AT 6:26 PM
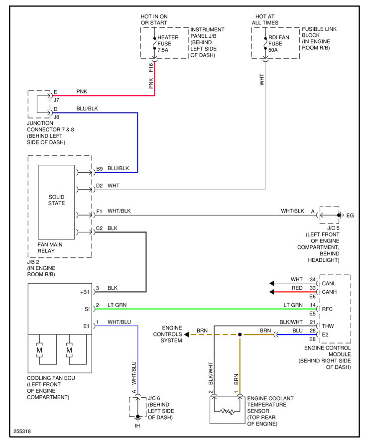
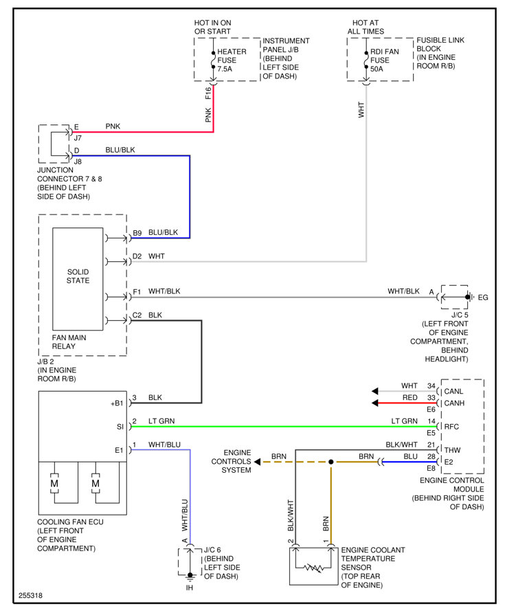
I know where the temperature sensor is for the gauge, and when I unplug it, the fans do come on. I would have thought there would be a different temp sensor for the cooling fans and if there is I can't find it. The problem is the fans only come on if the AC is on or if I unplug the temperature sensor that controls the gauge. The fans do not come on any other way. With my diagnostic equipment plug in when the temperature gets to 205, I turn the A/C on, the fans come on and the engine temperature drops to 190 ish. There are no codes except for the code when I unplugged the temp sensor. I assume the rx350's fans should come on at 200.


