Sunday, June 26th, 2022 AT 10:48 PM
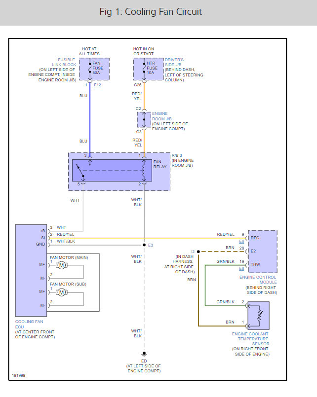
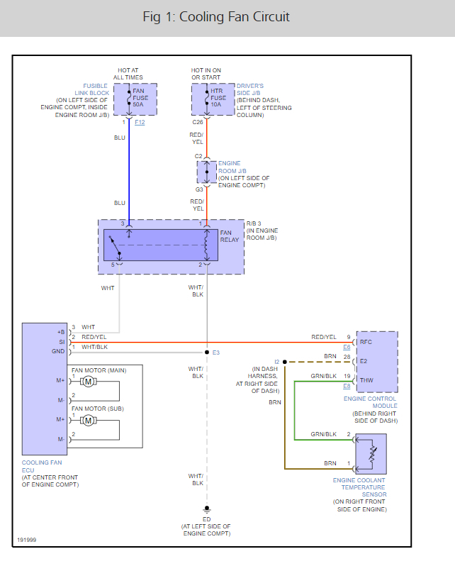
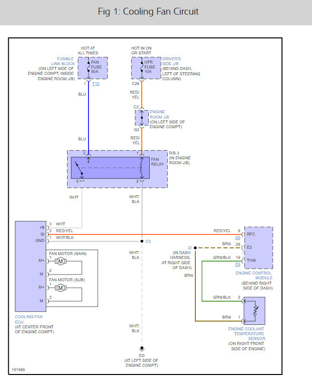
The cooling fans are not working. There is power on supply to the fan controller, but the module does not run the fans. What voltage is expected from the small wire that comes with the power cable?
