Cooling fan failure

Tiny
DA GOAT JMC
  • MEMBER
  • 2011 CHEVROLET CAMARO
  • 6.3L
  • V8
  • 2WD
  • AUTOMATIC
  • 93,000 MILES
My cooling fan assembly wasn’t working. I replaced them with new ones and the relay and the new cooling fan still doesn’t work.
Friday, May 17th, 2019 AT 6:13 AM

2 Replies

Tiny
KEN L
  • MASTER CERTIFIED MECHANIC
  • 55,302 POSTS
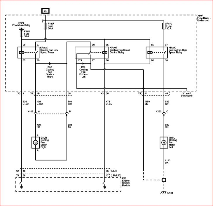
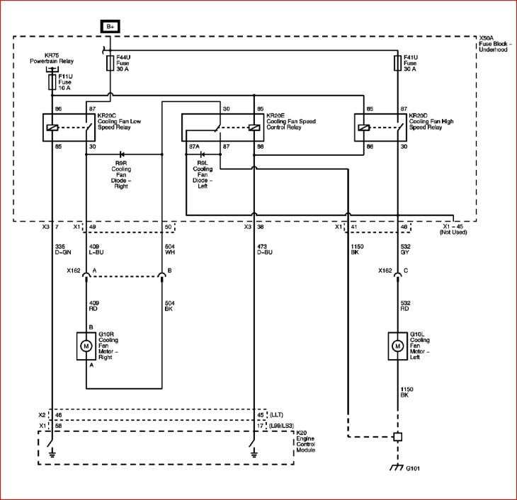
It sounds like you have a coolant sensor that is not working or you lost power to fuse for the cooling fan under the hood. Here is a guide to help check for power and the fuse panel location along with the cooling fan wiring diagrams so you can see how the system works:

https://www.2carpros.com/articles/how-to-check-a-car-fuse

Check out the diagrams (below). Please let us know what you find. We are interested to see what it is.
Was this
answer
helpful?
Yes
No
Saturday, May 18th, 2019 AT 11:47 AM
Tiny
KASEKENNY
  • MECHANIC
  • 18,907 POSTS
Hi,

Thanks for your question.

I attached the testing when the fan are inoperative. Basically, it has you run through your wiring but if you have a scan tool that can activate your fans for testing, that will be the easiest way to prove out wiring.

However, if you don't have a scan tool, please refer to the wiring diagram. You will need to make sure you have power at the fans themselves.

Keep in mind the ECM is responsible for grounding the two speed relays and the control relay. If you look at the diagram, it reads left to right. Power comes in on Fuse F11U and supplies power to the low speed relay. When the ECM wants to turn the fan on it grounds the control relay which grounds the low speed relay circuit, the relay closes which sends the power to the Right fan motor. Then when the ECM wants to turn the high speed fan on, it grounds the other relay.

If you have voltage coming out of the fuses, and your wiring checks out, then most likely your ECM is the issue.

Please let me know if you need more help going through this test or let me know you results and I can help decide if it is truly the ECM. Thanks
Was this
answer
helpful?
Yes
No
+1
Saturday, May 18th, 2019 AT 11:59 AM

Please login or register to post a reply.