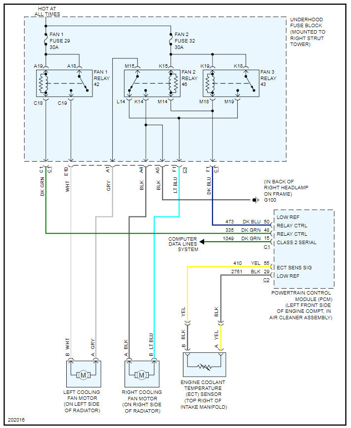
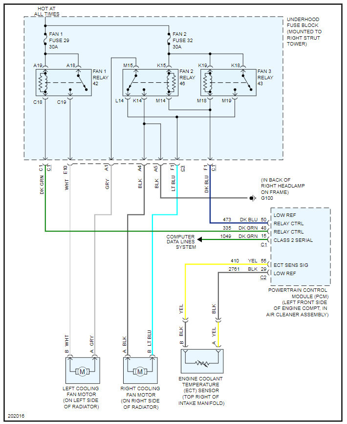
Cooling fan electrical schemATIC

Tiny
DDSJMO
  • MEMBER
  • 2005 BUICK LA CROSSE
  • 3.8L
  • 6 CYL
  • 2WD
  • AUTOMATIC
  • 120,000 MILES
No low or high speed radiator fans at 212F up to 228F, but can get fans to run with ac turned on, already tested all 3 fan relays are fine. Now I need a schematic.
Wednesday, April 15th, 2020 AT 3:23 PM

5 Replies

Tiny
KASEKENNY
  • MECHANIC
  • 18,907 POSTS
Here is your diagram. Can you get both fans to come on with the AC on? If that is the case then you know the PCM can command them on but you need to find out why it is not commanding them on based on engine temp. This means either the temp sensor is faulty of the PCM is not commanding them on based on this temperature. Have you checked for codes yet?

If not, here is a guide that will help. If you have, what codes did you get if any?

https://www.2carpros.com/articles/checking-a-service-engine-soon-or-check-engine-light-on-or-flashing

Let us know what you find. Thanks
Was this
answer
helpful?
Yes
No
Wednesday, April 15th, 2020 AT 4:00 PM
Tiny
DDSJMO
  • MEMBER
  • 3 POSTS
Yeah, it had 2 codes; P0128 and P1258. I initially checked the codes, cleared them with my actron:cp9575 code reader, started the car and watched live data on the temp sensor go from 180 to 228 F - that took 15 to 25 minutes with the hood up. No low speed or high speed fan at any temp. 2 hours later and car cooled down I turned on the separate AC button at 195-198F the left fan(Passenger side) ran on high for a only a few minutes then went into low speed, while the right fan(driver side) ran slower never high, after seeing your schematic it looks like there must be a dual windings on 1 fan motor(for 2 speed operation) while the other fan is a single speed. After a long time to get the temp up to 228-230F only both fans ran on low speed, never got a hi speed again. Shut down the car and let cool. All 3 fan relays check fine with hot wired the coils and ohmed the contacts, ohms seemed good not like dirty contacts and high ohm reading. So the fact that I got temperature in Fahrenheit from the PCM on my scanner should seem to tell me the temp switch/sensor was talking to the PCM. I got a 40 step instructions from a buddy off Alldata but I need a scan tool to now go further.I couldn't find the diagram on this lacrosse only other Buick which I could see were not the proper ones for this car, so thank you for that now I gotta see if there is any way without the scan tool to use a meter, test lite, jumpers, etc to keep going. I wonder if the pcm ground is it's metal housing and a corroded bolt, or gonna be a separate wire/group of wires under the dash or in the engine compartment to see if it's a ground issue, other wise it's going to be the darn PCM? Okay, where's the PCM at? Lol. Dash or engine bay?
Was this
answer
helpful?
Yes
No
Friday, April 17th, 2020 AT 5:50 PM
Tiny
KASEKENNY
  • MECHANIC
  • 18,907 POSTS
Maybe this will help. Here are the actual steps for these codes. Follow the P0128 because the other code is just information on the fact that it overheated. This doesn't appear to require a scan tool.

The PCM is in the engine bay. I included the info about this as well.

Let me know what you find. Thanks
Was this
answer
helpful?
Yes
No
Saturday, April 18th, 2020 AT 7:19 PM
Tiny
DDSJMO
  • MEMBER
  • 3 POSTS
Okay, got it. But you said engine bay PCM included, I guess it's driver side black box, fender well. Relays okay, fuses, okay, ground, okay.
Was this
answer
helpful?
Yes
No
Saturday, April 25th, 2020 AT 5:17 AM
Tiny
KASEKENNY
  • MECHANIC
  • 18,907 POSTS
Here is the ground location and PCM location. The PCM says it is the front left corner of the engine bay and the ground bolt for the PCM is on a transmission stud near the starter. Just follow the black/white wire from the PCM down and it will lead you to it. Let me know if you need more info and I will help how I can. Thanks.
Was this
answer
helpful?
Yes
No
Saturday, April 25th, 2020 AT 9:27 AM

Please login or register to post a reply.