Cooling fan not working?

2016 CHEVROLET CAMARO
16,000 MILES • 6.2L • V8 • 2WD • AUTOMATIC
Avatar
INDO1107
  • MEMBER
  • 2 POSTS
Car overheated once at idle. Once it cooled, I turned on the A/C to find the fan wouldn't come on. I ran the car until it warmed up, but the fan never came on. The fuse and relay are both good but no fan on at all.
Feb 5, 2024 at 3:31 PM
Repair Safety Notice: This information is for general instructional purposes only. Vehicle repair can be dangerous. Verify all information, follow manufacturer service procedures, use proper tools and safety equipment, and consult a qualified repair shop when needed.
Advertisement
Avatar
STRAILER
  • AUTOMOTIVE REPAIR CONTRIBUTOR
  • 54,181 POSTS
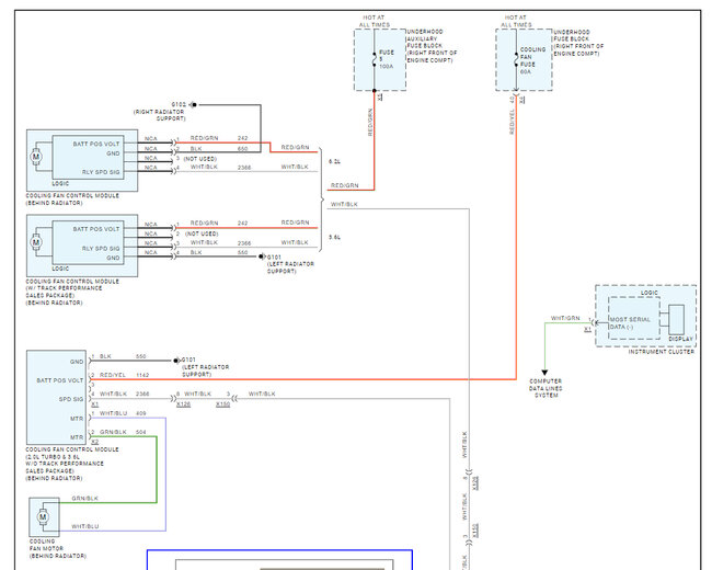
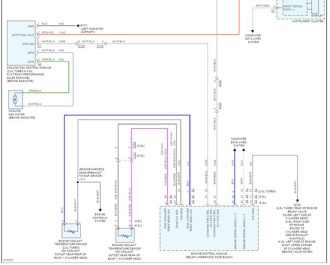
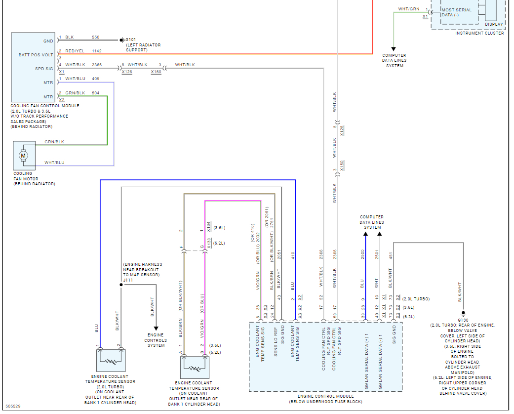
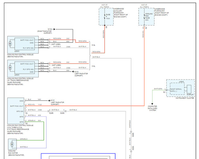
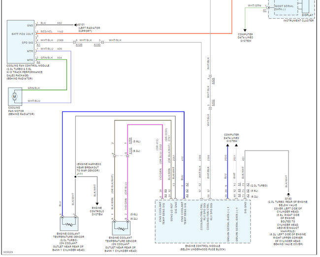
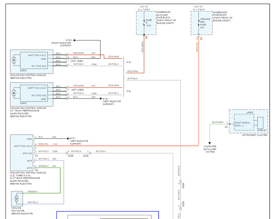
It sounds like the cooling fan motor or control module has gone out but first we need to check the fuse # 5 - 100 amp in the fuse panel at the right front of the engine compartment and the cooling fan fuse - 60 amp in the same fuse panel.

This guide can help:

https://www.2carpros.com/articles/how-to-check-a-car-fuse

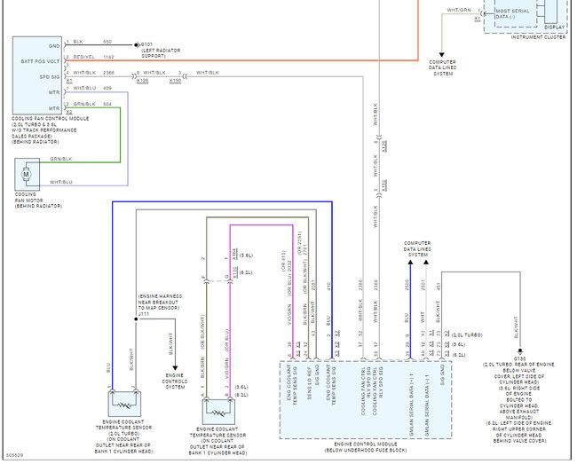
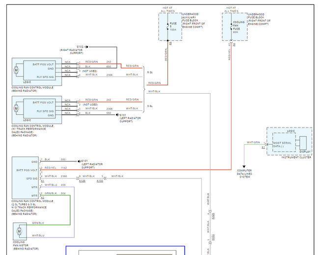
If the fuses are okay let's check the ground connection g102 at the right radiator support, if that looks okay, I would replace the fan control module and fan motor once is sold together as a unit. Here are the wiring diagrams so you can see how the system works and the fuse locations as well as how to change the fan motor out so you can see what needs to be done. Check out the images (below). Please upload pictures or videos in your response to the problem so we can see what's going on.
Feb 6, 2024 at 12:24 PM
Advertisement
Avatar
INDO1107
  • MEMBER
  • 2 POSTS
The fuses are both good. I have power to ground at the fuse and the fan plug. Ground to power as well. The fan should always come on with A/C, correct? It doesn't. Could this be caused by maybe the thermostat or one of the temperature sensors? Just hoping it's not the fan itself.
Feb 6, 2024 at 6:52 PM
Avatar
STRAILER
  • AUTOMOTIVE REPAIR CONTRIBUTOR
  • 54,181 POSTS
Thanks for the images. yes, the cooling fan should come on with the A/C, but it can take a minute or two. If you have been driving with the A/C on and the fan in not on that is not good, it sounds like the fan motor/module has gone out.
Feb 8, 2024 at 9:13 AM
Avatar
STRAILER
  • AUTOMOTIVE REPAIR CONTRIBUTOR
  • 54,181 POSTS
anything?
May 10, 2024 at 5:34 PM