Coolant temperature sensor?

Tiny
DAVID300
  • MEMBER
  • 2017 KIA SEDONA
  • 3.3L
  • V6
  • 2WD
  • AUTOMATIC
  • 105,000 MILES
The coolant temperature sensor went bad so I wanted to change it, but when I got to it I notice that for some reason the previous owner got rid of the connector and just connected 2 terminal to the pins, and it was working fine. But, the problem is that the terminals unplugged and I’m not sure in which of the 4 pins they are supposed to go. I have 2 terminals but the sensor have 4 pins.
Monday, July 27th, 2020 AT 10:51 AM

15 Replies

Tiny
KASEKENNY
  • MECHANIC
  • 18,907 POSTS
Can you get a picture of the sensor that you are replacing and the one you are replacing it with? Are they the same?

The reason I ask is because the engine coolant temp sensor is supposed to be a 2 wire sensor as shown in the wiring diagram.

If the sensor you are taking out is a 4 wire sensor as well then we have an issue somewhere.

Let's clarify this and go from there. Thanks
Was this
answer
helpful?
Yes
No
Monday, July 27th, 2020 AT 1:36 PM
Tiny
DAVID300
  • MEMBER
  • 2 POSTS
The old one and the new one.
Was this
answer
helpful?
Yes
No
+1
Monday, July 27th, 2020 AT 2:27 PM
Tiny
KASEKENNY
  • MECHANIC
  • 18,907 POSTS
Okay. Clearly you have the correct sensor. Looks like pin 1 and 2 are not used. Take a look at the diagram attached.

At this point you will either need to put the wires back on the way they had it or replace the connector end or entire harness. Clearly all you need is the connector so I would not replace the entire harness.

Let me know what questions you have.
Was this
answer
helpful?
Yes
No
Monday, July 27th, 2020 AT 7:01 PM
Tiny
CMCQUIVE
  • MEMBER
  • 1 POST
  • 2008 KIA SEDONA
  • 3.8L
  • 6 CYL
  • 2WD
  • AUTOMATIC
  • 150,000 MILES
Check engine light, diagnoses as code p0840. Shop told me it was the fan control module that was bad, causing both my fans to not turn on. Said I was lucky not to overheat. Drove home and ordered factory Kia replacement fan control module. Replaced with new module. Still the fans do not work and check engine light reappeared. Engine appears to get really hot yet my gauge says I am fine. My question is this, could it be a faulty coolant temperature sensor, that fails to tell the computer the engine is hot, therefore the fan control module is not told to kick the fans on? That is my next theory anyway. Does that sound logical? I ask because I suspect my engine is much hotter then my gauge says and the fans will not ever turn on no matter how hot. Am I on the right track? Thanks.
Was this
answer
helpful?
Yes
No
Saturday, December 19th, 2020 AT 9:56 AM (Merged)
Tiny
KHLOW2008
  • MECHANIC
  • 41,814 POSTS
Hi CMCQUIVE,

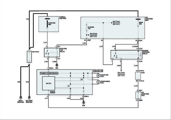
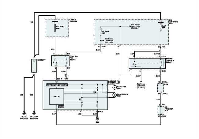
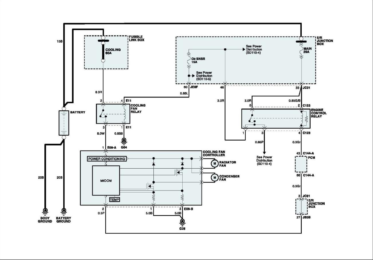
For a fault with the coolant temperature sensor, I believe you have typed in the wrong code. It should be P0480 and not as that shown in your question.

Each code is specific to the cause of the problem and in this case it does not mention the engine coolant temperature as possible cause so the possibility of it being faulty is not high.

To understand if the engine is running hot, a scan tool would allow you to read the coolant temperature of the engine. Guesswork is not a good idea for technical problems.

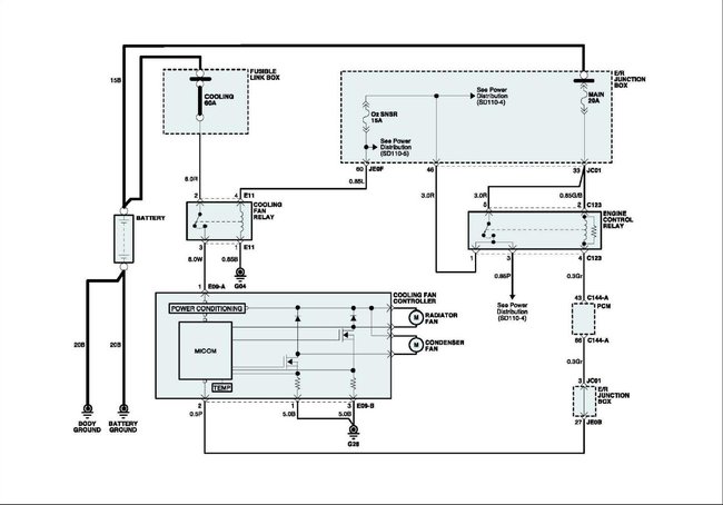
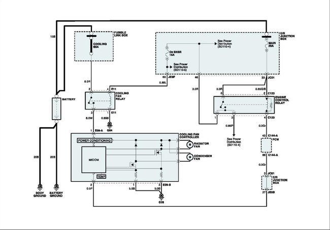
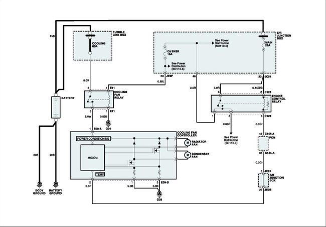
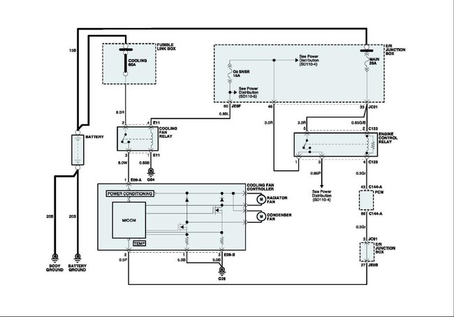
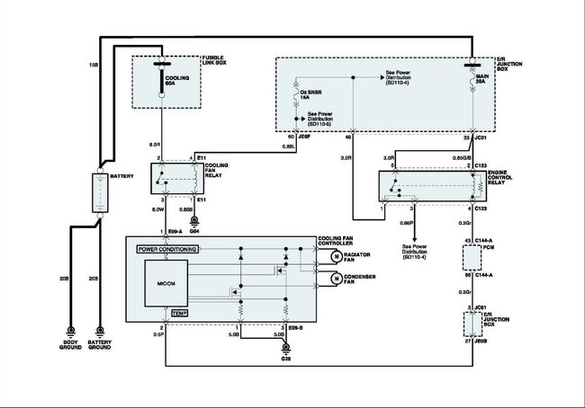
The attached diagram gives brief description of the problem and possible causes. Use the schematic diagram to find possible fault areas or components.

You have replace the fan relay and that leaves you with a few other possibilities.

One of the most common cause would be a bad connection or ground circuit which should have been checked in the first instance. If no fault had been found with the wiring circuit, that would leave you with the PCM to check next.

A missing power supply to the cooling fan would cause this as well. Check terminal 1 of cooling fan relay for battery voltage with ignition switch turned on. If voltage is not present,

Check if cooling fan fusible link 60A is open or not installed.
Check if cooling fan relay is not installed or faulty.
Check if the line between cooling fan relay and Cooling fan module is open.
Was this
answer
helpful?
Yes
No
Saturday, December 19th, 2020 AT 9:56 AM (Merged)
Tiny
MADKAE333
  • MEMBER
  • 1 POST
  • 2006 KIA SEDONA
  • 6 CYL
  • 2WD
  • AUTOMATIC
  • 71,000 MILES
Where is the coolant temperature sensor located?
Was this
answer
helpful?
Yes
No
+2
Saturday, December 19th, 2020 AT 9:56 AM (Merged)
Tiny
KEN L
  • MASTER CERTIFIED MECHANIC
  • 55,322 POSTS
Hello,

The coolant sensor is on the block down low on one diagram and then up toward the top on another. Here is guide that will show you what you are in for when doing the job.

https://www.2carpros.com/articles/coolant-temperature-sensor-cts-replacement

Here are both sets of locations so you can find it (below) Please let us know if you need anything else to get the problem fixed.
Was this
answer
helpful?
Yes
No
+2
Saturday, December 19th, 2020 AT 9:56 AM (Merged)
Tiny
WMHUPP
  • MEMBER
  • 1 POST
  • 2004 KIA SEDONA
  • 6 CYL
  • FWD
  • AUTOMATIC
  • 105,000 MILES
I need to replace this part. I can't find it's location. Please help.
Was this
answer
helpful?
Yes
No
Saturday, December 19th, 2020 AT 9:56 AM (Merged)
Tiny
KASEKENNY
  • MECHANIC
  • 18,907 POSTS
I am attaching the process on how to replace this from the manual below. Please take a look at this and it shows the location on where it is on the passenger side of the engine.

Please let us know what other info that you need. Thanks
Was this
answer
helpful?
Yes
No
Saturday, December 19th, 2020 AT 9:56 AM (Merged)
Tiny
SIGNALRANGER
  • MEMBER
  • 1 POST
  • 2006 KIA SEDONA
  • 6 CYL
  • 2WD
  • AUTOMATIC
  • 47,500 MILES
I thought I found the sensor. It was almost identical to the replacenment, but it smelled like gas. I reinstalled it. I have been all over the thermostat housing area and no luck. This shouldn't be this hard, but Kia engines are weird. Can you please tell me the exact location of this pesky sensor.
Was this
answer
helpful?
Yes
No
Saturday, December 19th, 2020 AT 9:56 AM (Merged)
Tiny
RASMATAZ
  • MECHANIC
  • 75,992 POSTS
2006 Kia Truck Sedona V6-3.8L

ENGINE COOLANT TEMPERATURE SENSOR


https://www.2carpros.com/forum/automotive_pictures/12900_ects_1.jpg




https://www.2carpros.com/forum/automotive_pictures/12900_ects1_1.jpg

Was this
answer
helpful?
Yes
No
+8
Saturday, December 19th, 2020 AT 9:56 AM (Merged)
Tiny
LOUISKING
  • MEMBER
  • 2 POSTS
I have a similar issue, coolant temperature sensor not connected, and lots of technicians can't find the right connection for it.
Was this
answer
helpful?
Yes
No
Sunday, April 3rd, 2022 AT 7:19 AM
Tiny
KASEKENNY
  • MECHANIC
  • 18,907 POSTS
Just to be sure what you're dealing with, they are looking for a new connector to splice onto the wiring harness but are not able to find this specific connector?

If that is the case, can you provide your specific vehicle info, and I will see what I can find? Thanks
Was this
answer
helpful?
Yes
No
Sunday, April 3rd, 2022 AT 11:00 AM
Tiny
LOUISKING
  • MEMBER
  • 2 POSTS
Yes. The coolant sensor is there, but it's not connected, kia Rio 2009.
Was this
answer
helpful?
Yes
No
Monday, April 4th, 2022 AT 12:39 AM
Tiny
KASEKENNY
  • MECHANIC
  • 18,907 POSTS
Okay. So, there is a sensor with no connector plugged into and they cannot find the connector as part of the harness?

Is this car new to you? Did you just buy it?

The only thing I can think of is someone disconnected it and wrapped it up out of the way for some reason, so it is not just hanging there.

However, I feel like I am still not understanding so is it possible to get a picture of this sensor so we can get on the same page?

Thanks
Was this
answer
helpful?
Yes
No
Monday, April 4th, 2022 AT 7:33 PM

Please login or register to post a reply.