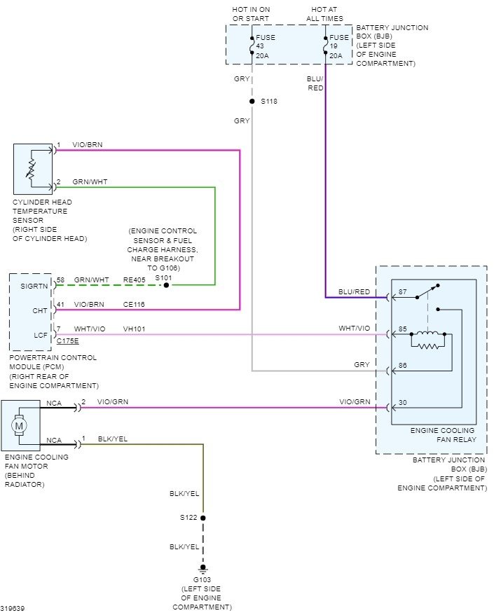
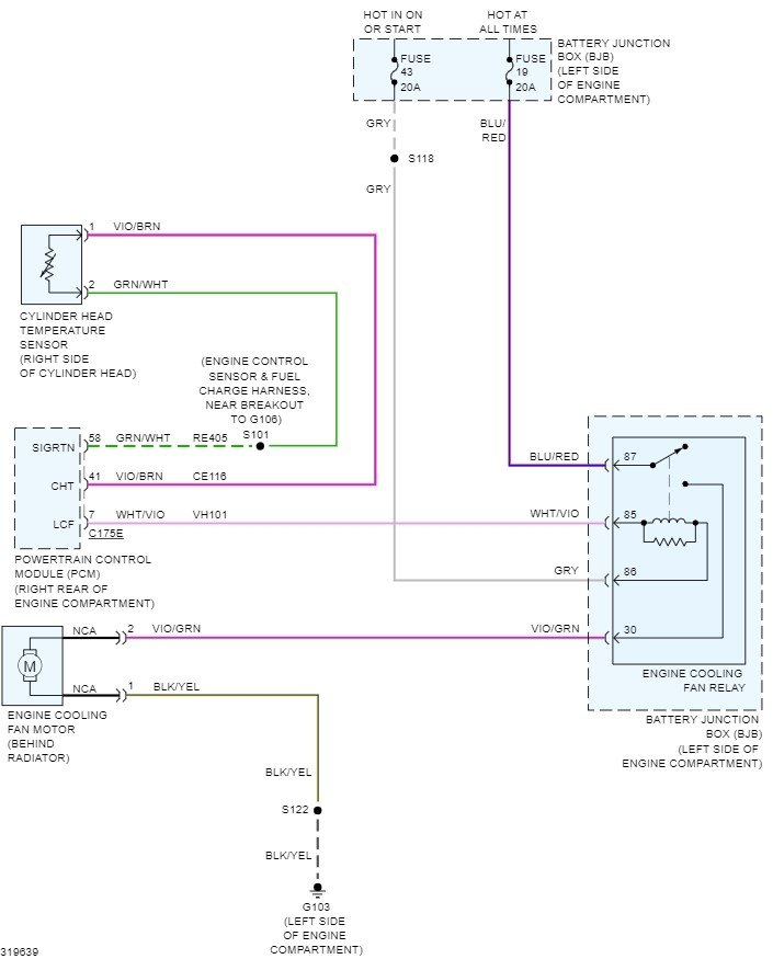
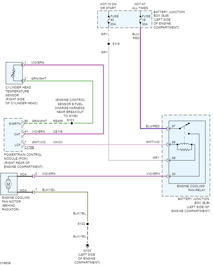
Where is the Coolant temperature sensor location on a 2010 ford Ranger 2.3 liter / 4 cylinder engine
Images would be very helpful
Images would be very helpful
Nov 23, 2021 at 1:15 PM


