Coolant temperature sensor location

2008 CHEVROLET TRAILBLAZER
200,100 MILES • 2.1L • V6 • 2WD • AUTOMATIC
Avatar
MADEINTXS
  • MEMBER
  • 2 POSTS
Can’t seem to locate the sensor. Every diagram I’ve looked at shows it in a location that has nothing but metal or screws. Even the dealer couldn’t tell me.
Oct 26, 2019 at 8:08 PM
Repair Safety Notice: This information is for general instructional purposes only. Vehicle repair can be dangerous. Verify all information, follow manufacturer service procedures, use proper tools and safety equipment, and consult a qualified repair shop when needed.
Advertisement
Avatar
ASEMASTER6371
  • CAR REPAIR CONTRIBUTOR
  • 52,796 POSTS
Good evening,

I assume it is the 6 cylinder as there is no 2.1 motor.

I attached pictures for you to view. It is at the right rear of the engine.

Roy
Oct 26, 2019 at 8:15 PM
Advertisement
Avatar
MADEINTXS
  • MEMBER
  • 2 POSTS
Right meaning passenger side or driver side? There is nothing on top. So, is it underneath the last spark plug? The one that’s really hard to get to?
Oct 26, 2019 at 8:23 PM
Avatar
ASEMASTER6371
  • CAR REPAIR CONTRIBUTOR
  • 52,796 POSTS
The passenger side at the back of the motor. Yes, it is difficult to access.

Roy
Oct 26, 2019 at 8:33 PM
Avatar
JACQUELINE CELESTINE
  • MEMBER
  • 4 POSTS
Can someone tell me exactly where ECT sensor is located on the vehicle? A color pictures would help or a video showing exactly what to do. Thanks.
Nov 2, 2020 at 3:19 PM (Merged)
Avatar
CARADIODOC
  • CAR REPAIR CONTRIBUTOR
  • 34,308 POSTS
Temperature sensors have an extremely low failure rate because there is just one part inside them. What kind of problem are you trying to solve?
Nov 2, 2020 at 3:19 PM (Merged)
Avatar
JACQUELINE CELESTINE
  • MEMBER
  • 4 POSTS
I took the vehicle in too dealership because it kept shutting off. They put it on diagnostic machine and the code it through out. And check engine light is on. I am not good with diagram. I really want to know exactly where it is at on the vehicle. I thought it was behind alternator but I did not see it there.
Nov 2, 2020 at 3:19 PM (Merged)
Avatar
CARADIODOC
  • CAR REPAIR CONTRIBUTOR
  • 34,308 POSTS
First you need to list the exact diagnostic fault code number. There are multiple codes for temperature sensors, and they mean very different things.

Also be aware that fault codes never ever say to replace a part or that one is bad. They only indicate the circuit or system that needs further diagnosis, or the unacceptable operating condition. When a part is referenced in a fault code, it is actually the cause of that code about half of the time. Before we waste your money on a part, we have to rule out wiring and connector terminal problems, and mechanical problems related to that part.

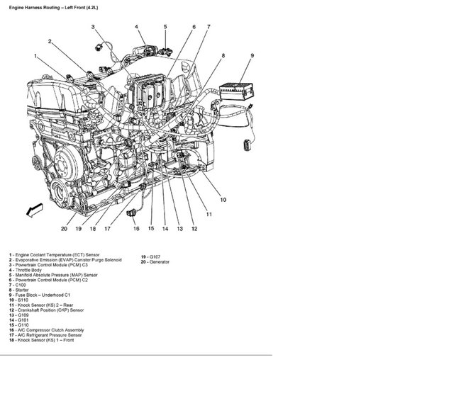
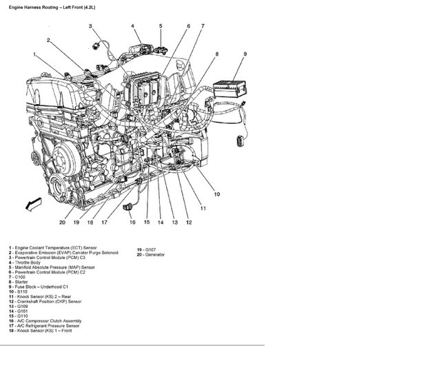
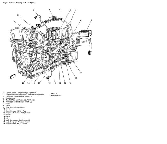
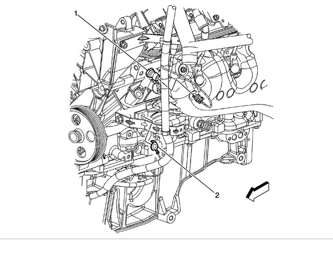
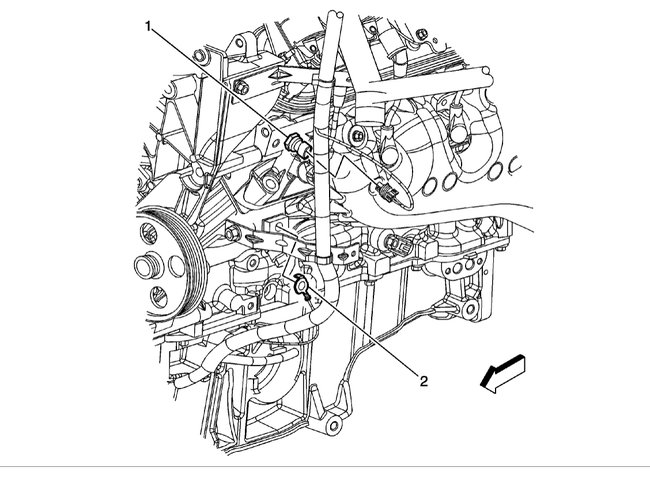
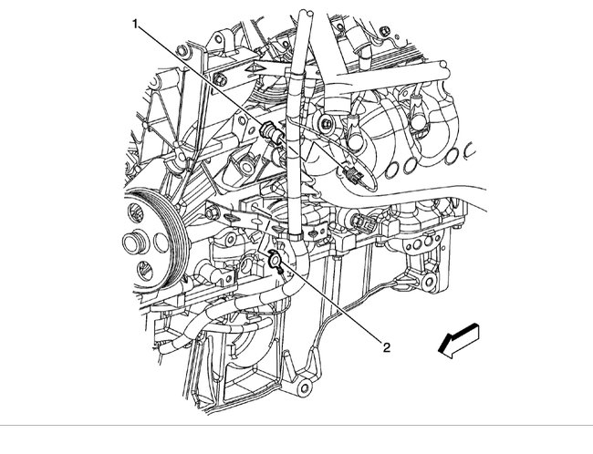
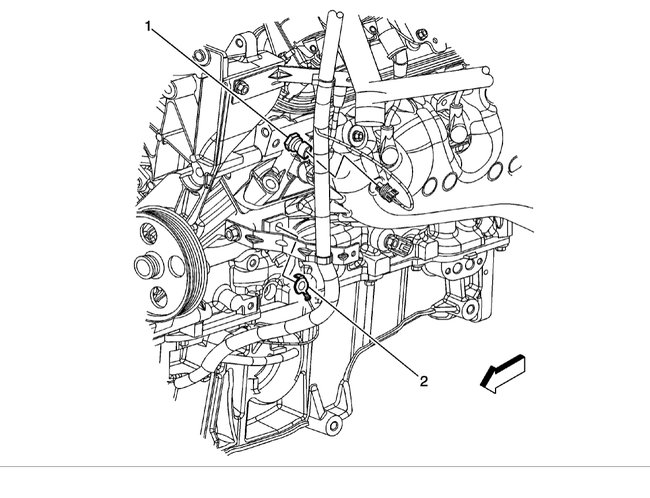
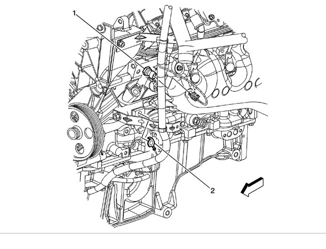
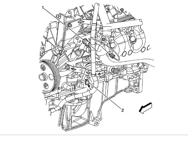
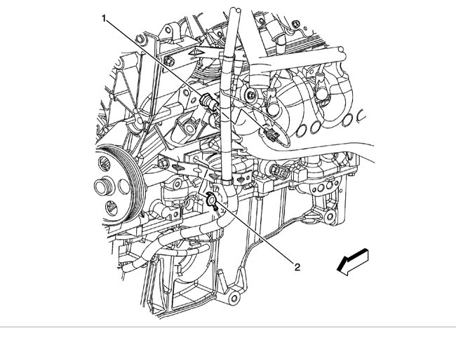
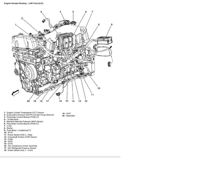
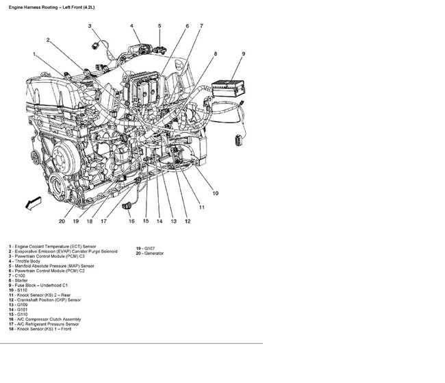
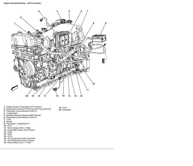
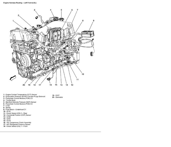
The coolant temperature sensor is number three on the drawing. It sits just under the valve cover, and just above the exhaust manifold. The arrow at the top left is pointing toward the front of the vehicle, so this view should be as though you were standing just behind the passenger-side front wheel. The sensor will be at the rear of the engine, on the passenger side.
Nov 2, 2020 at 3:19 PM (Merged)
Avatar
JACQUELINE CELESTINE
  • MEMBER
  • 4 POSTS
Thank you so much.
Nov 2, 2020 at 3:19 PM (Merged)
Avatar
STRAILER
  • CAR REPAIR CONTRIBUTOR
  • 54,223 POSTS
Use 2CarPros anytime, we are here to help. Please tell a friend.

Cheers, Ken
Nov 2, 2020 at 3:19 PM (Merged)
Avatar
SAEED2014
  • MEMBER
  • 2 POSTS
im trying to replace the coolant temp sensor on my 07 trailblazer lt 4.2L ive looked at past posts on this site that say it is just above the thermostat but its not there from what i can tell its on the back of the motor on the passanger side any ideas how the best way to change this would be very helpful reason for replacing is im have a problem with the idle jumping while parked or sitting at stop light took it to dealer hoping it would be under warranty they say it is the thermostat, coolant temp sensor, air pump, and the air pump check valve
Nov 2, 2020 at 3:19 PM (Merged)
Avatar
KNOWLEDGE IS POWER
  • EXPERT
  • 1,136 POSTS
I would start with the coolant temp sensor.
Nov 2, 2020 at 3:19 PM (Merged)
Avatar
JACQUELINE CELESTINE
  • MEMBER
  • 4 POSTS
I sure will..
Nov 2, 2020 at 3:19 PM (Merged)
Avatar
JOSE RAUL VASQUEZ ENCINAS
  • MEMBER
  • 1 POST
I now need to know if the engine of the 2005 model has the sensor in the same place as 2006. Thank you
Nov 2, 2020 at 3:19 PM (Merged)
Avatar
STRAILER
  • CAR REPAIR CONTRIBUTOR
  • 54,223 POSTS
Hello,

Yes the sensor is in the same place.

Please let us know if you need anything else to get the problem fixed.

Cheers, Ken
Nov 2, 2020 at 3:19 PM (Merged)
Avatar
MLYAGERS5
  • MEMBER
  • 1 POST
Electrical problem 6 cyl Two Wheel Drive Automatic

Where is the coolant temp sensor located on this engine ?
Nov 2, 2020 at 3:19 PM (Merged)
Avatar
STRAILER
  • CAR REPAIR CONTRIBUTOR
  • 54,223 POSTS
Hello,

Here is the coolant temperature sensor for both engines and a guide to give you an idea of what you are in for when doing the job.

https://www.2carpros.com/articles/coolant-temperature-sensor-cts-replacement

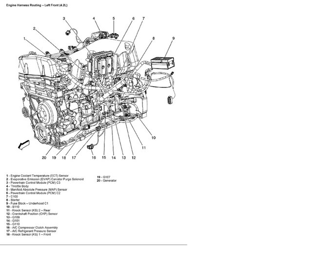
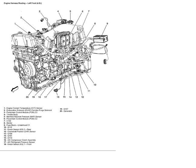
Here are the diagrams (below)

Please let us know what happens.

Cheers, Ken
Nov 2, 2020 at 3:19 PM (Merged)
Avatar
MARKHUNT09
  • MEMBER
  • 3 POSTS
Could I please be told where the ECT sensor is located for my vehicle it is the LS model? I need to replace mine due to a P0128 code. I watch a video on YouTube but It was For a 2005 Blazer.
Nov 2, 2020 at 3:19 PM (Merged)
Avatar
CARADIODOC
  • CAR REPAIR CONTRIBUTOR
  • 34,308 POSTS
P0128 - ECT below thermostat regulating temperature,

Coolant temperature sensors are usually near the thermostat housing. Code 128 is set from the readings from a properly-working coolant temperature sensor.

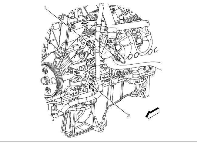
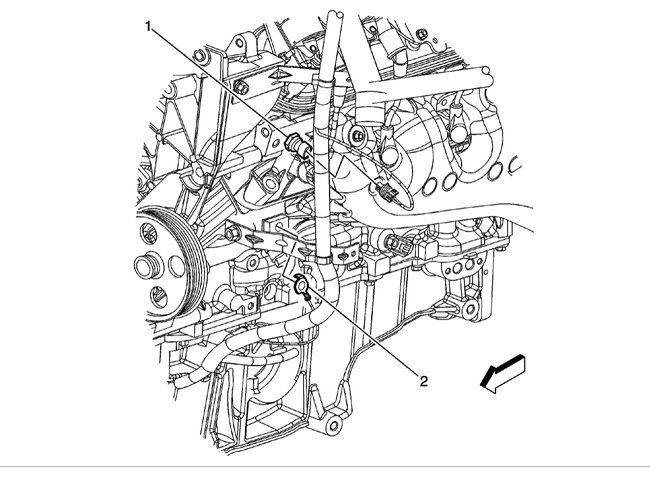
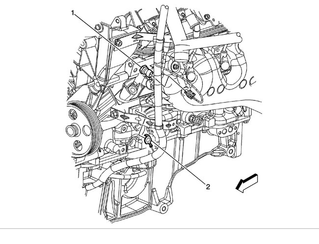
I tried multiple times to resize the image, but it always comes out the same. The CTS is item number 1. I added a red arrow pointing to it.
Nov 2, 2020 at 3:19 PM (Merged)
Avatar
HARRY P
  • CAR REPAIR CONTRIBUTOR
  • 2,292 POSTS
If you do not mind me jumping in here, I would suggest putting in a new thermostat with the OEM temperature rating. My Blazer throws this code when I am running a lower temperature thermostat or when the thermostat fails and gets stuck in the open position. the engine coolant is at too low of a temperature.
Nov 2, 2020 at 3:19 PM (Merged)
Avatar
MARKHUNT09
  • MEMBER
  • 3 POSTS
I am still having slight trouble locating the CTS. I took pictures and videos to try to help out.
Nov 2, 2020 at 3:19 PM (Merged)
Avatar
CARADIODOC
  • CAR REPAIR CONTRIBUTOR
  • 34,308 POSTS
I'm not familiar with your engine, but why are you looking for the sensor? Replacing the sensor won't solve the unacceptable condition it's reporting.

Coolant temperature sensors are usually close to or on the thermostat housing, and those are usually at the end of the upper radiator hose. As Heyman1104 said, the thermostat is the logical suspect. When it sticks open, the coolant doesn't stay in the engine long enough to get hot.
Nov 2, 2020 at 3:19 PM (Merged)
Avatar
HARRY P
  • CAR REPAIR CONTRIBUTOR
  • 2,292 POSTS
Dude, the code isn't telling you that the sensor is bad. It's telling you that the coolant is staying too cold. This happens when it either flows too freely (thermostat stuck open) or if the cooling fan is running at full speed constantly. Change the thermostat.
Nov 2, 2020 at 3:19 PM (Merged)
Avatar
MARKHUNT09
  • MEMBER
  • 3 POSTS
I guess I should have said that the thermostat was replaced already but I’m still getting the code. Thank you!
Nov 2, 2020 at 3:19 PM (Merged)
Avatar
HARRY P
  • CAR REPAIR CONTRIBUTOR
  • 2,292 POSTS
Here's the information that ALLData has on it, pictures and all. This is for the sensor that reports the temperature to the PCM, which is the one that you're needing. Hope it clarifies things for you.
Nov 2, 2020 at 3:19 PM (Merged)