Where is the coolant temperature sensor located?

Tiny
OLIVEOIL37767
  • MEMBER
  • 2008 SATURN OUTLOOK
  • 3.6L
  • 230,000 MILES
Can't find the location of the coolant temperature sensor.
Sunday, April 21st, 2024 AT 3:49 PM

5 Replies

Tiny
JACOBANDNICKOLAS
  • MECHANIC
  • 110,192 POSTS
Hi,

The coolant temperature sensor is located to the right of the alternator. See pic 1 below.

Also, I attached the directions for removing and replacing the sensor. Take a look through the directions and let me know if they help or if you have questions.

Take care,

Joe

See pics below.
Was this
answer
helpful?
Yes
No
+1
Sunday, April 21st, 2024 AT 6:40 PM
Tiny
STEVE W.
  • MECHANIC
  • 15,671 POSTS
It's on the front side of the engine, in the notched area of the exhaust manifold next to the alternator. Drain the cooling system (or rig up a way to keep it under vacuum) remove the old sensor, install the new one and tighten to 16 ft lb. Refill the system.

Might I ask why you think it's bad?
Was this
answer
helpful?
Yes
No
Sunday, April 21st, 2024 AT 6:56 PM
Tiny
OLIVEOIL37767
  • MEMBER
  • 3 POSTS
Thank you so much, very helpful!
Was this
answer
helpful?
Yes
No
Sunday, April 21st, 2024 AT 9:28 PM
Tiny
OLIVEOIL37767
  • MEMBER
  • 3 POSTS
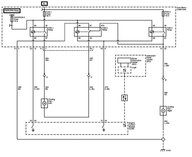
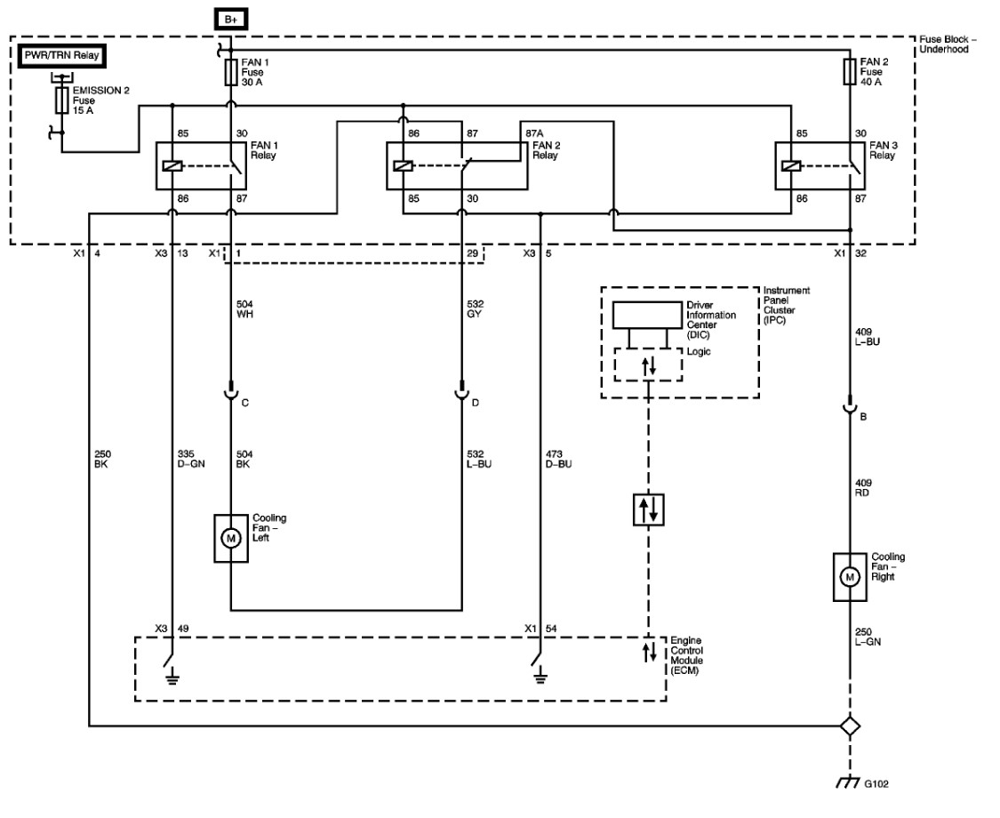
The fan is not working and it keeps getting hot.
Was this
answer
helpful?
Yes
No
Sunday, April 21st, 2024 AT 11:05 PM
Tiny
STEVE W.
  • MECHANIC
  • 15,671 POSTS
Okay, that could be a bad sensor, but it could also be a bad fan or fan relay. A quick test on many vehicles is to unplug the ECT with the engine running and see if the fans turn on. If you have access to a better scan tool that has bi-directional control you can usually test using it. So, if unplugging the sensor does turn on the fans it's more likely the sensor. If they don't turn on, then we need to dig deeper.
Was this
answer
helpful?
Yes
No
Monday, April 22nd, 2024 AT 12:54 PM

Please login or register to post a reply.