Engine temperature sensor location?

Tiny
PLOPPOL
  • MEMBER
  • 2009 FORD RANGER
  • 2.3L
  • 4 CYL
  • 2WD
  • AUTOMATIC
  • 100,000 MILES
Where is the engine temperature sensor located I need to replace it?
Wednesday, June 19th, 2019 AT 12:05 PM

14 Replies

Tiny
JACOBANDNICKOLAS
  • MECHANIC
  • 110,192 POSTS
Welcome to 2CarPros.

Removal and Installation

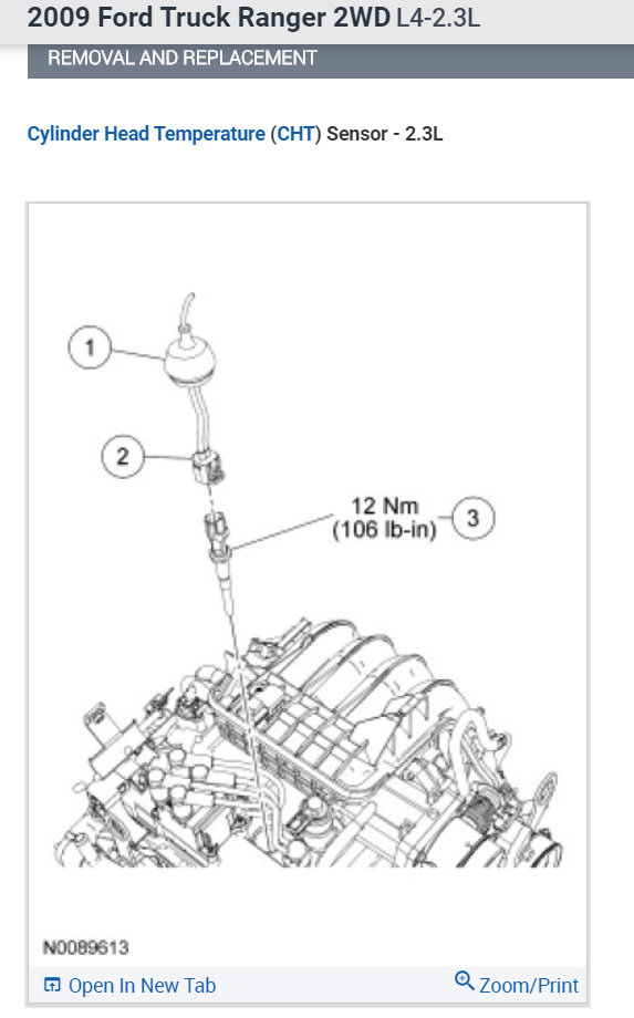
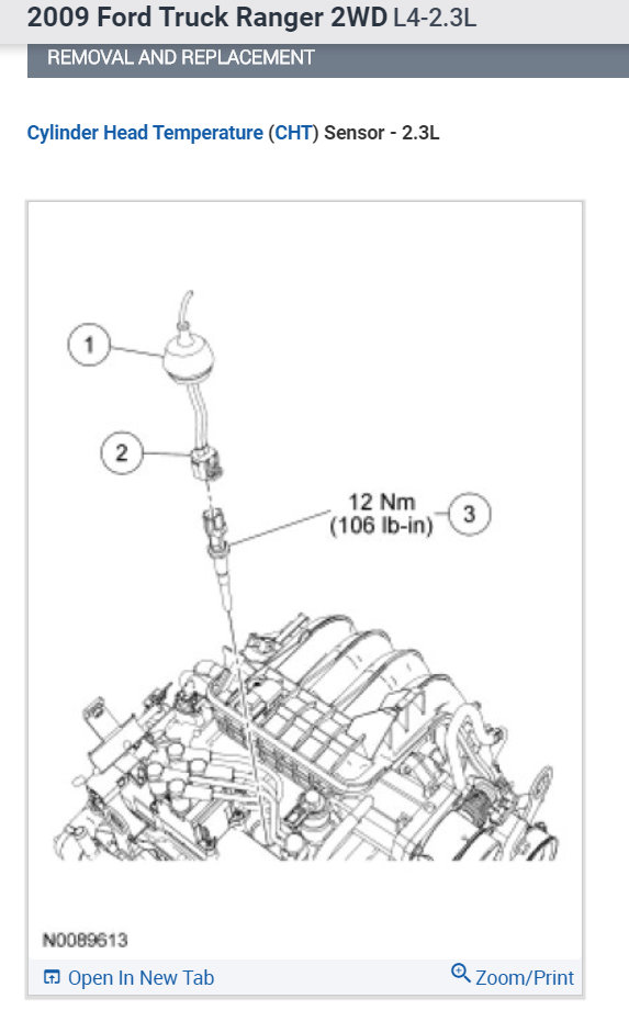
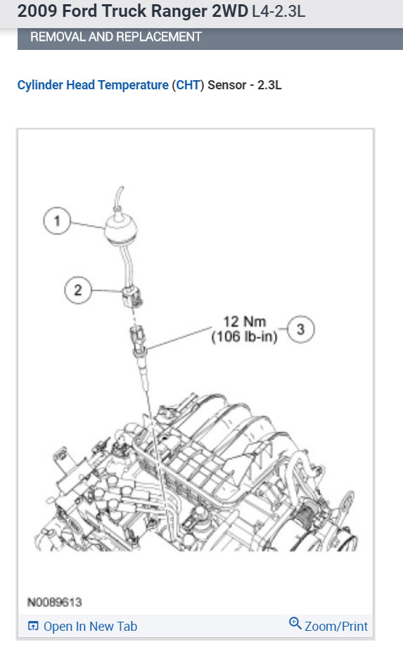
1. Pull back the Cylinder Head Temperature (CHT) sensor cover and disconnect the electrical connector.

2. Remove the CHT sensor.
- To install, tighten to 12 Nm (106 lb-in).

3. To install, reverse the removal procedure. He temp sensor for the computer is located in the cylinder head.

Check out the diagrams (Below). Please let us know if you need anything else to get the problem fixed.
Was this
answer
helpful?
Yes
No
-3
Wednesday, June 19th, 2019 AT 11:01 PM
Tiny
BOB WAGSTROM
  • MEMBER
  • 2 POSTS
  • 2001 FORD RANGER
Electrical problem
2001 Ford Ranger 4 cyl Two Wheel Drive Manual

The gauge does not register the temperature, it is always at zero.
Was this
answer
helpful?
Yes
No
Wednesday, October 28th, 2020 AT 1:57 PM (Merged)
Tiny
RASMATAZ
  • MECHANIC
  • 75,992 POSTS
Inspect and test the engine coolant temperature sender and also the engine coolant temperature sensor to include the wiring-if it checks out the temperatue gauge needs replacement
Was this
answer
helpful?
Yes
No
+2
Wednesday, October 28th, 2020 AT 1:57 PM (Merged)
Tiny
BOB WAGSTROM
  • MEMBER
  • 2 POSTS
Where is the temperature sender?

Bob
Was this
answer
helpful?
Yes
No
+2
Wednesday, October 28th, 2020 AT 1:57 PM (Merged)
Tiny
RASMATAZ
  • MECHANIC
  • 75,992 POSTS
On a 2.3L its on top right front of engine-No pic available

2.5L


https://www.2carpros.com/forum/automotive_pictures/12900_temperature_sender_25L_1.jpg

Was this
answer
helpful?
Yes
No
+2
Wednesday, October 28th, 2020 AT 1:57 PM (Merged)
Tiny
KITTYKAT43
  • MEMBER
  • 1 POST
  • 2001 FORD RANGER
  • 2.3L
  • 4 CYL
  • 2WD
  • MANUAL
  • 210,000 MILES
Where is it located and how do you replace it?
Was this
answer
helpful?
Yes
No
Wednesday, October 28th, 2020 AT 1:58 PM (Merged)
Tiny
JACOBANDNICKOLAS
  • MECHANIC
  • 110,192 POSTS
Hello,

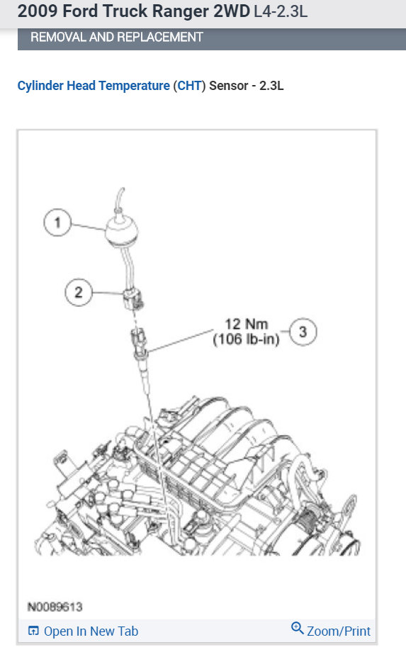
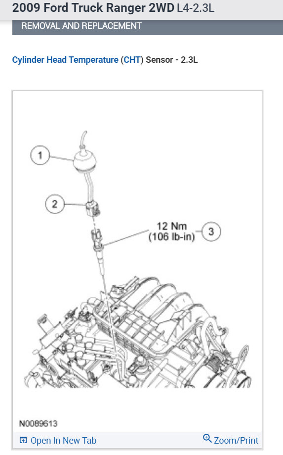
The cylinder temperature head sensor is on top of the engine. Check out the diagrams (Below). Please let us know if you need anything else to get the problem fixed.

Cheers
Was this
answer
helpful?
Yes
No
+1
Wednesday, October 28th, 2020 AT 1:58 PM (Merged)
Tiny
JOESTORRE
  • MEMBER
  • 3 POSTS
  • 2000 FORD RANGER
  • 109,544 MILES
Thermostat was stuck open, so replaced it and cleaned up sensors. Now forgot which is which, sensor with a cylinder tip - sender? Sensor with a pointed tip - sensor for pcm? Also need to know the bank location they sit on top of the plastic thermostat housing and which plug to connect, one has 4.5 volts and other has 10.5 volts to it. Could I have also damaged a sensor connecting the wrong plug to it?Thank you for your time and any help.
Was this
answer
helpful?
Yes
No
Wednesday, October 28th, 2020 AT 1:58 PM (Merged)
Tiny
WRENCHTECH
  • MECHANIC
  • 20,761 POSTS
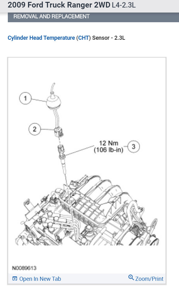
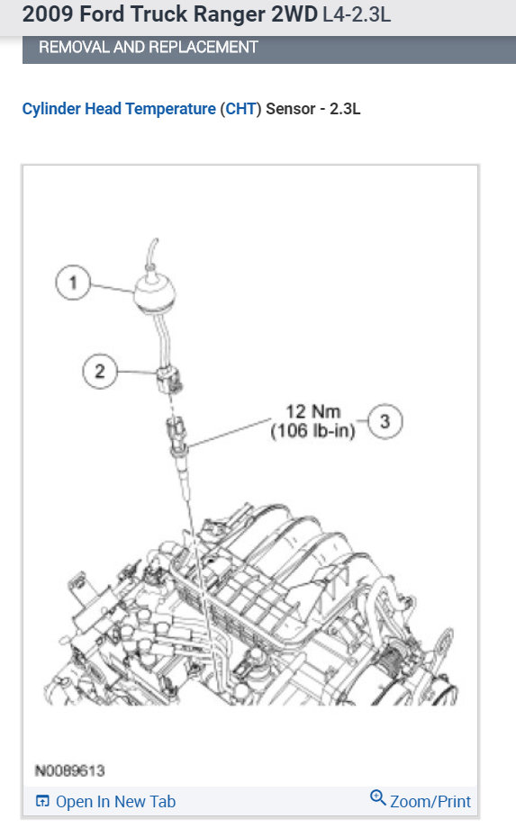
The computer sensor will have a Gy/Rd and a Lg/Rd wires

Here is a guide to help

https://www.2carpros.com/articles/coolant-temperature-sensor-cts-replacement

Check out the diagrams (Below). Please let us know if you need anything else to get the problem fixed.

Cheers
Was this
answer
helpful?
Yes
No
+3
Wednesday, October 28th, 2020 AT 1:58 PM (Merged)
Tiny
JOESTORRE
  • MEMBER
  • 3 POSTS
I'm the third owner, and there's been a plug replaced both of orange color and both will fit each sensor.
Was this
answer
helpful?
Yes
No
-1
Wednesday, October 28th, 2020 AT 1:58 PM (Merged)
Tiny
JOESTORRE
  • MEMBER
  • 3 POSTS
I'm sorry wire colors explain, but was I right on the sensor identification? Also what are the bank locations. Thank you again for your replies.
Was this
answer
helpful?
Yes
No
-1
Wednesday, October 28th, 2020 AT 1:58 PM (Merged)
Tiny
KHLOW2008
  • MECHANIC
  • 41,814 POSTS
The sending unit is usually the one that is smaller at the tip so most probably you got it in reverse. Ohmming them out should give you an idea, ECT very high resistance whereas the sending unit would have low resistance (ohms).
Was this
answer
helpful?
Yes
No
+3
Wednesday, October 28th, 2020 AT 1:58 PM (Merged)
Tiny
2BOSS'S
  • MEMBER
  • 3 POSTS
  • 1999 FORD RANGER
Engine problem
1999 Ford Ranger 6 cyl Four Wheel Drive Automatic 125, xx miles

Would a bad coolant temperature sensor cause the engine to run lean on banks one and two? If so, where are these located on my truck.

Thanks
Was this
answer
helpful?
Yes
No
Wednesday, October 28th, 2020 AT 1:59 PM (Merged)
Tiny
MASTERTECHTIM
  • MECHANIC
  • 4,750 POSTS
No it would not. I bet you have a vacuum leak right under the throttle body, ive seen 2 of these trucks with this exact problem. You will hear a hiss noise when its running. The rubber elbow that fails is about the size of your finger at a right angle. Let me know when this fixes it. Thanks
Was this
answer
helpful?
Yes
No
-2
Wednesday, October 28th, 2020 AT 1:59 PM (Merged)

Please login or register to post a reply.