HOME
ASK A QUESTION
REPAIR GUIDES
BECOME A MEMBER
LOG IN
Login with Facebook
OR
Remember me
NOT A MEMBER?
FORGOT PASSWORD?
CONTACT US
PRIVACY POLICY
TERMS AND CONDITIONS
☰
Home
Chevrolet
Silverado
Engine Cooling
Leak
Coolant leak
EMBALMER50
MEMBER
2003 CHEVROLET SILVERADO
6.0L
V8
4WD
AUTOMATIC
133,000 MILES
I have a coolant leak about the size of a brake line, that runs from head to head, in the top front of the engine.
I cannot find it online and it is leaking too bad to take it anywhere.
If I could just get the correct name.
Video (Click to make bigger)
Monday, October 2nd, 2017 AT 6:34 AM
1 Reply
KEN L
MASTER CERTIFIED MECHANIC
55,535 POSTS
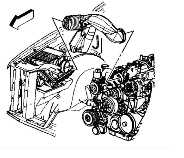
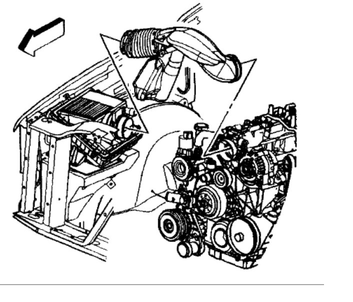
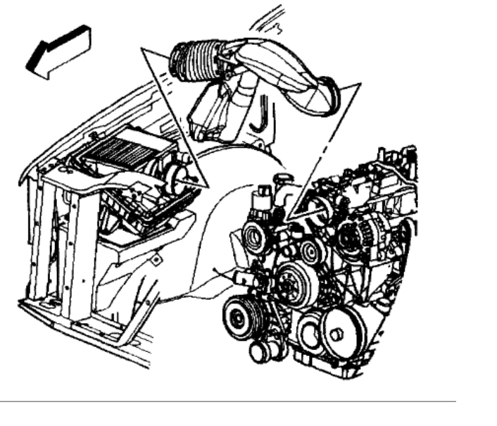
It looks like it is coming out of the water pump gasket. You must start by draining the coolant.
Here is a guide and some diagrams (below) to help you get the problem fixed:
https://www.2carpros.com/articles/water-pump-replacement
and you will need to take the fan clutch off.
https://youtu.be/N_-MLVlBHk8
Below are some diagrams on how it is on your car.
Here is a pump on Amazon for $91.00:
https://www.amazon.com/ACDelco-252-845-Professional-Water-Pump/dp/B001KSG24Y/ref=sr_1_2?ie=UTF8&qid=1506977984&sr=8-2&keywords=2003+chevy+silverado+water+pump
Please let us know what happens and upload pictures or videos of the problem.
Cheers, Ken
Images (Click to make bigger)
Was this
answer
helpful?
Yes
No
Monday, October 2nd, 2017 AT 2:04 PM
Please
login
or
register
to post a reply.
Related Leak Content
Coolant Leak
I Have A Slow Coolant Leak. Truck Loses About A Quart Of Coolant A Week. I Can Not Find Any Evidence Of A Leak Anywhere, And There Is No...
Asked by
caddydaddy93
·
2 ANSWERS
2003
CHEVROLET SILVERADO
VIDEO
Cooling System Pressure Test For Leaks
Instructional repair video
GUIDE
Coolant Leak Symptoms
Engine coolant is essential for regulating your vehicle’s temperature. A coolant leak can lead to serious engine damage if not addressed quickly. Below, we outline the...
2003 Chevy Silverado Coolant Loss
My Truck Has Been Loosing Coolant Since I Purchased It. I Took It To The Dealer While Still Under Warranty And They Couldn't Find A Leak. I...
Asked by
spider711
·
1 ANSWER
2003
CHEVROLET SILVERADO
Coolant Leak
I Have A 1999 Chevy Silverado 1500 3 Door 4x4 (z71) With 339,911 Miles On It. The Truck Has Developed A Coolant Leak Which I Believe May Be...
Asked by
filmless
·
4 ANSWERS
1999
CHEVROLET SILVERADO
Coolant Leak
2 Different Mechanics Have Told Me 2 Different Answers For My Coolant Leak. One Says It Is My Intake Manifold The Other Says It Is My Head...
Asked by
bkpolster
·
2 ANSWERS
1997
CHEVROLET SILVERADO
Loosing Coolant Leak?
I Am Loosing Coolant From My System. I Have No Idea Where This Is Going. I Changed The Spark Plugs For The First Time, With No Apparent...
Asked by
sircody
·
1 ANSWER
2004
CHEVROLET SILVERADO
VIEW MORE
Ask a Car Question. It's Free!
Cooling System Pressure Test For Leaks
Coolant Leak Symptoms
Cooling System Pressure Test