Saturday, December 2nd, 2023 AT 9:15 PM
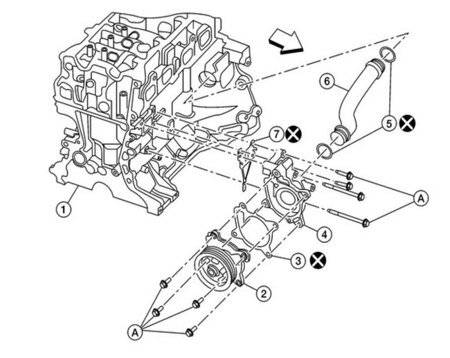
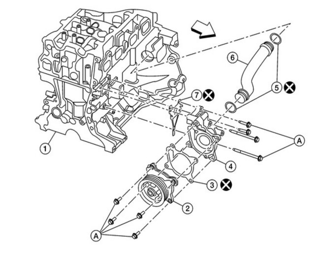
So, I had to fill my car with water after putting a new belt on to drive down the road and get coolant for my car and when I went to fill it was leaking behind the exhaust manifold to the left of the thermostat. I’m not sure what part this is to be able to fix it, but I’ll provide a video to show.




