Need to run a jumper wire to make the coolant fans work

Tiny
NAY HYDE
  • MEMBER
  • 2006 CHEVROLET IMPALA
  • 6 CYL
  • AUTOMATIC
  • 200,000 MILES
My fan relays are bad, but they are $25.00 per relay. I am a single mom of 2 so I don't have the money right now to get new ones. I need to run a jumper to make the fans run. I have a blue, grey, black, and white wires. Which are hot and which ones aren't?
Saturday, February 22nd, 2020 AT 10:19 AM

1 Reply

Tiny
KASEKENNY
  • MECHANIC
  • 18,907 POSTS
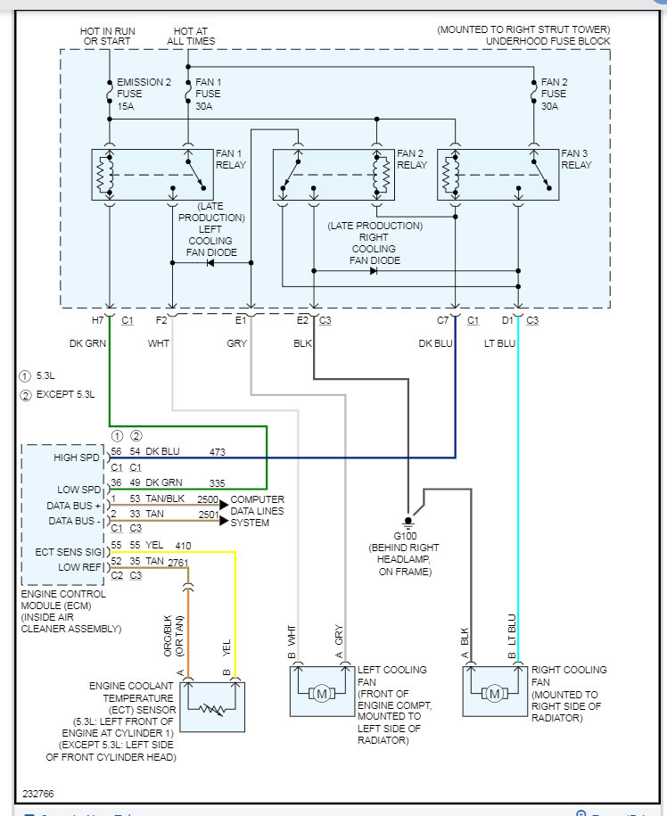
You should have two fans correct? I attached the wiring diagram for your review.

However, if you try to jump one of the control wires from the ECM, then you will need the ECM to kick on the fan in order for them to come on. If you just want to have them on when you turn the engine on, then you need to jump a fuse ignition wire to the Light Blue for the right fan, and White for the left fan.

I would take one of those jumper wires with alligator clips and then get a jumper fuse so that you can just replace the Emissions 2 Fuse 15A with this jumper and then you will have a hot wire when the ignition is on to run the fans.

This is the safest way to do this until you get the relay.

Let me know if you have questions. Thanks
Was this
answer
helpful?
Yes
No
Saturday, February 22nd, 2020 AT 3:10 PM

Please login or register to post a reply.