Convertible top will not latch

Tiny
THEANDERSON1
  • MEMBER
  • 1999 MERCEDES BENZ CLK320
  • 0.5L
  • V6
  • 2WD
  • AUTOMATIC
  • 130,000 MILES
Convertible top did not latch completely when top went down. The power button switch flashes and does not work. The key truck release has also been disabled. I can enter the trunk using the key.

Car is 3.2L

Possible manual fix?
If not is there an estimate to how much it would be to fix this problem?
Thursday, October 17th, 2019 AT 7:05 PM

1 Reply

Tiny
KEN L
  • MASTER CERTIFIED MECHANIC
  • 55,535 POSTS
Hello,

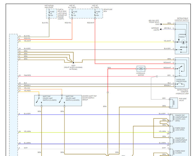
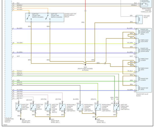
There are limit switch and fuses that need to be checked. here is the convertible top wiring diagrams so you can see how the system works and which fuses to check this guide will help:

https://www.2carpros.com/articles/how-to-check-a-car-fuse

See if you can manually push down on the top to get it to latch.

Check out the diagrams (below). Please let us know what you find. We are interested to see what it is.
Was this
answer
helpful?
Yes
No
Saturday, October 19th, 2019 AT 12:46 PM

Please login or register to post a reply.