Convertible top issue

Tiny
JACOBANDNICKOLAS
  • MECHANIC
  • 110,194 POSTS
Hay buddy,

If you have power at the red, that is the supply to the module. If there is no power out at the green/black wire, it sounds like the module is bad.

When you said you no power at the green/black, did you check it at the switch or right at the module? There should be something from the module to the switch.

Joe
Was this
answer
helpful?
Yes
No
Thursday, September 17th, 2020 AT 6:45 PM
Tiny
NASER NASER
  • MEMBER
  • 836 POSTS
Hi, no power from the green/black at switch or out of the module, that is what I was thinking. Bad module, ground is good going to module. But isn't there like a relay? If. Relay was bad would I still have power at the green? Weird that only one wire, the first one, red or red with something that has power out.
Was this
answer
helpful?
Yes
No
Thursday, September 17th, 2020 AT 7:21 PM
Tiny
NASER NASER
  • MEMBER
  • 836 POSTS
So is it possible that windows to roll down and up like they do now are controlled by one module and the drop they get when I hit the convertible top (which does not happen) is controlled by the convertible top module?
Was this
answer
helpful?
Yes
No
Thursday, September 17th, 2020 AT 7:33 PM
Tiny
JACOBANDNICKOLAS
  • MECHANIC
  • 110,194 POSTS
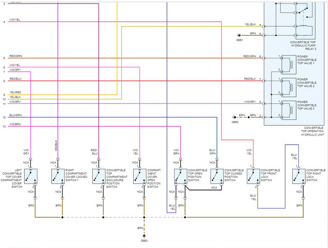
Naser, the module triggers the windows to partially open while the top is being operated. As far as a relay, the only one I know of is on the hydraulic pump.

I attached the entire wiring schematic for the system. I had to break it down to make it readable, but I overlapped it so you can follow it.

Let me know if it helps.

Joe
Was this
answer
helpful?
Yes
No
Friday, September 18th, 2020 AT 8:44 PM
Tiny
NASER NASER
  • MEMBER
  • 836 POSTS
Thanks. Based on what am looking at and where it is even if the relay is bad there should be window triggering at least or some unlatching by windshield. So doubt the relay is the issue here. I thought it would be in line with the module. So I think the module is bad as well. What do you think?
Was this
answer
helpful?
Yes
No
Friday, September 18th, 2020 AT 8:59 PM
Tiny
JACOBANDNICKOLAS
  • MECHANIC
  • 110,194 POSTS
Sorry to say, I think that's it and be wrong. However, that is where I am thinking the problem stems from. As far as the relay, like you, I believe you would hear something trigger. If I had to guess, I believe the module is the problem. Please understand not being there puts me at a disadvantage, but if there is power to it and nothing out, that seems like the likely issue.

Naser, it's midnight. You're worse than me. LOL

Take care,
Joe
Was this
answer
helpful?
Yes
No
Friday, September 18th, 2020 AT 9:09 PM
Tiny
NASER NASER
  • MEMBER
  • 836 POSTS
Lol, am not working just reading emails and watching TV, but always brainstorming. Gotta stay on top if things, thanks for your help. I will keep you posted.
Was this
answer
helpful?
Yes
No
Friday, September 18th, 2020 AT 9:18 PM
Tiny
NASER NASER
  • MEMBER
  • 836 POSTS
Okay, we have progress. Plugged in the module and the top unlatched, started to move, back window lifted, lid opened and slowly closed. Closed it and it latched right. Tried again, and it's the same thing, the back lid opens up and then slowly closes instead of waiting on the two to fold down. Ugh, any ideas here?
Was this
answer
helpful?
Yes
No
Monday, September 21st, 2020 AT 2:57 PM
Tiny
JACOBANDNICKOLAS
  • MECHANIC
  • 110,194 POSTS
Suggestions? Go domestic. LOL

Is this the same module? If it is, recheck connections. If they are good, see if you can get your hands on a used module for testing. I have a feeling that is the problem.

Joe
Was this
answer
helpful?
Yes
No
Monday, September 21st, 2020 AT 6:25 PM
Tiny
NASER NASER
  • MEMBER
  • 836 POSTS
No this is a used one I purchased from eBay. The same numbers on the label. The original one won't do a thing. I tried domestic, not my thing. They also have issues, nothing is easy anymore. Lol
Was this
answer
helpful?
Yes
No
Monday, September 21st, 2020 AT 6:42 PM
Tiny
JACOBANDNICKOLAS
  • MECHANIC
  • 110,194 POSTS
Me and another tech can jump under the hood of my 1978 C10. LOL Nothing more than $25.00 to fix anything there.

I think you are on the right track. I think this module is also faulty, just in a different way.

If I understand (top closed) windows drop, locks release, rear hatch opens and the top does nothing. Then, the rear hatch closes. Ugh! If that's correct, do you hear anything when the top should be opening?

Let me know.

Joe
Was this
answer
helpful?
Yes
No
Monday, September 21st, 2020 AT 6:51 PM
Tiny
NASER NASER
  • MEMBER
  • 836 POSTS
No, the too u latches and starts to move, so the hydraulic pump is fine and it's full, and the lid opens normally and with good speed, but she then starts to fall as if it has bad lift struts. Do these go bad like those under the hood? So she starts to fall down slowly before the top goes down in it.
Was this
answer
helpful?
Yes
No
Monday, September 21st, 2020 AT 6:57 PM
Tiny
JACOBANDNICKOLAS
  • MECHANIC
  • 110,194 POSTS
Naser,
That top is all hydraulic (except the windows and locks). If it works normally and then slows down, it sounds like either a pressure issue or an adjustment issue. The system is self bleeding, so that isn't an issue. Adjustment is only specific to the window seal. The deck lid has adjustments, but I don't think that is what you are describing. So, it works but is slow?

I'm sorry. I'm just trying to get a good understanding. I hope you understand. Something is lost when the car isn't present.

Joe
Was this
answer
helpful?
Yes
No
Monday, September 21st, 2020 AT 7:08 PM
Tiny
NASER NASER
  • MEMBER
  • 836 POSTS
No, based on how fast the top moves and how fast the lid opens I doubt it's a hydraulic issue otherwise would have been slow, it just, after the lid opens. It is supposed to stay up so the top can keep moving down to get stowed, but instead it opens fully and then starts to go down slowly, to close, while the top is still up and u latched. I can take a video tomorrow. And once that happens I have to lock the lid with the tool, and then once I do that I can latch the two back and it will lock with the switch.
Was this
answer
helpful?
Yes
No
Monday, September 21st, 2020 AT 7:11 PM
Tiny
JACOBANDNICKOLAS
  • MECHANIC
  • 110,194 POSTS
Take a video of it. Honestly, I now can better understand. What you are thinking is the hydraulics may be bleeding off and allowing the deck lid to close. That makes sense.

I assume there are no leaks or you would have see that. We may be replacing a hydraulic cylinder or there could be an issue with a solenoid valve.

Let me know. I'll try to dig up info for testing.

Joe
Was this
answer
helpful?
Yes
No
Monday, September 21st, 2020 AT 7:19 PM
Tiny
NASER NASER
  • MEMBER
  • 836 POSTS
Here is the video, once that happens I cannot use the switch to close it until I lock the back lid with the tool. Once I do I go to the front and use the switch to lock the top and it does lock.
Was this
answer
helpful?
Yes
No
Tuesday, September 22nd, 2020 AT 8:56 AM
Tiny
JACOBANDNICKOLAS
  • MECHANIC
  • 110,194 POSTS
LOL That isn't good. It looks like the cylinder may be bad. The idea that it just falls and doesn't latch indicates it isn't going through a faulty process (it would lock).

And there are no codes, correct?

Joe
Was this
answer
helpful?
Yes
No
Tuesday, September 22nd, 2020 AT 6:41 PM
Tiny
NASER NASER
  • MEMBER
  • 836 POSTS
The cylinder meaning the back right in trunk? I doubt both module Nd pump went bad, possible?
Was this
answer
helpful?
Yes
No
Tuesday, September 22nd, 2020 AT 6:49 PM
Tiny
JACOBANDNICKOLAS
  • MECHANIC
  • 110,194 POSTS
Anything is possible but yes the right rear. Something seems to lose pressure. THe only other thing I can think of is the solenoid valve.

Here is an overview of the system. Take a look through it.

_____________________________________________

2006 Audi A4 Cabriolet (8H7) L4-1.8L Turbo (AMB)
Convertible Top Hydraulic System Assembly Overview
Vehicle Body and Frame Roof and Associated Components Convertible Top Service and Repair Removal and Replacement Convertible Top Hydraulic System Assembly Overview
CONVERTIBLE TOP HYDRAULIC SYSTEM ASSEMBLY OVERVIEW
Convertible Top Hydraulic System Assembly Overview

pic 1

1 Right bracket drive motor cylinder

Removing => [ Convertible Top Hydraulic Cylinder ] See: Convertible Top Hydraulic Cylinder > Removal and Replacement > Convertible Top Hydraulic Cylinder.

2 Right main drive motor cylinder

Removing => [ Convertible Top Hydraulic Cylinder ] See: Convertible Top Hydraulic Cylinder > Removal and Replacement > Convertible Top Hydraulic Cylinder.

3 Right convertible top compartment cover drive motor cylinder

Removing => [ Convertible Top Hydraulic Cylinder ] See: Convertible Top Hydraulic Cylinder > Removal and Replacement > Convertible Top Hydraulic Cylinder.

4 Nut

3x

10 Nm

5 Hydraulic pump with valve block

Removing => [ Convertible Top Hydraulic Unit and Pump ] See: Convertible Top Hydraulic Control Unit > Removal and Replacement > Convertible Top Hydraulic Unit and Pump.

6 Hydraulic lines

7 Left convertible top compartment cover drive motor cylinder

Removing => [ Convertible Top Hydraulic Cylinder ] See: Convertible Top Hydraulic Cylinder > Removal and Replacement > Convertible Top Hydraulic Cylinder.

8 Left bracket drive motor cylinder

Removing => [ Convertible Top Hydraulic Cylinder ] See: Convertible Top Hydraulic Cylinder > Removal and Replacement > Convertible Top Hydraulic Cylinder.

9 Left main drive motor cylinder

Removing => [ Convertible Top Hydraulic Cylinder ] See: Convertible Top Hydraulic Cylinder > Removal and Replacement > Convertible Top Hydraulic Cylinder.

Oil filler screw

pic 2

Pfeil 2 Nm

Hydraulic pump housing

pic 3

Arrow 6 Nm

Solenoid valves

pic 4

1. 6 Nm

2. 22 Nm

Connecting plate

pic 5

Arrow 10 Nm

______________________________-

Joe
Was this
answer
helpful?
Yes
No
Tuesday, September 22nd, 2020 AT 7:01 PM
Tiny
NASER NASER
  • MEMBER
  • 836 POSTS
Yes, I already have that exposed, and the area looks very clean nd fluid is full. But don't you think if one was weak the top wouldn't even flip nd back window won't go up in preparing for the lid to open? Let me ask it another way, do you think what control the top to open and window to fold is the same part that controls the lid opening and closing?
Was this
answer
helpful?
Yes
No
Tuesday, September 22nd, 2020 AT 7:48 PM

Please login or register to post a reply.