Controls on dashboard and all lights flickering

Tiny
DWAYNE ROBINSON
  • MEMBER
  • 2000 MERCEDES BENZ S500
  • 8.0L
  • V8
  • RWD
  • AUTOMATIC
  • 165,000 MILES
Flickering interior and exterior lights and headlights. Mostly when it rains. Off and on.
Saturday, June 3rd, 2017 AT 5:45 PM

1 Reply

Tiny
KEN L
  • MASTER CERTIFIED MECHANIC
  • 55,112 POSTS
Hello,

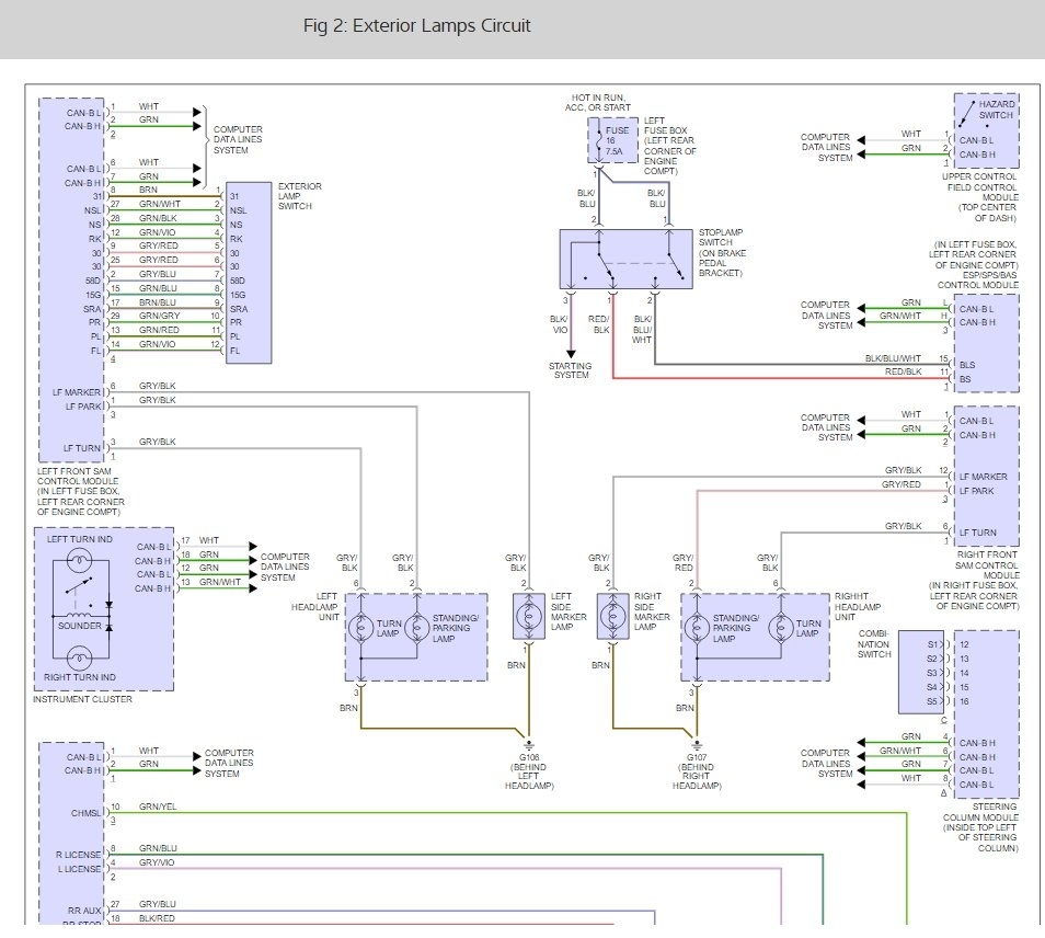
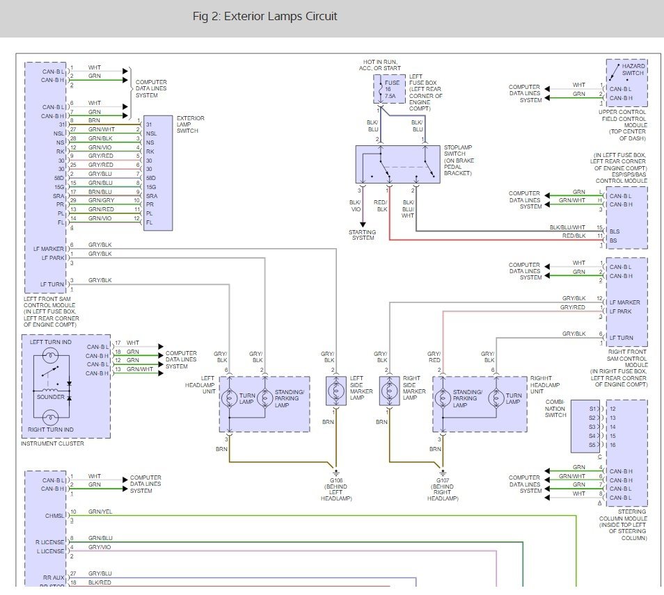
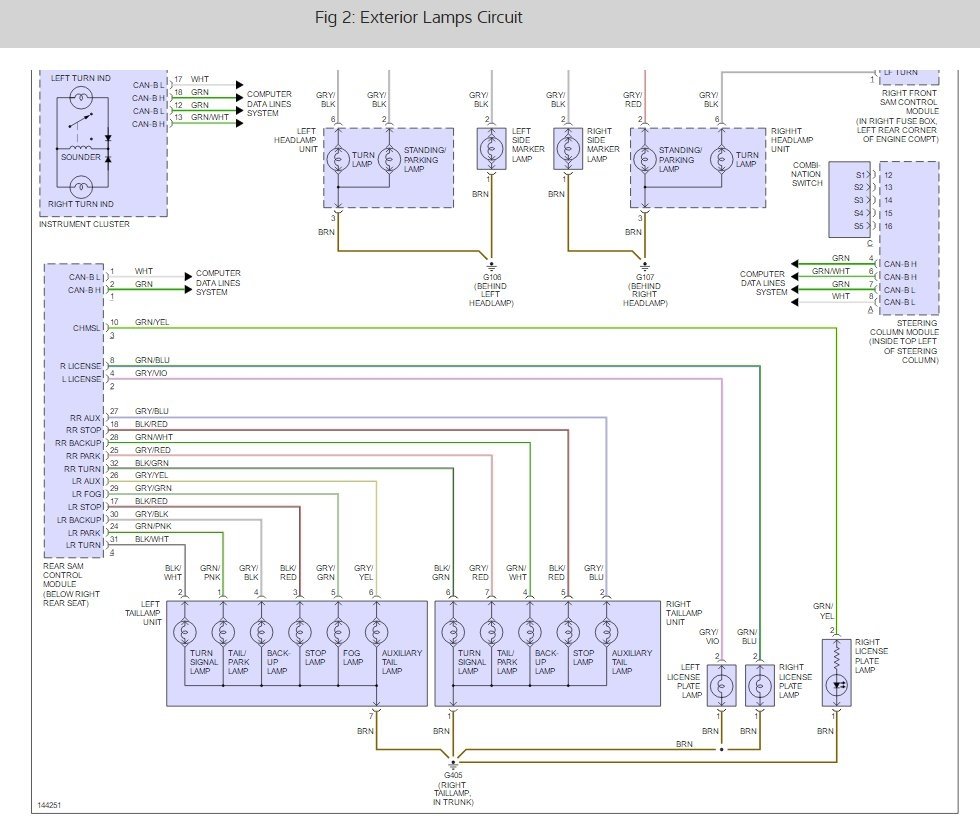
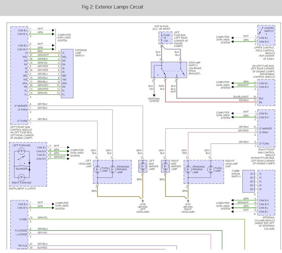
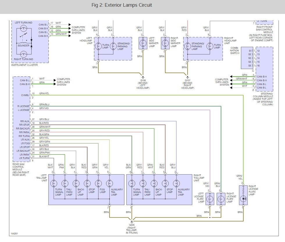
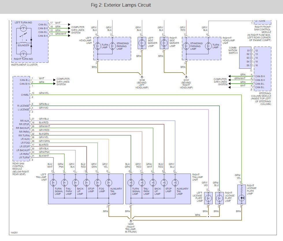
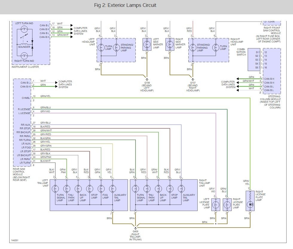
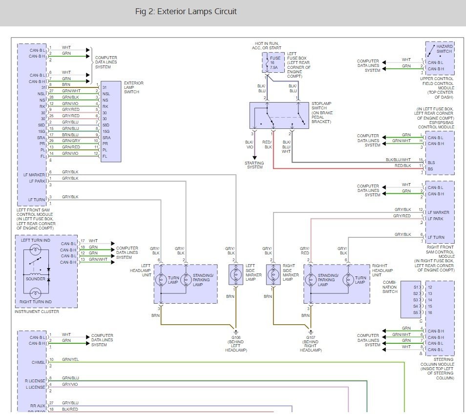
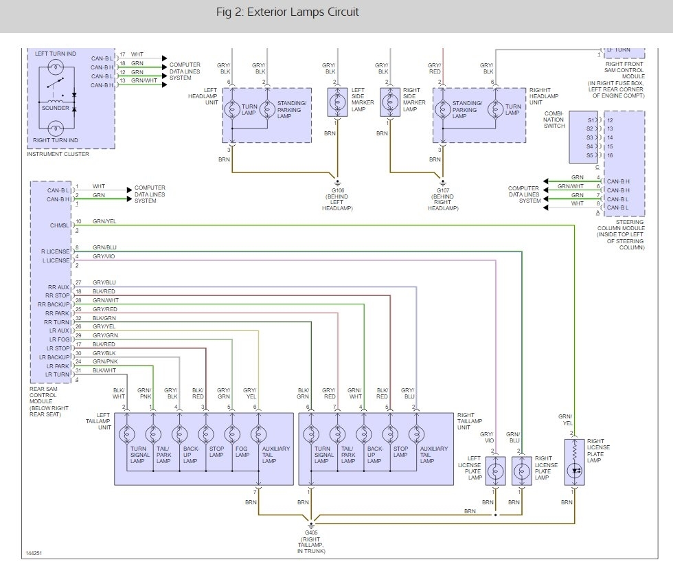
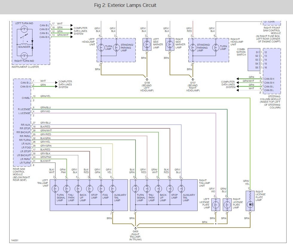
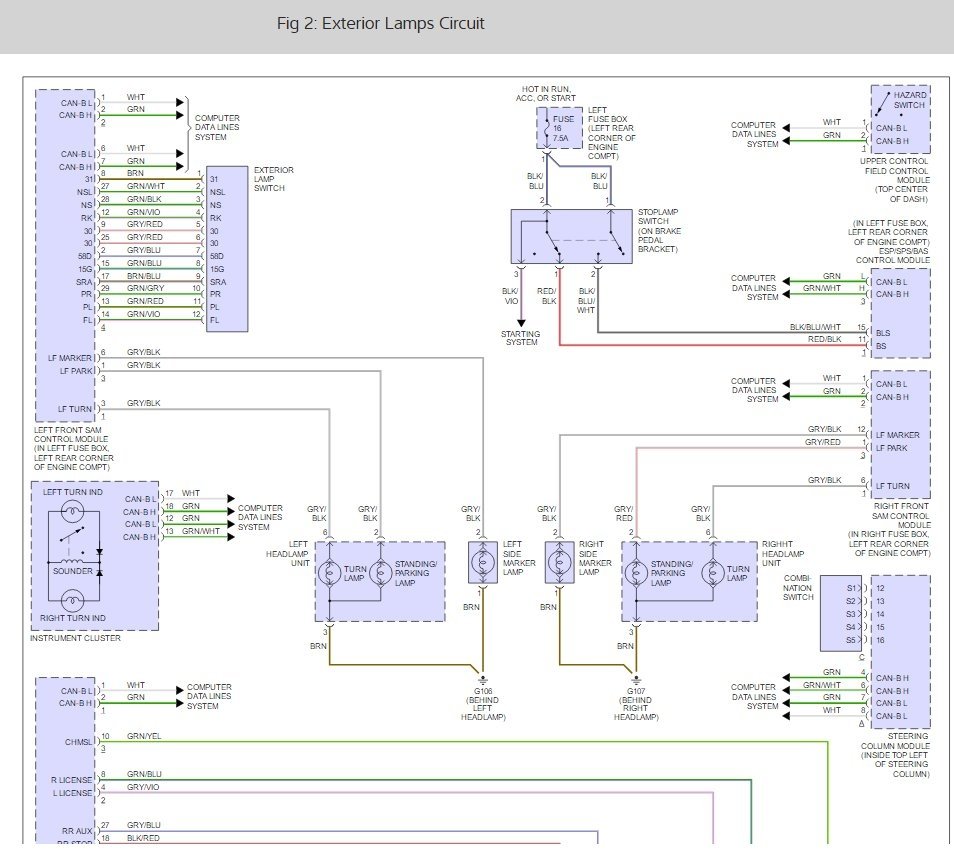
It sounds like one of two things is happening, Either the system has a bad ground or the lighting computer or SAM is starting to go out. Here is a wiring diagram and a guide so you can do some testing to figure out which one it is.

https://www.2carpros.com/articles/how-to-check-wiring

Please run some tests and get back to us so we can continue helping you.

Cheers, Ken
Was this
answer
helpful?
Yes
No
Tuesday, June 6th, 2017 AT 2:09 PM

Please login or register to post a reply.