Saturday, March 18th, 2023 AT 12:35 AM
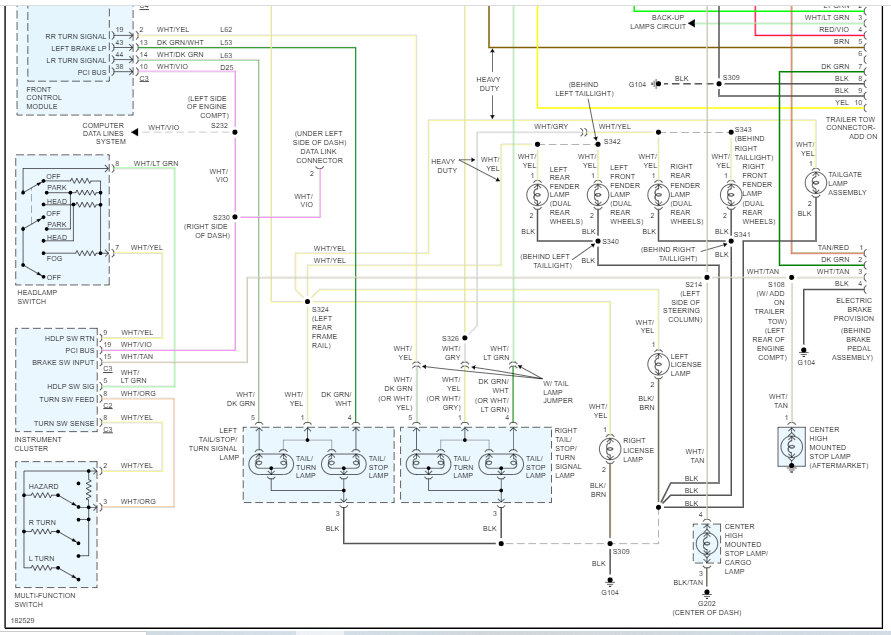
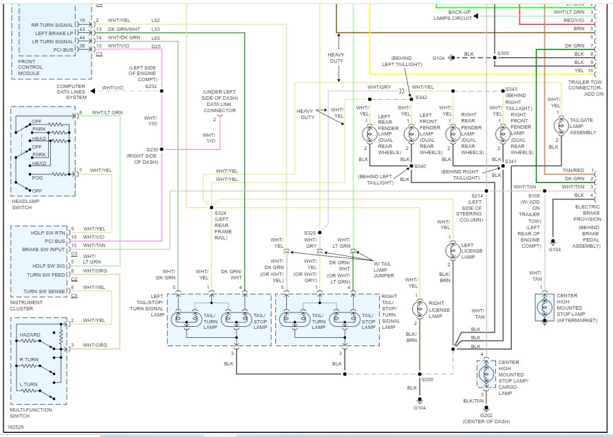
We are having electrical issues with our truck listed above 1500 5.7 liter Hemi with the running lights, signal lights, and braking lights all in the rear we have. Absolutely no power have tried everything under the sun. So, we just went and bought a new wiring harness from pull a part but are trying to figure out what color sites go to what and how they all need to be connected.



