Wednesday, September 28th, 2022 AT 10:37 PM
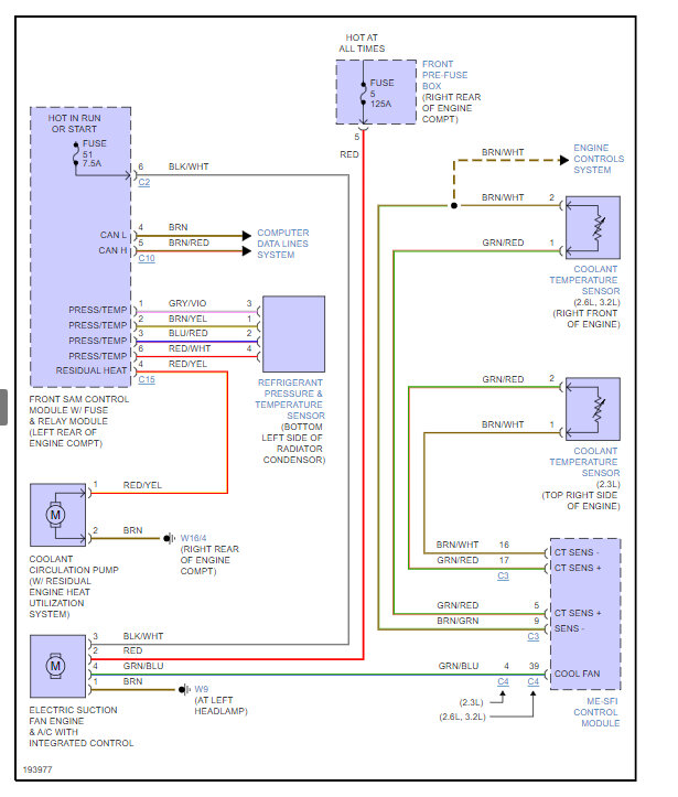
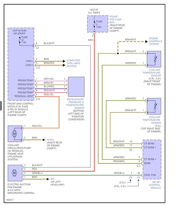
My fan has not been turning on, I had the radiator and condenser replaced due to a fender bender and had accidentally dropped the fans electrical connector into the coolant drain pan. How do I replace it?



