HOME
ASK A QUESTION
REPAIR GUIDES
BECOME A MEMBER
LOG IN
Login with Facebook
OR
Remember me
NOT A MEMBER?
FORGOT PASSWORD?
CONTACT US
PRIVACY POLICY
TERMS AND CONDITIONS
☰
Home
Ford
F-150
Engine
Wiring
Someone removed coil, need diagram to complete job
RANDY JOPLIN
MEMBER
2002 FORD F-150
4.2L
6 CYL
2WD
AUTOMATIC
277,003 MILES
Someone removed coil, need diagram to complete job.
Wednesday, February 3rd, 2021 AT 10:03 AM
2 Replies
SEVAG P
MECHANIC
406 POSTS
Hello,
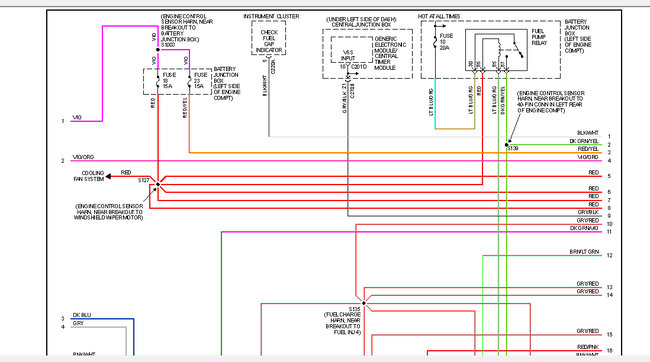
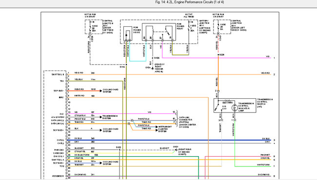
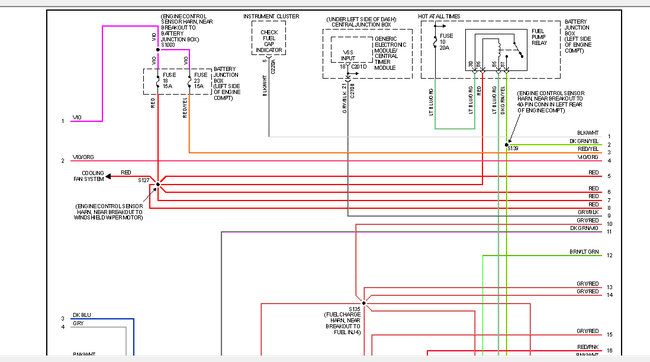
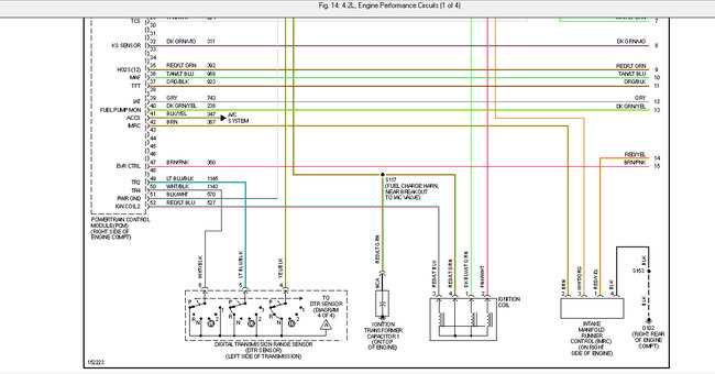
i am sending you ignition coil connector wiring diagram which are attached below.
Check the diagrams below ignition timing for coil to spark plug cables.
Let us know if you need more help.
Thank you.
Images (Click to make bigger)
Was this
answer
helpful?
Yes
No
Monday, February 15th, 2021 AT 9:52 AM
SEVAG P
MECHANIC
406 POSTS
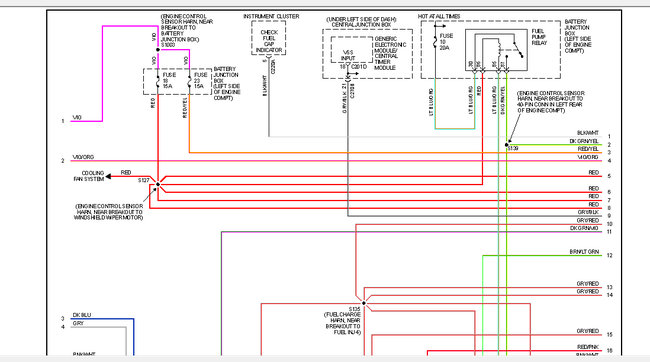
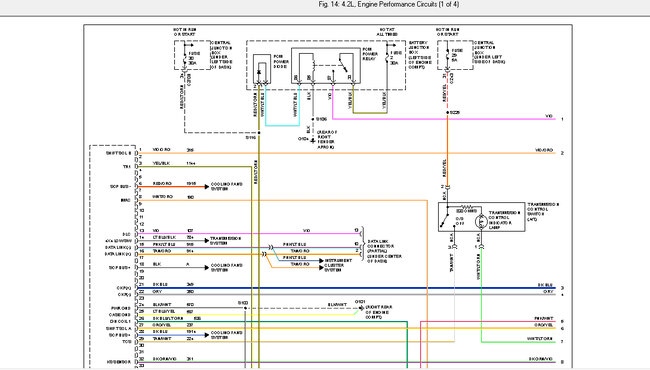
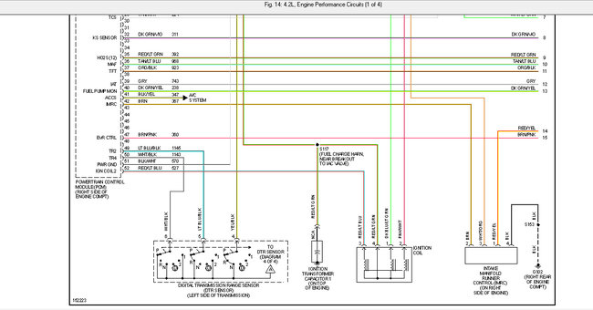
Hello,
check figures below complete engine wiring diagrams for 4.2L engine, I cut each page for 3 sections to become more clear when reading.
Thank you.
Images (Click to make bigger)
Was this
answer
helpful?
Yes
No
Monday, February 15th, 2021 AT 9:52 AM
Please
login
or
register
to post a reply.
Related Engine Wiring Content
Wondering If Crankshaft Sensor Wiring Will Fit
I Was Wondering If The Crankshaft Sensor Wiring From A 98 4.6l V8 Crown Victoria Fit My 2002 Ford F 150 4.6l V8 Cause Im Swapping Motors Im...
Asked by
dave2984
·
5 ANSWERS
2002
FORD F-150
Disconnected The Fuel Line And Had My Wife Crank The...
At First I Thought My Fuel Pump Had Gone Out. I Disconnected The Fuel Line And Had My Wife Crank The Engine And Had No Pressure. After...
Asked by
bigdaddyspradlin
·
3 ANSWERS
24 IMAGES
2006
FORD F-150
Fuel Pump Wiring Diagrams?
Where Is The Ground Wire Located At For The Fuel Pump. Fuel Pump Has Been Checked Nothing Wrong With It. Truck Turns Over But Doesnt Fire...
Asked by
dminion
·
10 ANSWERS
5 IMAGES
1994
FORD F-150
1992 Ford F150 Fuel Pump/wiring
So I've Had This Truck For Almost 2 Years And For The Last Year It Has Been Giving Me Random Problem After Problem. The Latest Of Which Is...
Asked by
AdamMotter
·
9 ANSWERS
1992
FORD F-150
1990 Ford F-150 Switching Engines(electrical)
I Have A 1990 F150. Originaly It Had A 5.0. Ive Taken An Engine From A 2000 Mercury Mountaineer, Also A 5.0 And Placed It In The F150. I...
Asked by
trumand
·
3 ANSWERS
1990
FORD F-150
VIEW MORE
Ask a Car Question. It's Free!
How to Use a Test Light
Oil Change and Filter Replacement Ford Focus
Change Oil and Filter Volkswagen Golf R