Number two coil has no ground Pulse

Tiny
BELISHMAN
  • MEMBER
  • 2011 JEEP LIBERTY
  • 3.7L
  • 6 CYL
  • 4WD
  • AUTOMATIC
  • 103,684 MILES
Harness, coil and PCM all test good! Coil Ground Source.
Sunday, December 12th, 2021 AT 2:35 PM

1 Reply

Tiny
JACOBANDNICKOLAS
  • MECHANIC
  • 110,192 POSTS
Hi,

All coils have power via fuse number M21 in the under-hood fuse box. A ground path is provided by the PCM for each coil at specific times.

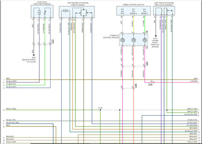
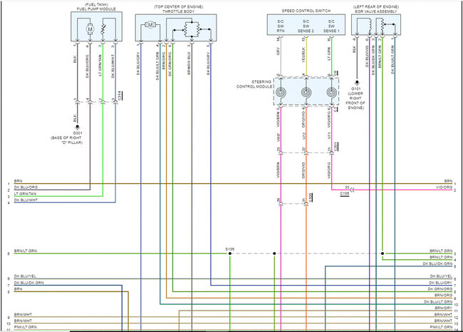
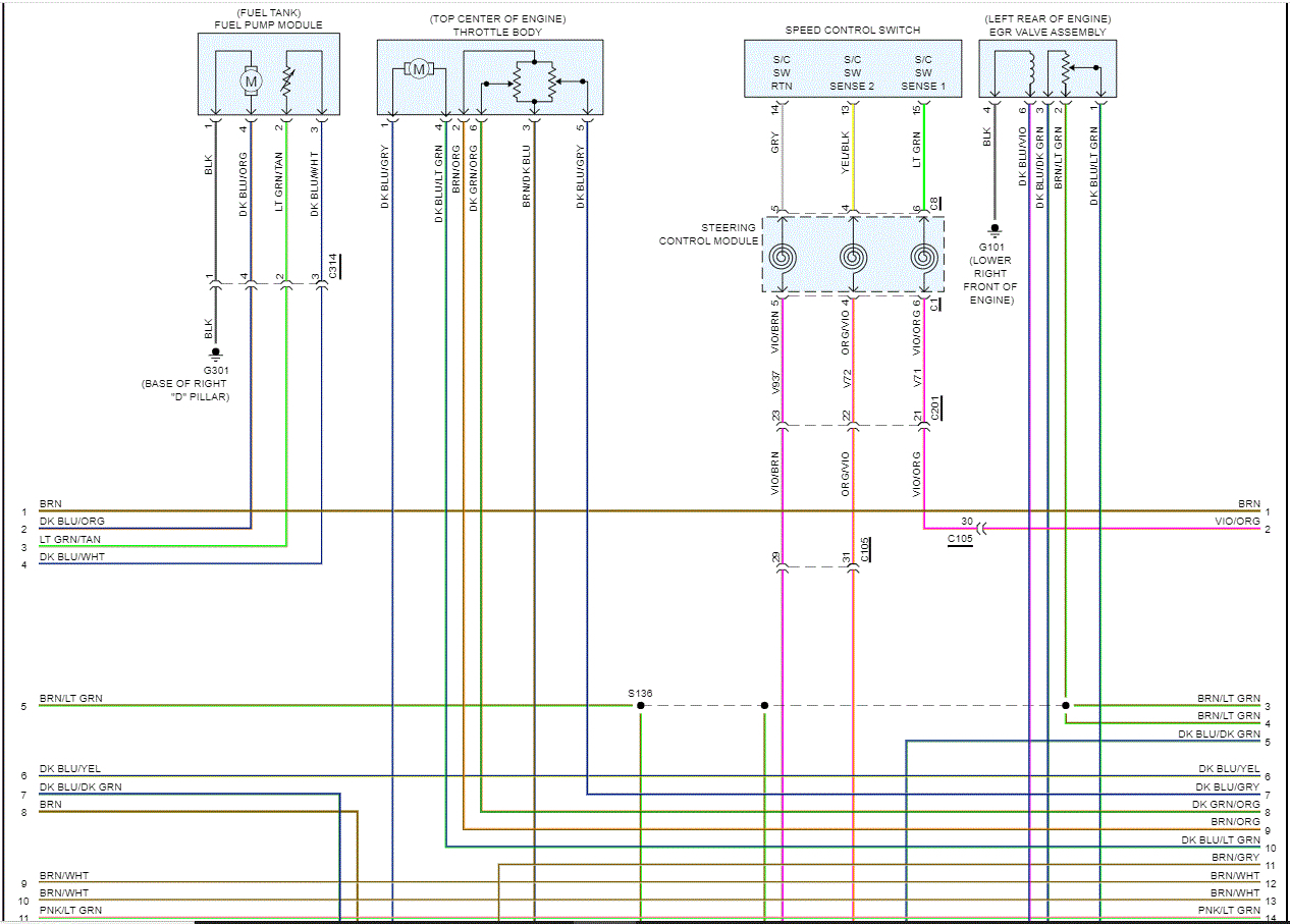
On this vehicle, the ground path for coil 2 will be provided via a dark blue wire with an orange tracer. It runs from the coil to the PCM C-1 connector, pin 7.

Disconnect the battery and the PCM C-1 connector. Locate pin 7 which receives power from the dk blu/org wire and check it for continuity. If the wire is good and not open, then inspect the pin to confirm it isn't damaged, corroded, or pushed in. Also, check on the PCM as well to make sure there are no issues where it connects.

I attached a wiring schematic below showing the wiring. I had to cut each page in half to make it readable. I overlapped them and highlighted the wire for coil 2 in question.

Pic 5 shows the location of the PCM connector and pic 5 is a pinout of the connector. The connector will be black in color, and I highlighted the pin to check. Make sure the battery negative terminal is disconnected both when disconnecting the PCM and reconnecting it.

Here is a link you may find helpful:

https://www.2carpros.com/articles/how-to-check-wiring

If the wiring, PCM pins, and connector are good, you may simply have a bad PCM. If that becomes a question, reconnect everything and back probe the dk blue/org wire at the PCM to see if it is providing ground. It won't be constant but will go on/off really fast if the engine is running. If there is no ground, the PCM is likely bad.

Let me know if this helps or if you have other questions. Also, if you have a chance, let me know what you find.

Take care,

Joe

See pics below.
Was this
answer
helpful?
Yes
No
+1
Sunday, December 12th, 2021 AT 9:22 PM

Please login or register to post a reply.