Monday, July 17th, 2017 AT 5:39 PM
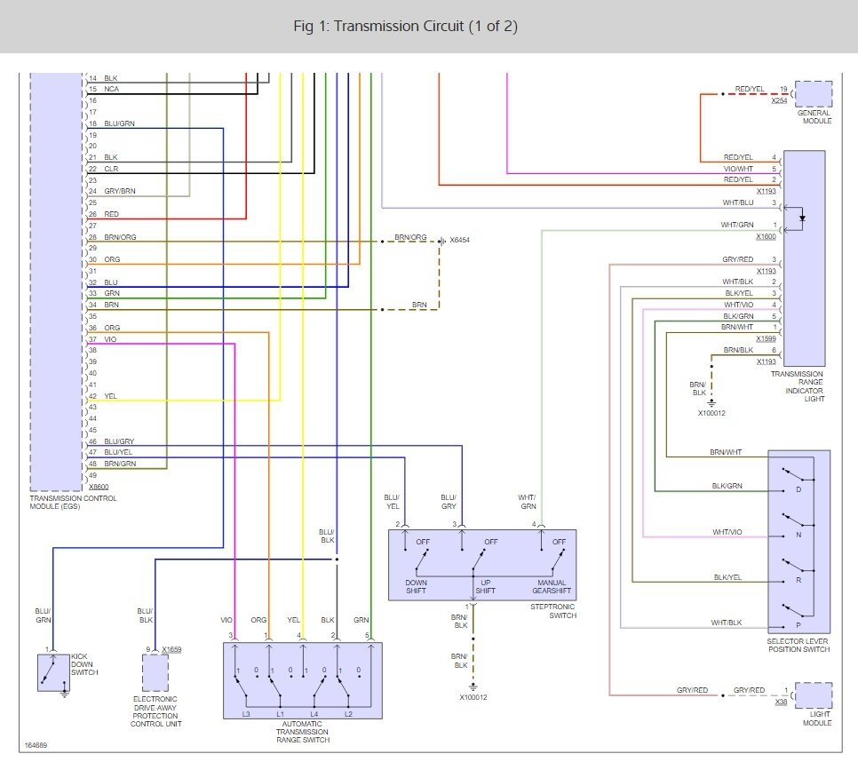
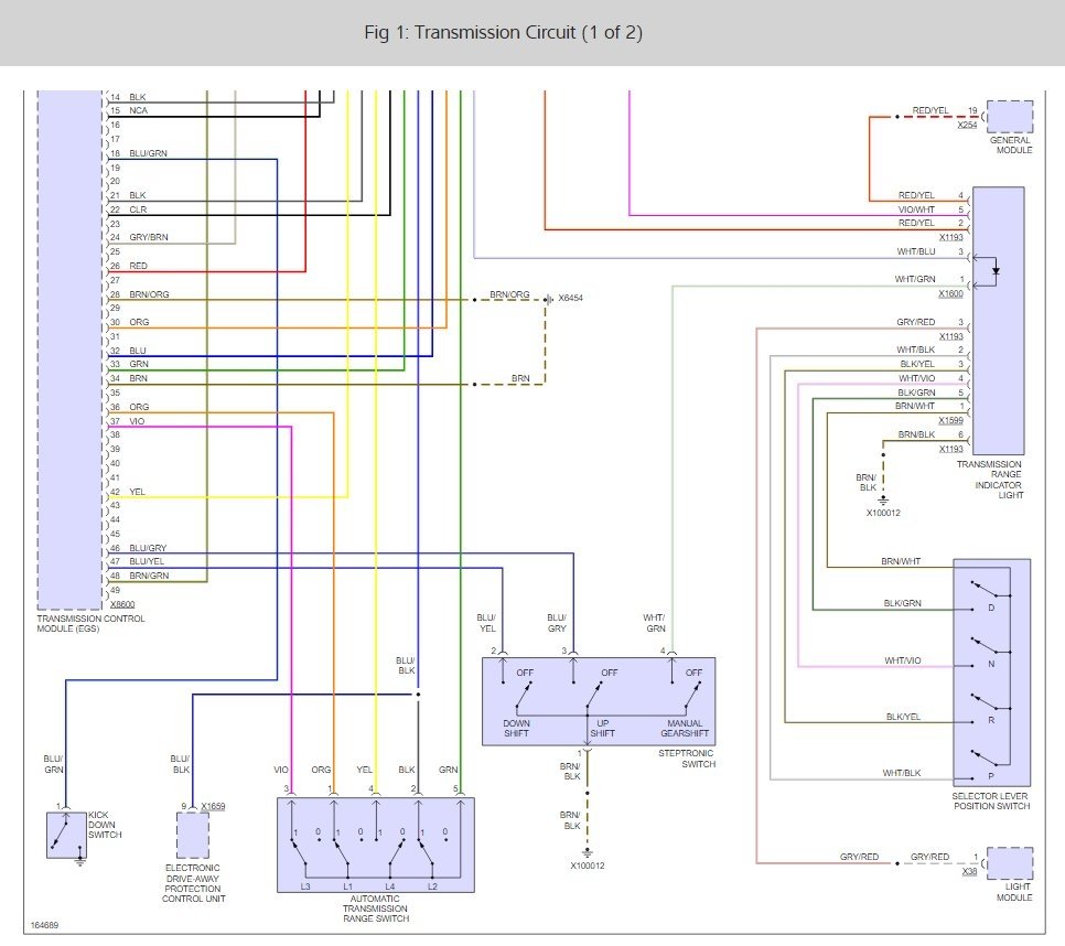
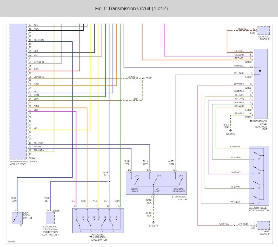
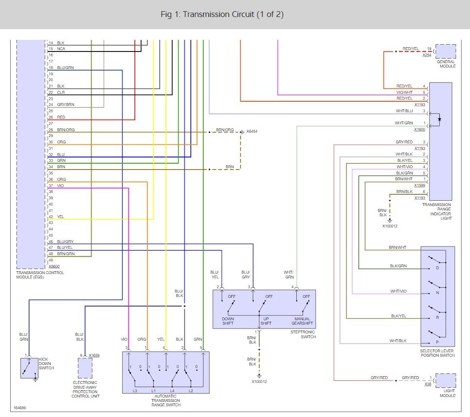
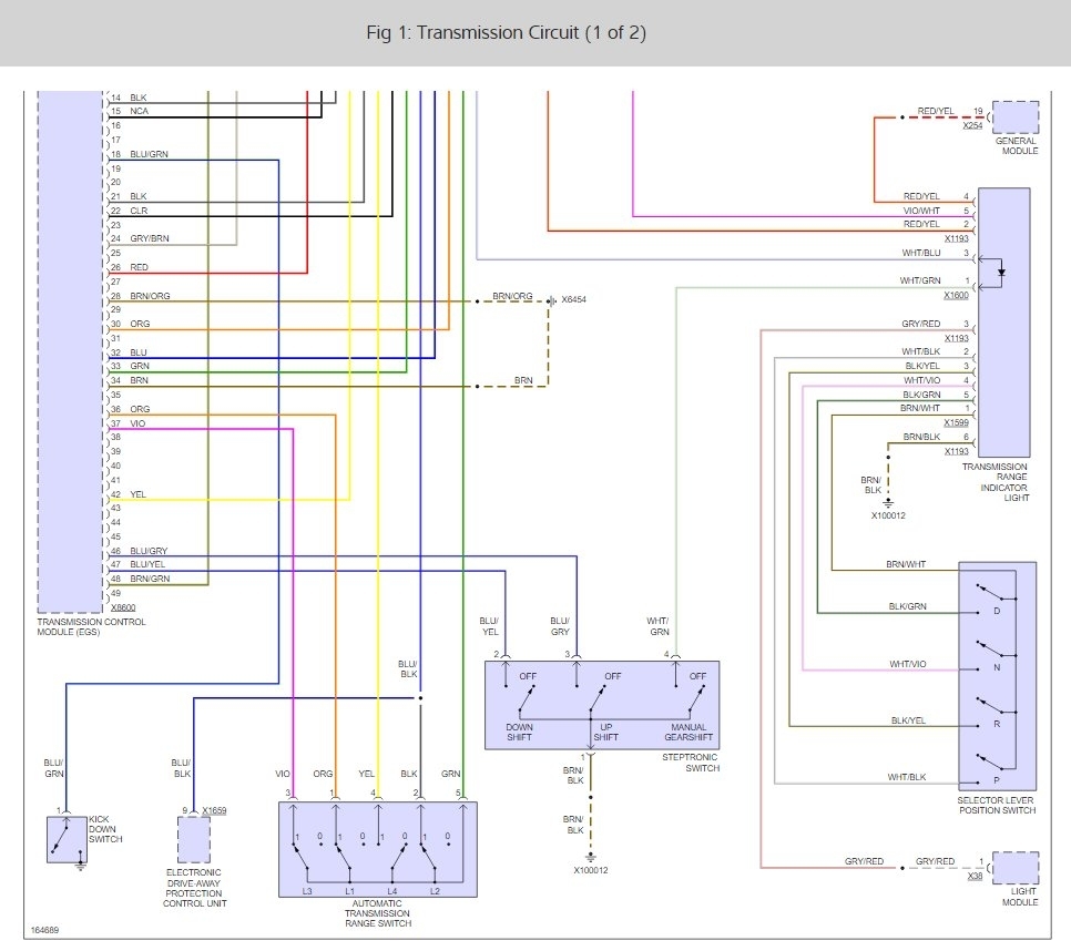
Will run perfect for a mile or so then the cog light comes on and the gear selector light does not say what gear it is in. From that point on there is an audible click and physical click on the shifter that can also be heard outside of the vehicle. The clicking only happens when in park and stops when you push the brake pedal. We replaced the transmission range sensor and topped off transmission fluid. Not putting out any codes and there is no check engine light.











