Codes P0732, P0733, P0734

Tiny
KEN L
  • MASTER CERTIFIED MECHANIC
  • 55,291 POSTS
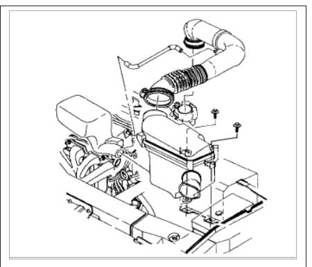
Yes, start by watching this video which will walk you through the steps, it's not the same car but the process is the same. Also check out the diagrams below to see instructions and diagrams for your car.

https://youtu.be/6N6b5F2ChyE

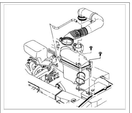
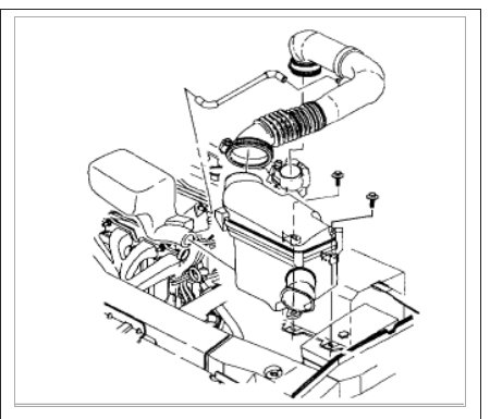
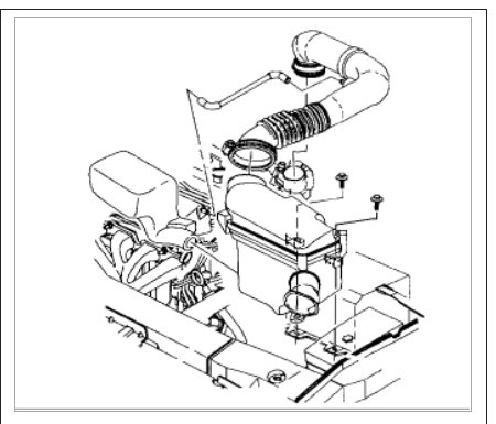
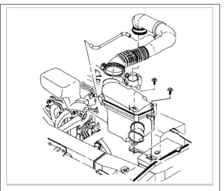
Check out the diagrams (below). Please let us know what happens.
Was this
answer
helpful?
Yes
No
+1
Tuesday, February 26th, 2019 AT 10:51 AM

Please login or register to post a reply.