Codes PO303 and PO440

Tiny
FOXDEN
  • MEMBER
  • 2000 TOYOTA CELICA
  • 4 CYL
  • 2WD
  • AUTOMATIC
  • 100,000 MILES
Getting 2 code po303 and po440.
Car starts and idles well okay, but when you put it in gear it idles rough.
Saturday, September 11th, 2021 AT 6:44 AM

1 Reply

Tiny
KASEKENNY
  • MECHANIC
  • 18,907 POSTS
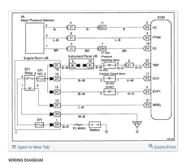
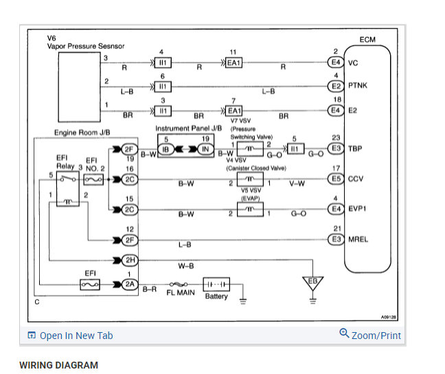
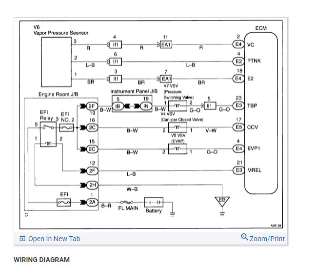
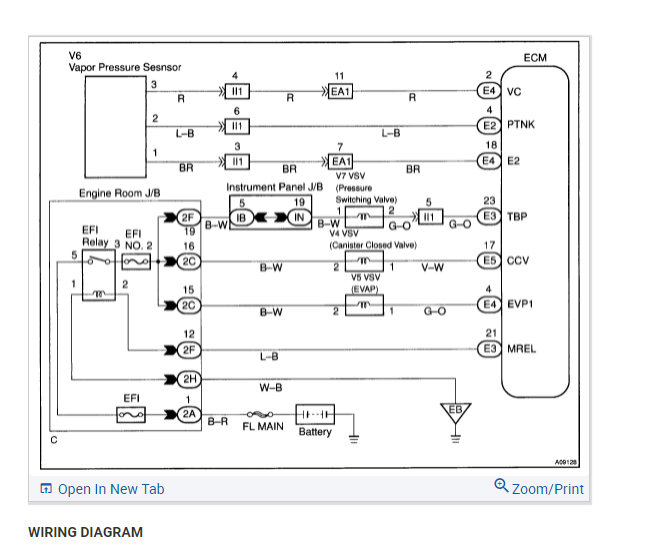
The misfire on cylinder 3 could be the cause of this but I would start with the P0440 because that would be the likely cause of what you are seeing with the rough idle.

However, if you happen to leave the fuel cap off then that may be an old code and not the issue. At which point we need to focus on the misfire.

https://www.2carpros.com/articles/engine-misfires-or-runs-rough

I am attaching all the info below on this code and what testing we need to run through in order to find out if this is the issue.

Please run through this material and let us know if you have other questions. Thanks
Was this
answer
helpful?
Yes
No
Saturday, September 11th, 2021 AT 5:53 PM

Please login or register to post a reply.