Code U0101, will not start

Tiny
BRAMLETT420
  • MEMBER
  • 2010 NISSAN PATHFINDER
  • 4.0L
  • 6 CYL
  • 2WD
  • AUTOMATIC
  • 261,000 MILES
My coolant mixed with my transmission. Did a manual flush on both transmission and radiator. Now won't start. Says lost communication to TCM. How can I check to see if it's corrosion or what do I do?
Friday, July 30th, 2021 AT 1:19 PM

15 Replies

Tiny
JACOBANDNICKOLAS
  • MECHANIC
  • 110,192 POSTS
When you try to start the engine, does the starter engage or does nothing happen? The code you have indicated a breakdown in communication between the PCM and TCM.

If you look at pic 1 below, it shows possible causes.

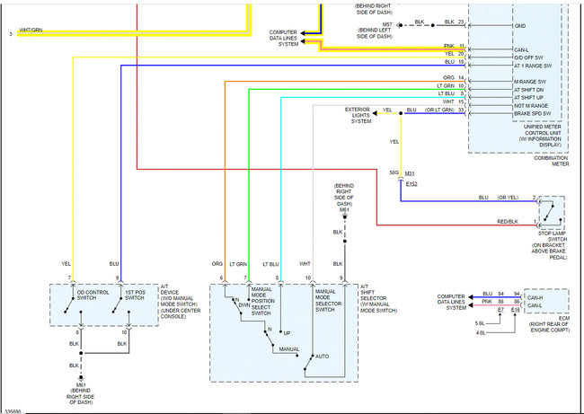
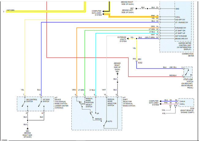
Pics 2-5 are of the TCM wiring. I highlighted CAN wiring and fuses I would like you to check. Also, I need to know if the starter is engaging. The next two pics show fuse locations. The last picture shows the wiring systems that could be related to the transmission. I need you to see if when the key is in the run position if the gear indicator is correct. It could be wiring from the range sensor which is indicated in the last pic.

The wiring schematic was two pages. However, I had to cut them in half to make them readable for you. I overlapped them so you can follow from one to the next.

Let me know what you find or if you have other questions.

Joe

See pics below.
Was this
answer
helpful?
Yes
No
Friday, July 30th, 2021 AT 9:46 PM
Tiny
BRAMLETT420
  • MEMBER
  • 10 POSTS
Okay, I'll try these all, thank you. I'll keep you posted. Really appreciate it. I'm from a small town of Clinton Arkansas and there's none here that knows a thing about it and I cannot afford to pay to have it checked professionally. Being a 33 year old mother of 4 it's hard making it out here.
Was this
answer
helpful?
Yes
No
Saturday, July 31st, 2021 AT 3:33 PM
Tiny
BRAMLETT420
  • MEMBER
  • 10 POSTS
Also, no the starter is not engaging just hearing a clicking. I've checked the a/t fuse thinking that maybe the TCM shorted out because of the goop in coolant but the fuse isn't blown.
Was this
answer
helpful?
Yes
No
Saturday, July 31st, 2021 AT 3:35 PM
Tiny
BRAMLETT420
  • MEMBER
  • 10 POSTS
This is my fuse box, doesn't look like your here. Or I'm just too "not smart" to get it, lol.
Was this
answer
helpful?
Yes
No
+1
Saturday, July 31st, 2021 AT 3:50 PM
Tiny
BRAMLETT420
  • MEMBER
  • 10 POSTS
Also it's a Pathfinder fe+ if that makes a difference.
Was this
answer
helpful?
Yes
No
Saturday, July 31st, 2021 AT 4:13 PM
Tiny
JACOBANDNICKOLAS
  • MECHANIC
  • 110,192 POSTS
Hi,

It sounds like you have your hands full. I'll try my best to help. Also, you are always welcome on this site. We will always try to help.

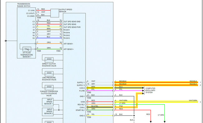
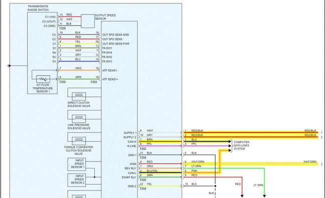
Since the starter doesn't work, let's start at the beginning. First, I attached the starting system schematic below. I cut it in half but overlapped it so you can follow from one to the next.

In the fusible link box (near the battery), locate fusible link J. See pic 3. I need to confirm power to and from it. If you look at the wiring schematic, not it powers the ignition switch. From there power goes through fuses and relays (tied into the CAN). Check those fuses as well.

If that is all good, I need you to confirm if the shift indicator is working indicating what gear the vehicle is in. For example, P, R, N, D.

If that is working, I need you to go to the starter. You will need a helper for this. On the starter, there will be a larger wire straight from the battery which should have 12v at all times. There will be a smaller wire which is white. The white wire should only receive 12v when the key is in the start position. Have your helper turn the key to the start position while you check for power at the white wire. Here is a link that may help you:

https://www.2carpros.com/articles/starter-not-working-repair

Also, let me know where you hear the click noise. Is it from the starter or the relay/fuse box? One last thing. Carefully confirm power on the larger wire to the starter. It should be black/red in color. Remember, that is hot at all times, so don't short it. You can use a test light for checking.

Let me know.

Joe

See pics below.

Was this
answer
helpful?
Yes
No
+1
Saturday, July 31st, 2021 AT 8:36 PM
Tiny
BRAMLETT420
  • MEMBER
  • 10 POSTS
We checked the fuses they are okay. We checked the large wire on starter it had power but no power from the smaller white wire. We tried to jump across them and the starter would turn over but the engine would not. It tries to but doesn't. Does that mean there's a breakdown in there somewhere? I have someone that's going to study the wiring you sent me and see if he can figure out what it may be. He's a mechanic but not a foreign mechanic. He don't know a lot about Nissan but a lot about basic things. Thank you for very much for all your help. And any other guidance you can give me is greatly appreciated also.
Was this
answer
helpful?
Yes
No
Sunday, August 1st, 2021 AT 3:30 PM
Tiny
JACOBANDNICKOLAS
  • MECHANIC
  • 110,192 POSTS
Hi,

You are very welcome. I will try to help from my end as well. By jumping the starter like that, you confirmed the starter is good. By checking the white wire, you determine there is a break down between the starter and the electrical system.

Since the code is related to the TCM, did you check to see if the gear indicator is working? Have you tried to see if it will start in neutral?

Let me know.

Joe
Was this
answer
helpful?
Yes
No
Sunday, August 1st, 2021 AT 6:18 PM
Tiny
BRAMLETT420
  • MEMBER
  • 10 POSTS
Yes, I've tried to start it in neutral. Last night we found the other fuse box in my glove box and wiggled the box a little he said and it started, but couldn't get it to do it again. Didn't mess with it much after that. I'm going to check those fuses again. Someone has put 2 straight wires into two fuses, didn't see what they were. But I wasn't worried about that since my car ran before like that. I'll keep you updated and thank you very much again.
Was this
answer
helpful?
Yes
No
Monday, August 2nd, 2021 AT 8:24 AM
Tiny
BRAMLETT420
  • MEMBER
  • 10 POSTS
Oh, and with the key on it doesn't show any of my gears. I'll send a picture when I get to the car.
Was this
answer
helpful?
Yes
No
Monday, August 2nd, 2021 AT 8:33 AM
Tiny
JACOBANDNICKOLAS
  • MECHANIC
  • 110,192 POSTS
Hi,

First, let me know which fuses were replaced with a wire. That is very dangerous. It can lead to a fire. We need to get the correct amperage fuse in there.

If you have no gear indication lights, something is happening with the transmission range sensor.

I attached pics of the three fuses I'm most concerned with. Pic 2 shows the location in the box. Please make sure they are good. Also, make sure there is power to and from them. If these are ones with a wire placed in them and not a fuse, there is a chance the transmission control module was damaged.

Let me know what you find or if you have other questions.

Take care,

Joe

See pics below.
Was this
answer
helpful?
Yes
No
Monday, August 2nd, 2021 AT 7:10 PM
Tiny
BRAMLETT420
  • MEMBER
  • 10 POSTS
There is still a fuse where the wires are, it's just stuck in on top of the wire. I'm not at the car at the moment until this afternoon. But I tried the ones under the compartment and almost all of them didn't work. Do you have a diagram of the fuse panel in my glove box and I can show you which ones worked? Thank you again.
Was this
answer
helpful?
Yes
No
Tuesday, August 3rd, 2021 AT 9:51 AM
Tiny
JACOBANDNICKOLAS
  • MECHANIC
  • 110,192 POSTS
Hi,

The fuse box above should be the one in the glove box. Also, do you mean that only one side of the terminal on the fuse has the wire? We don't want the wire to jump from terminal to terminal.

I have all the power distribution schematics, but I don't think that's what you are asking for. Let me know.

Joe
Was this
answer
helpful?
Yes
No
Tuesday, August 3rd, 2021 AT 7:58 PM
Tiny
BRAMLETT420
  • MEMBER
  • 10 POSTS
Okay, we finally got my car to start by pulling the power fuse under the hood. It was blown. I'm still not getting power to the both of the starter fuses or the eng. Cont. Unit and also the two rr HVAC fuses. And the wire are put in the mirror section and the airbag section. Also the fuse box under the hood has from f7-f14 I believe isn't getting power. What can be causing this. I figure that's why my tcm is coming back because it's not receiving signal. Thank you for all your help. Any ideas?
Was this
answer
helpful?
Yes
No
Wednesday, August 4th, 2021 AT 5:14 AM
Tiny
JACOBANDNICKOLAS
  • MECHANIC
  • 110,192 POSTS
Hi,

I'm glad to hear you got it running. As far as the power loss to specific fuses, chances are there is an upstream fuse that is bad. If that isn't the case, then there has to be an open circuit at some point or something preventing the flow of power.

I attached the entire power distribution schematics below. I cut them in half so you can read them, but I overlapped them so you can follow from one to the next.

Locate the fuse you are having trouble with and then follow the wiring back to locate where it originates. If you have trouble or questions, let me know.

Here is a link you may find helpful:

https://www.2carpros.com/articles/how-to-check-wiring

Let me know.

Take care,
Joe

See pics below.
Was this
answer
helpful?
Yes
No
Wednesday, August 4th, 2021 AT 9:16 PM

Please login or register to post a reply.