Codes p01518, 1516, 2108, 0220 0120 and U0107

Tiny
JACOBANDNICKOLAS
  • MECHANIC
  • 110,192 POSTS
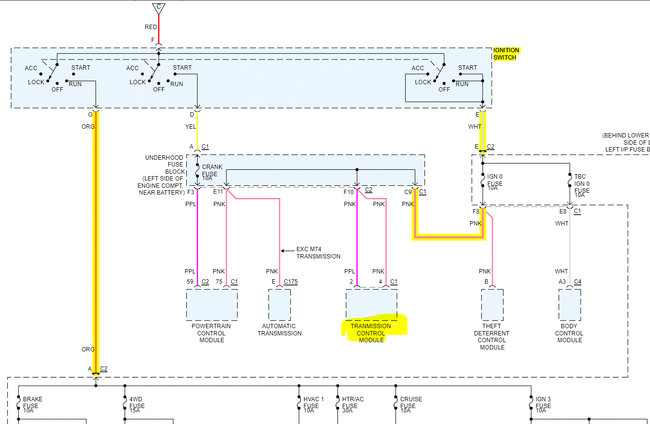
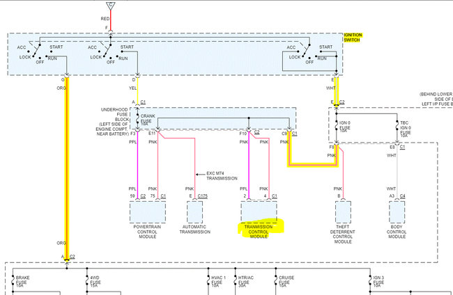
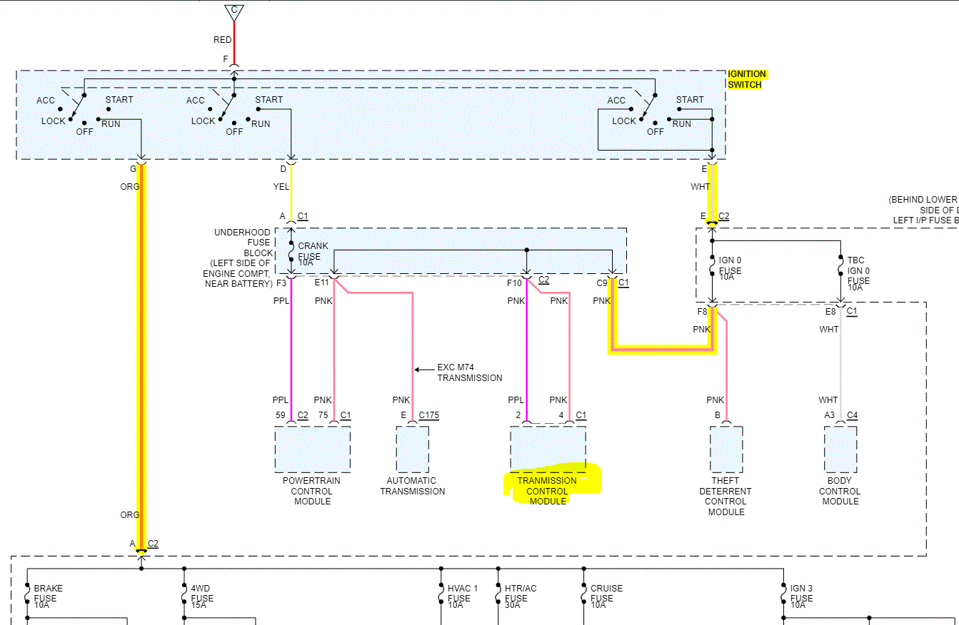
At the ignition switch, a white runs from the switch to the ignition 0 fuse. From there, it sends power to both the PCM and TCM. See pic 1 below. Check to see if there are any issues with power getting to its destination.

Let me know.

Joe

See pic below.
Was this
answer
helpful?
Yes
No
+1
Wednesday, January 26th, 2022 AT 4:14 PM
Tiny
LOUIS W NAGY
  • MEMBER
  • 55 POSTS
Okay, thanks.
Was this
answer
helpful?
Yes
No
Wednesday, January 26th, 2022 AT 7:23 PM
Tiny
JACOBANDNICKOLAS
  • MECHANIC
  • 110,192 POSTS
Hi,

I haven't heard from you for a couple of days. I was thinking of what you're dealing with and wondering if you have been able to make any progress. Just interested in knowing.

Regardless, I hope all is well. If you get a chance, let me know.

Take care,

Joe
Was this
answer
helpful?
Yes
No
+1
Saturday, January 29th, 2022 AT 12:45 PM
Tiny
LOUIS W NAGY
  • MEMBER
  • 55 POSTS
Hi Joe, did service on transmission and checked wiring going to solenoids, have not really found issue with switch yet. Going to drive and see what happens. I will update you later. Thanks
Was this
answer
helpful?
Yes
No
Monday, January 31st, 2022 AT 6:22 AM
Tiny
LOUIS W NAGY
  • MEMBER
  • 55 POSTS
Just odd that after driving for a while the switch acts normal, then after it sits it goes back to having to cycle the key to turn off.
Was this
answer
helpful?
Yes
No
Monday, January 31st, 2022 AT 6:27 AM
Tiny
LOUIS W NAGY
  • MEMBER
  • 55 POSTS
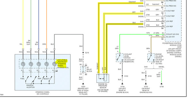
Also, do you have a schematic diagram for the low oil level display indicator? It’s popping up on dash and has an issue.
Was this
answer
helpful?
Yes
No
Monday, January 31st, 2022 AT 12:19 PM
Tiny
LOUIS W NAGY
  • MEMBER
  • 55 POSTS
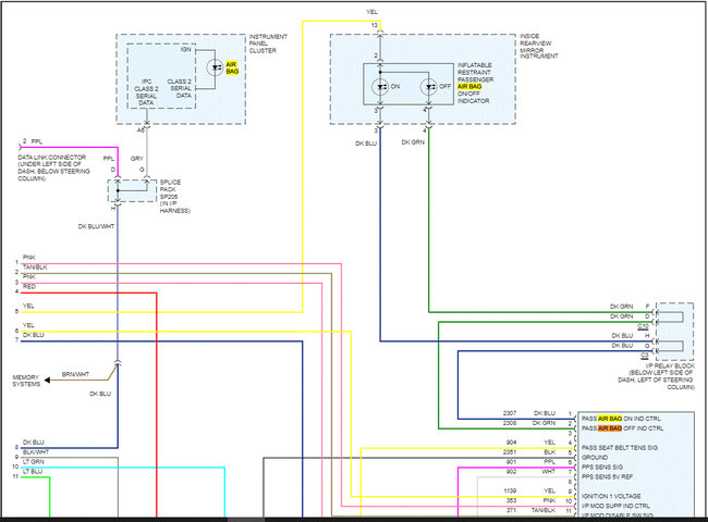
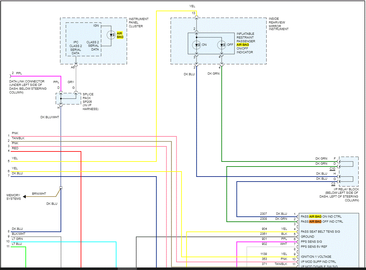
Also, do you have a diagram for airbags module it's coding up?
Was this
answer
helpful?
Yes
No
Monday, January 31st, 2022 AT 3:46 PM
Tiny
LOUIS W NAGY
  • MEMBER
  • 55 POSTS
It's a B1001 code, hoping it’s a bad connection.
Was this
answer
helpful?
Yes
No
Monday, January 31st, 2022 AT 3:47 PM
Tiny
JACOBANDNICKOLAS
  • MECHANIC
  • 110,192 POSTS
Hi,

I just sent an email related to cycling the switch to turn it off. I sent it to the site owner. Hopefully, he will have some ideas to help.

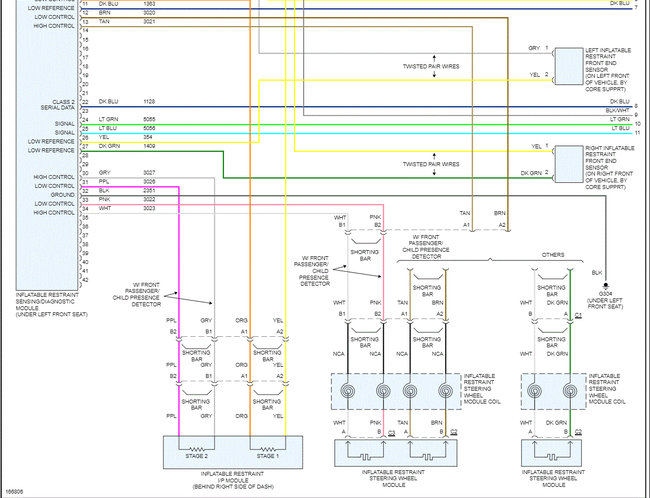
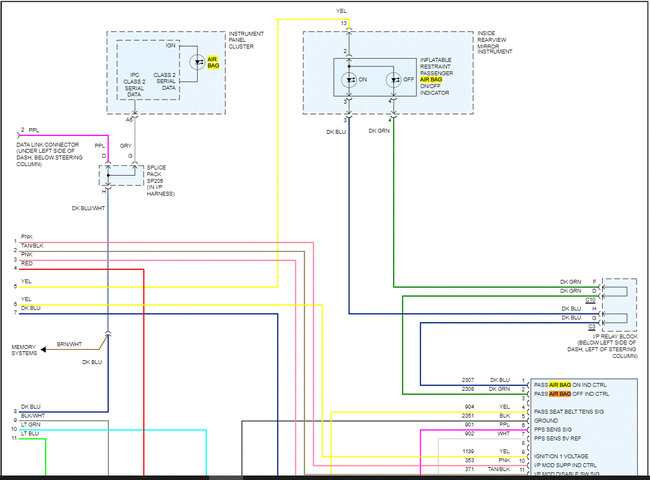
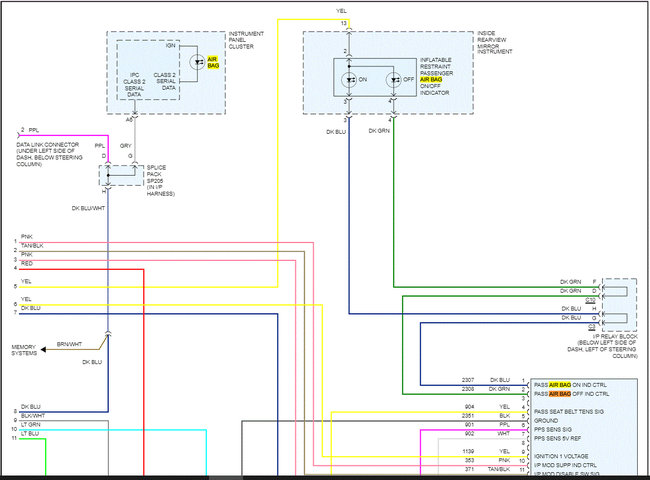
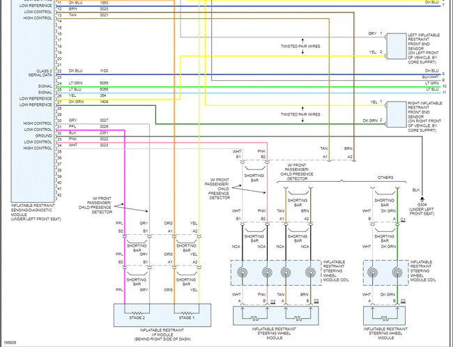
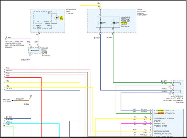
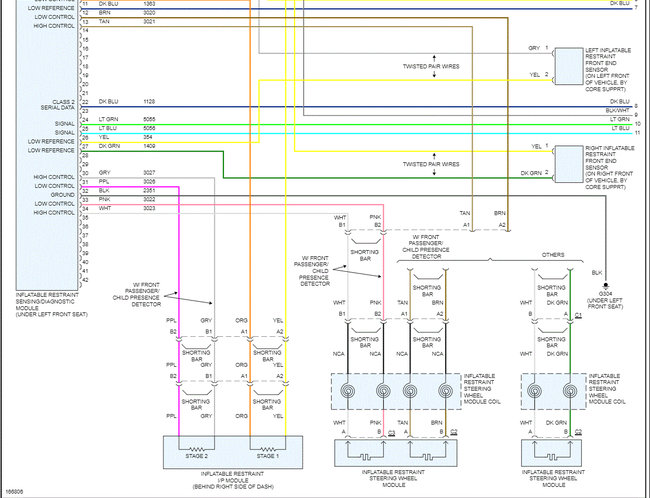
As far as your requests, here is what I did. Pics 1-3 are the diagnostics specific to the B1001. Pics 4-7 are the wiring schematics for the instrument panel, and oil pressure switch. The last 4 pics are of the restraint circuits.

I hope this helps.

Let me know what I can do to help.

Take care,

Joe
Was this
answer
helpful?
Yes
No
+1
Monday, January 31st, 2022 AT 5:47 PM
Tiny
LOUIS W NAGY
  • MEMBER
  • 55 POSTS
Thanks Joe. It really is odd that after it has been running for a while it turns off like it should, and if you turn the key off the dash lights flash interment and let it keep running you can disconnect switch and it will keep running. FYI
Was this
answer
helpful?
Yes
No
Tuesday, February 1st, 2022 AT 8:07 AM
Tiny
JACOBANDNICKOLAS
  • MECHANIC
  • 110,192 POSTS
Hi,

I spoke with Ken, and he is recommending having the can-bus scanned. By chance, do you know if any of the transmission codes are still active? (Or any other code)

When you think about it, as metal components warm, they expand. It's almost like when they expand, a connection is being made and it works normally. Since cycling the key eventually turns it off, I'm wondering if it is in the PCM or BCM. Ken indicated the same. That is why he would like you to scan the can system. Here is a link that shows how it's done. If you have already done this, let me know if there are codes and what they are.

https://www.2carpros.com/articles/can-scan-controller-area-network-easy

Also, you indicated the dash lights flash. Are you referring to the warning lights or the illumination lights (back lights)?

Let me know.

Joe
Was this
answer
helpful?
Yes
No
Tuesday, February 1st, 2022 AT 8:18 PM

Please login or register to post a reply.