Wednesday, February 9th, 2022 AT 7:45 PM
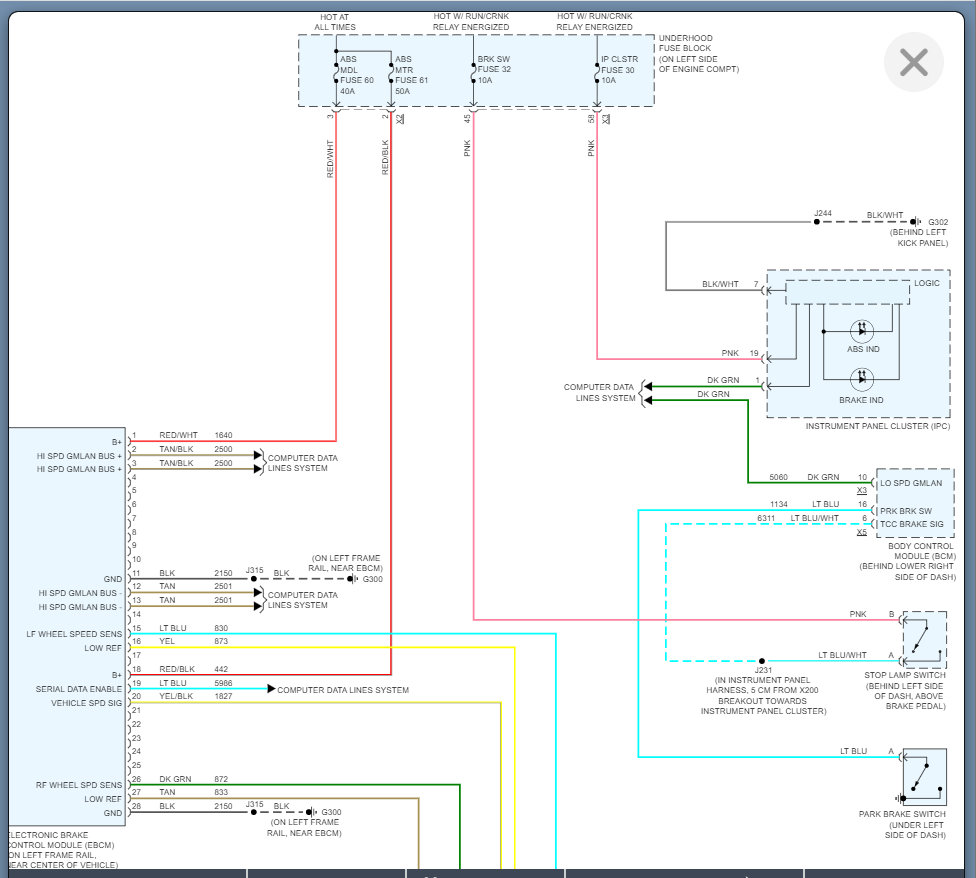
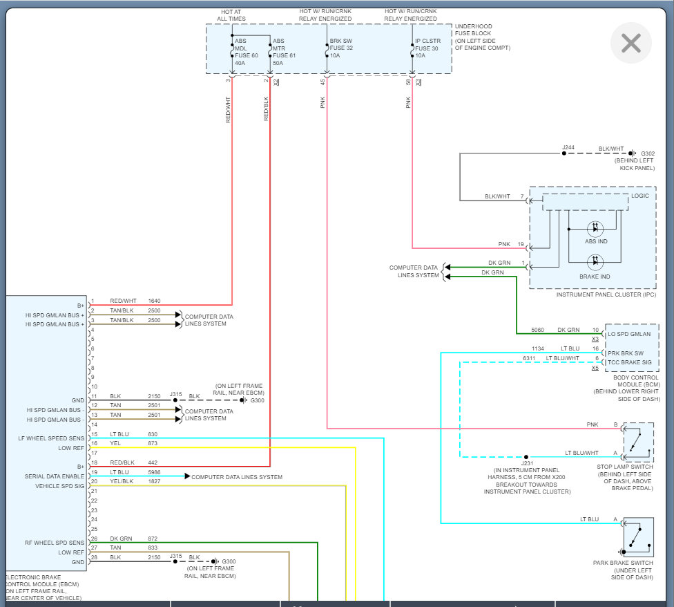
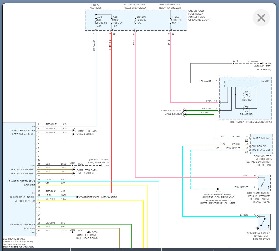
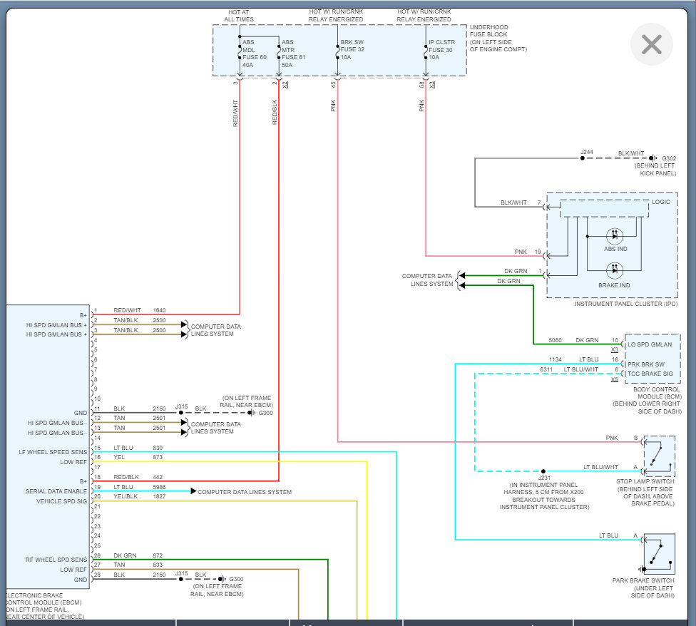
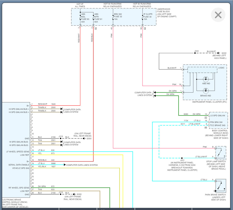
While driving the vehicle, the customer experienced the ABS and brake lights came on, vehicle started to drive very sluggishly. Limped home then towed to shop. Code indicates rear wheel speed sensor malfunction. Vehicle does not have rear wheel ABS nor speed sensors on rear wheels or on the pumpkin. On tech 2 rear wheel speed is erratic, spiking at times, fronts are stable. We replaced the ECBM and programmed to vehicle no change, replaced the transmission output sensor no change. Replaced the ECM no change. Running out of ideas?











