Code C1688, no start issue?

2015 KIA FORTE
147,987 MILES • 1.8L • 4 CYL • 2WD • AUTOMATIC
Avatar
LONEWOLF3
  • MEMBER
  • 1 POST
C1688 will not start just clicks. The battery is at 14.2 volts new battery. everything else works great but no start.
Nov 6, 2023 at 1:02 AM
Repair Safety Notice: This information is for general instructional purposes only. Vehicle repair can be dangerous. Verify all information, follow manufacturer service procedures, use proper tools and safety equipment, and consult a qualified repair shop when needed.
Advertisement
Avatar
STRAILER
  • CAR REPAIR CONTRIBUTOR
  • 54,209 POSTS
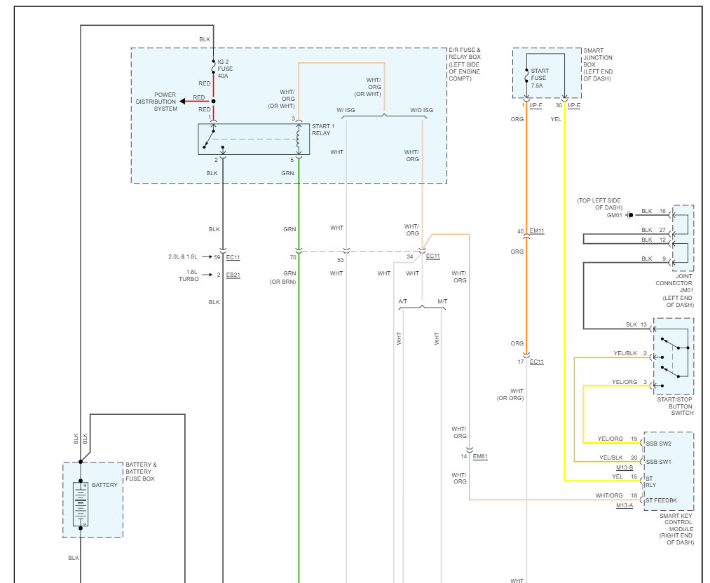
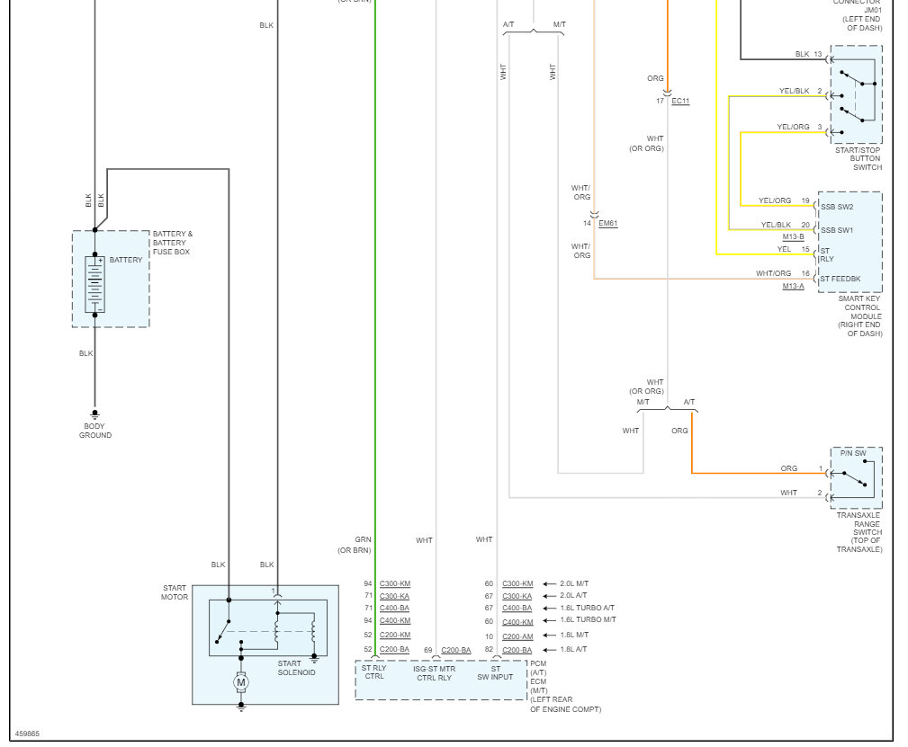
The code C1688 for a 2015 Kia Forte typically indicates a problem related to the vehicle's Electric Power Steering (EPS) system but you might have two problems, we will find out soon enough. The clicking noise sounds like the starter is out this guide can help us test the trigger wire (small black wire) for power when the engine is being cranked over.

https://www.2carpros.com/articles/starter-not-working-repair

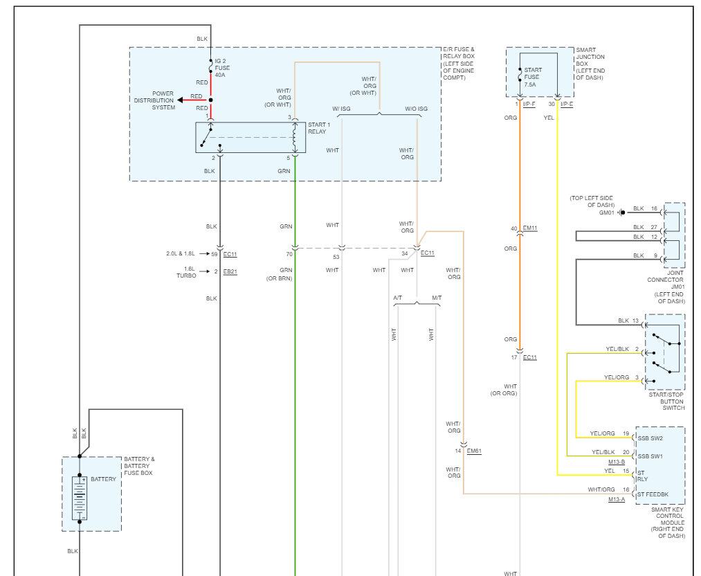
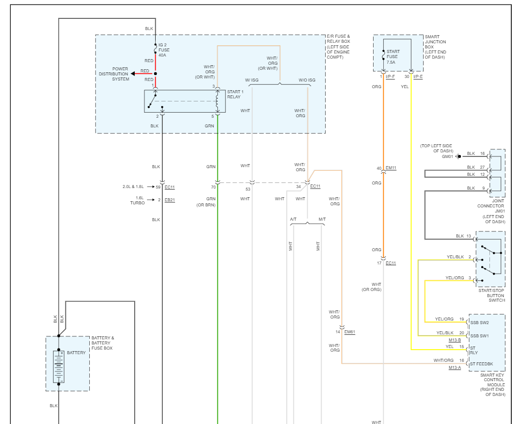
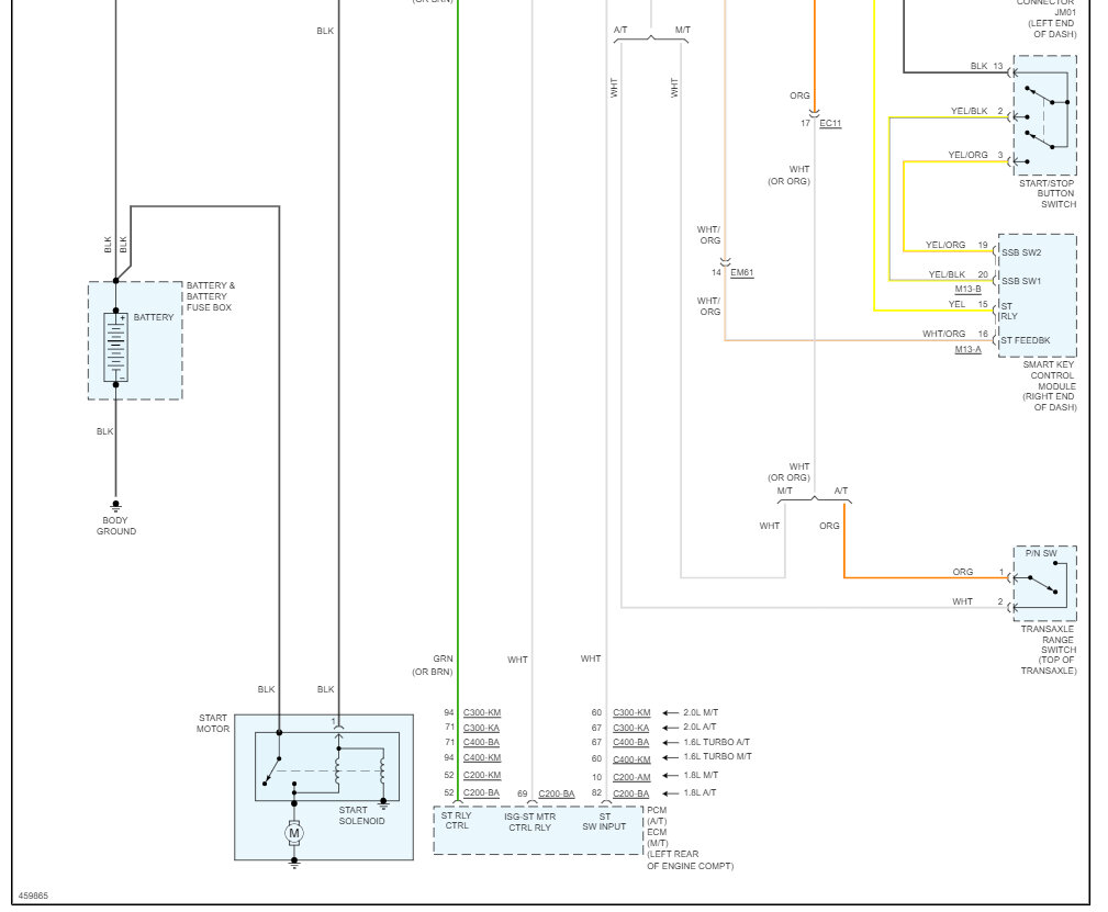
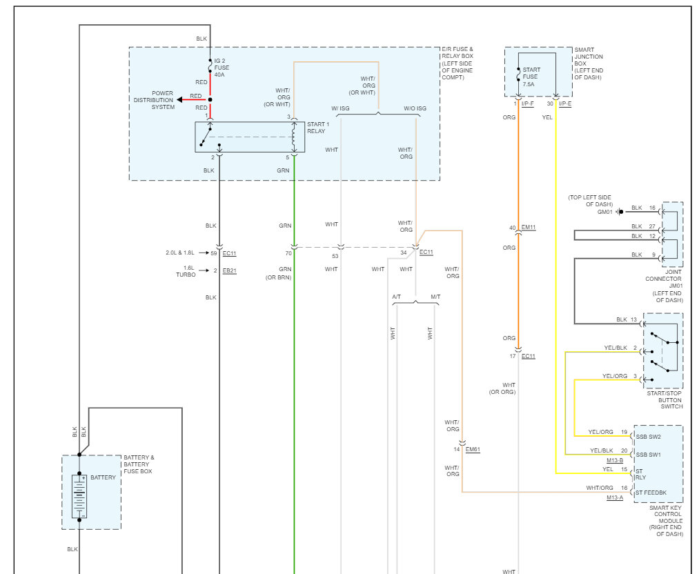
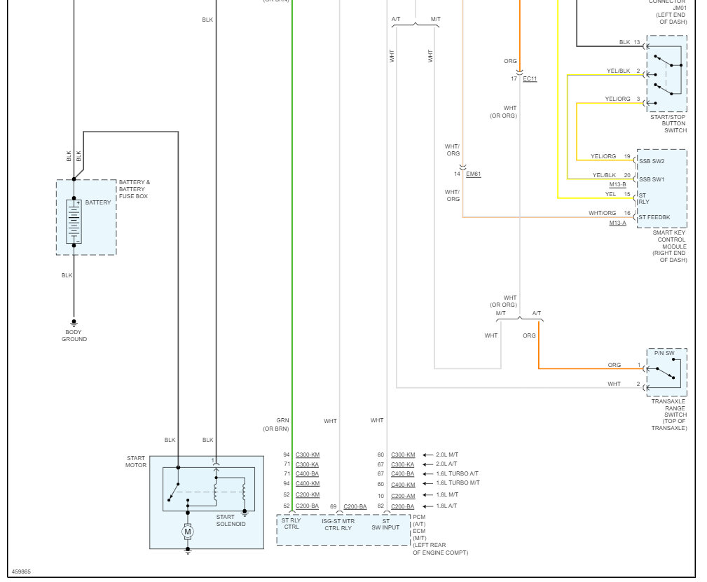
Here is the starter location and how to change it out in case the trigger wire is getting power. Also, will the engine crank over in neutral? Check out the images (below). Please let us know what happens. Here is the starter wiring diagrams as well so you can see how the system works.
Nov 6, 2023 at 5:05 PM
Advertisement
Avatar
LONEWOLF3
  • MEMBER
  • 1 POST
I will be checking on that tomorrow as I got your message a little late, but I found a blown fuse for my alternator on my positive battery terminals just got that part and will see that part tomorrow.
Nov 6, 2023 at 6:29 PM
Avatar
STRAILER
  • CAR REPAIR CONTRIBUTOR
  • 54,209 POSTS
Yep, replace any blown fuses and let me know what happens, we can get this problem fixed for you.
Nov 7, 2023 at 8:40 AM