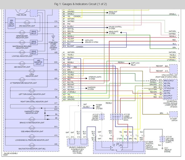
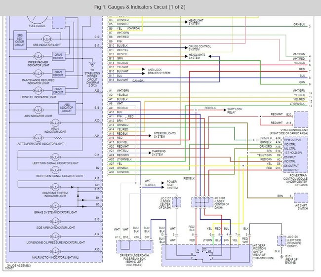
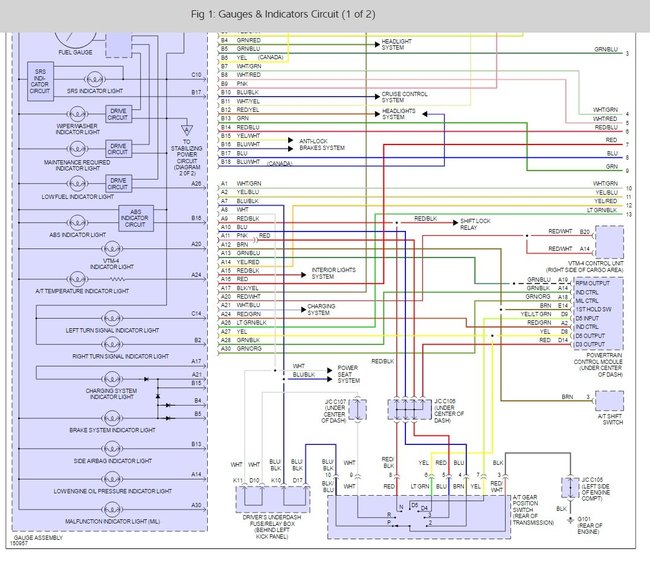
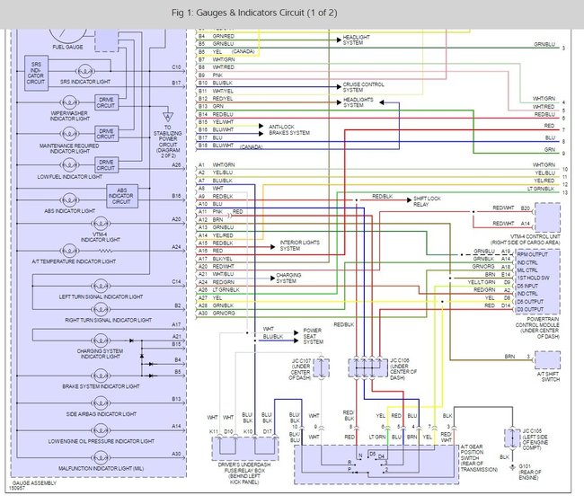
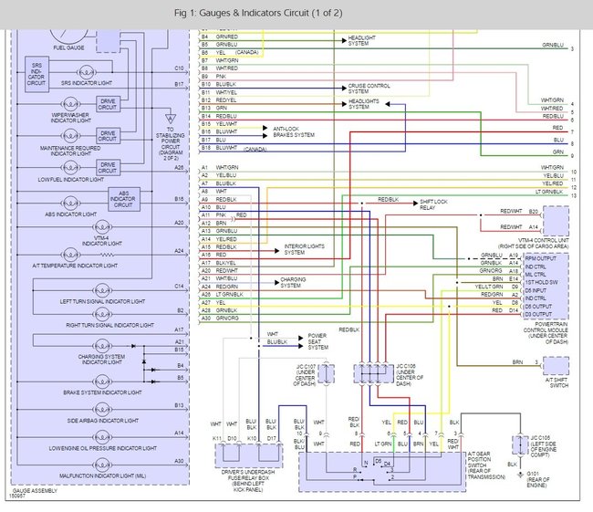
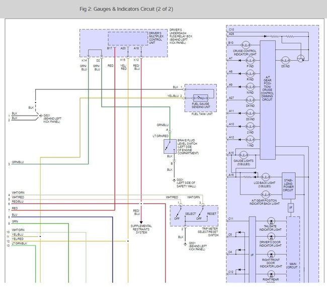
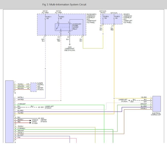
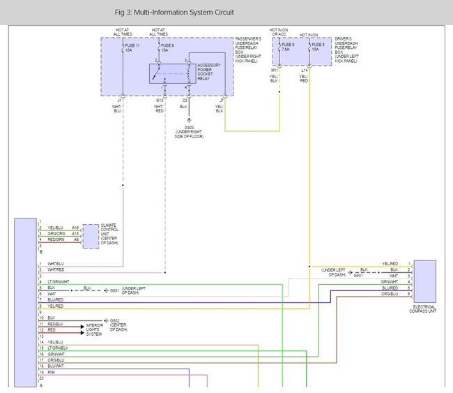
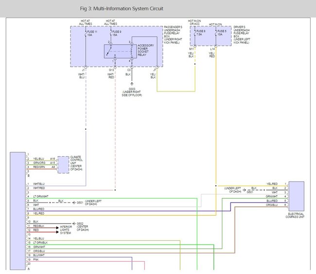
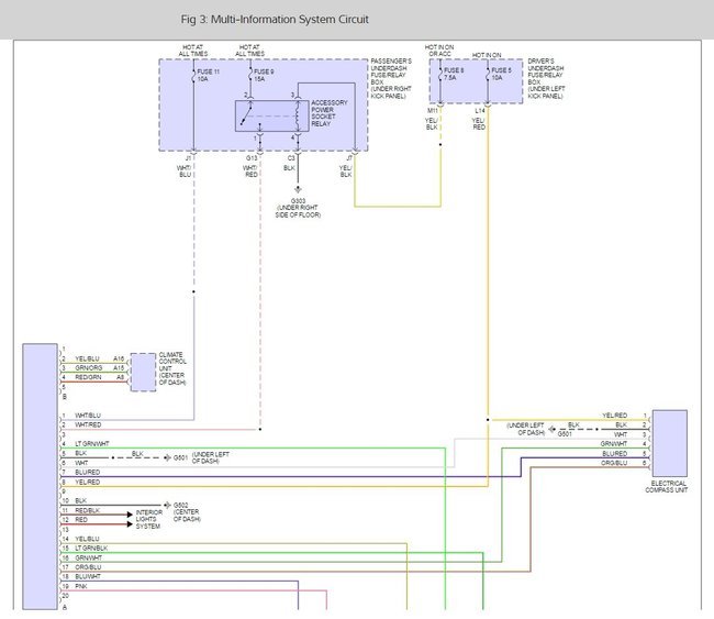
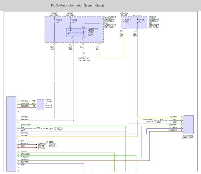
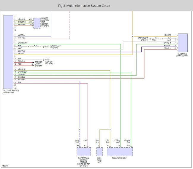
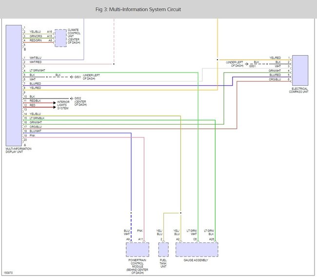
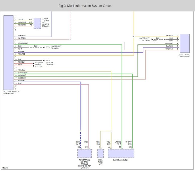
Monday, April 3rd, 2017 AT 12:05 PM
Cluster not working, checked all fuses and are good. All warning lights come on but no speedometer, tachometer, fuel gauge or temperature gauge.








