Thursday, October 18th, 2018 AT 3:38 PM
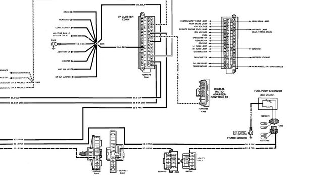
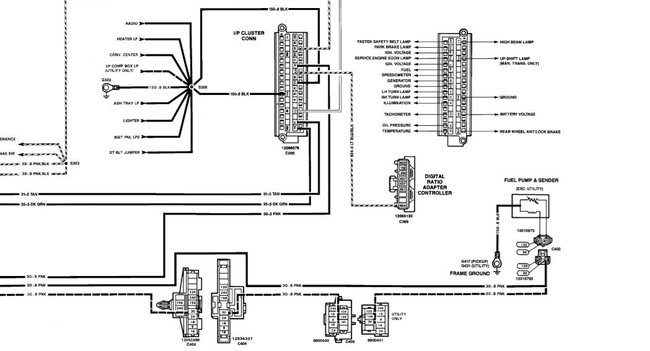
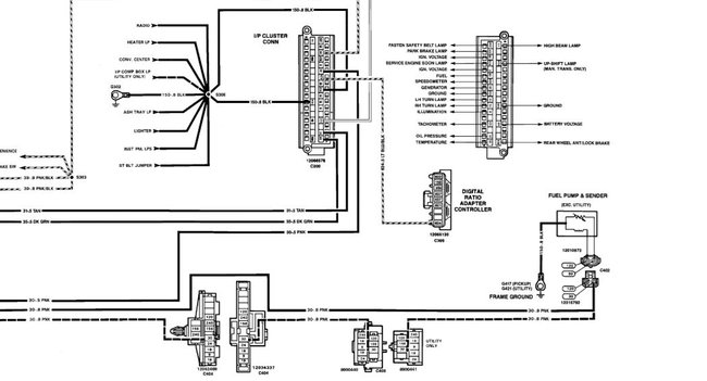
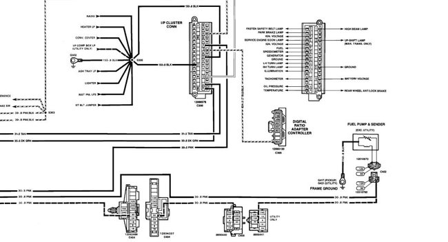
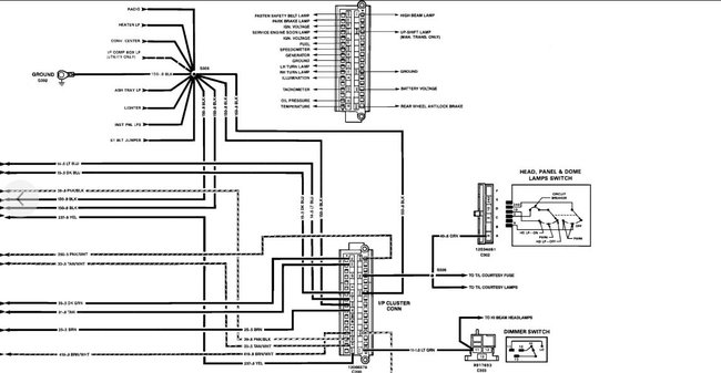
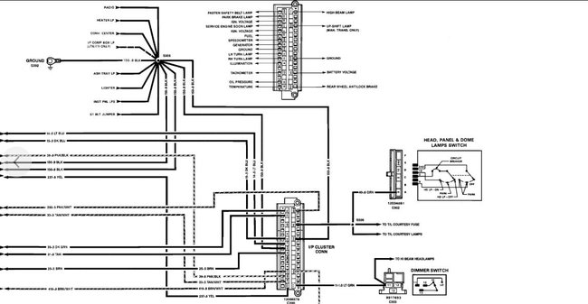
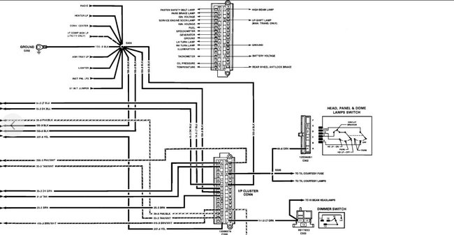
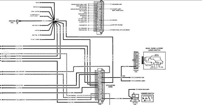
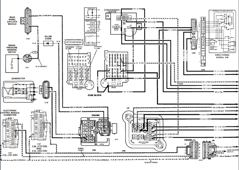
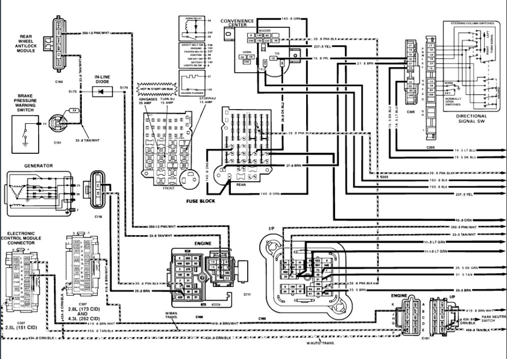
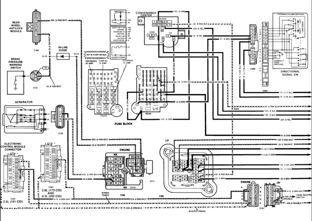
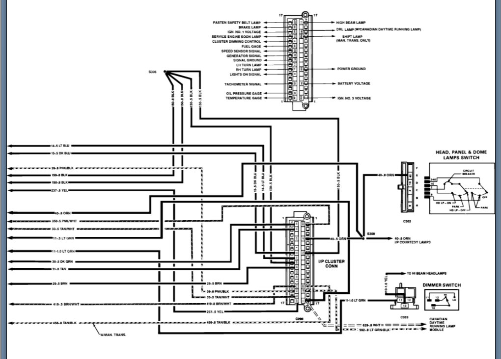
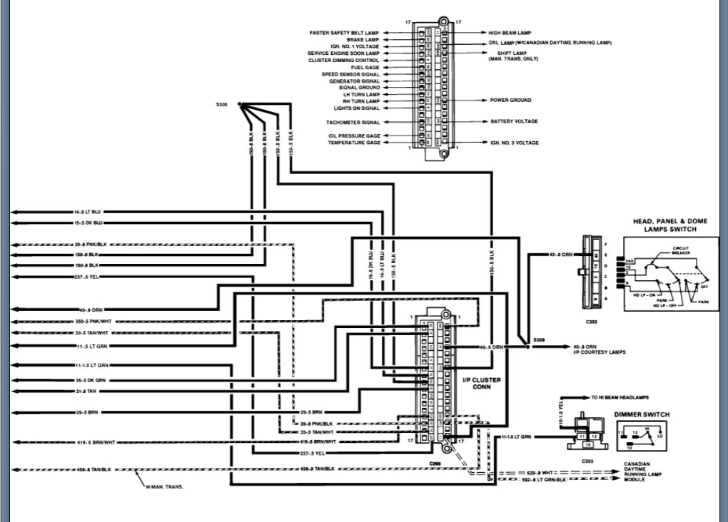
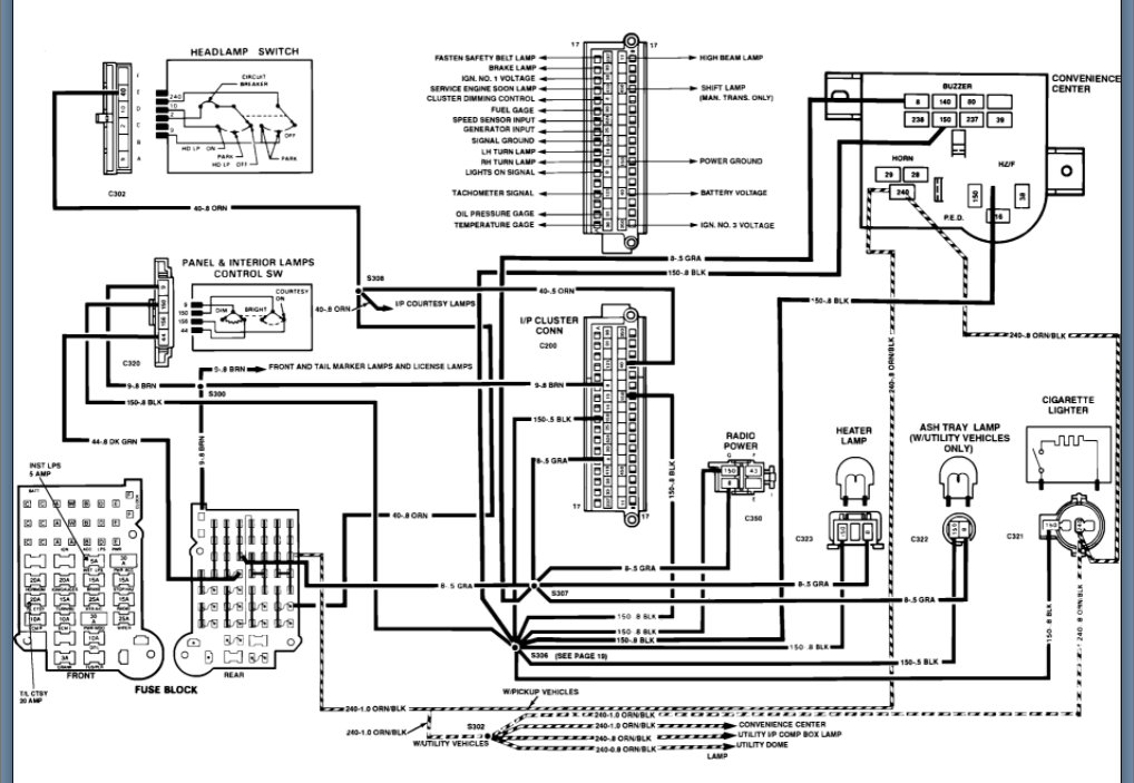
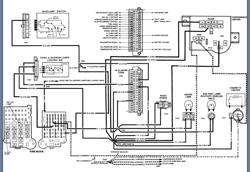
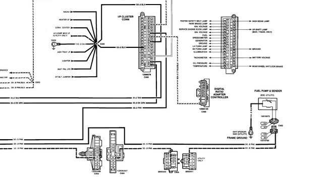
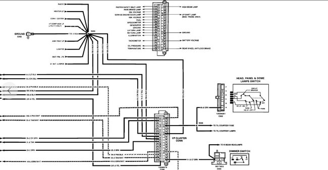
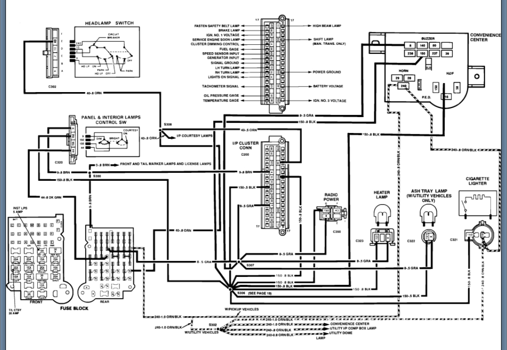
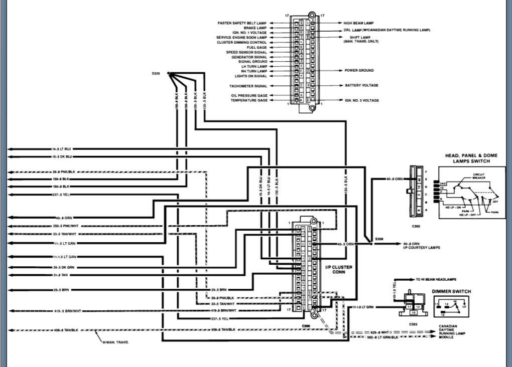
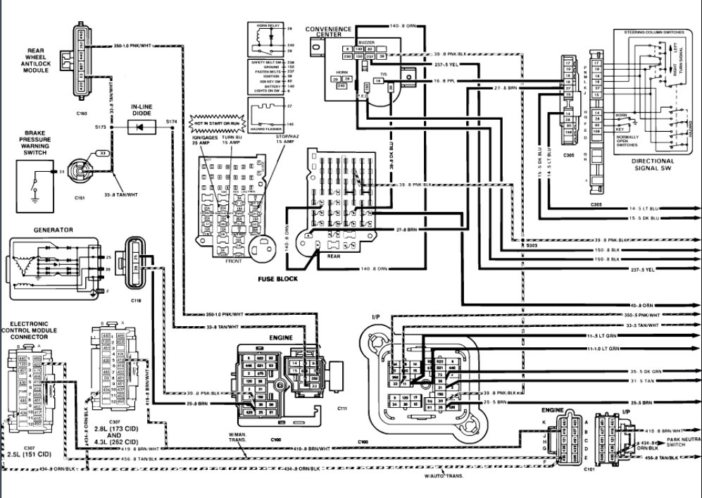
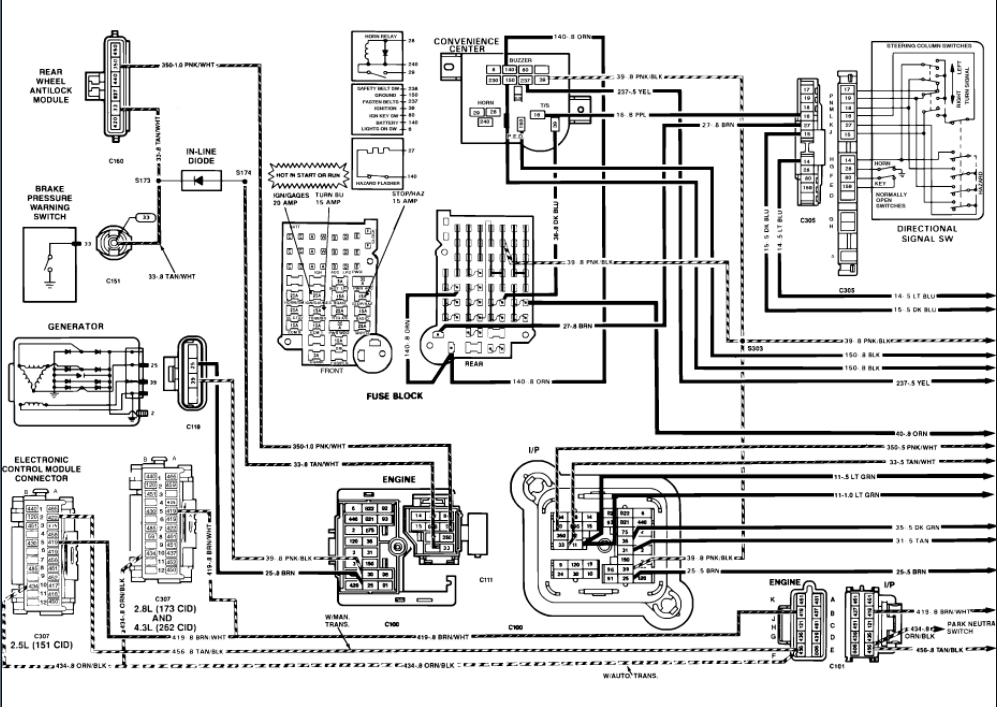
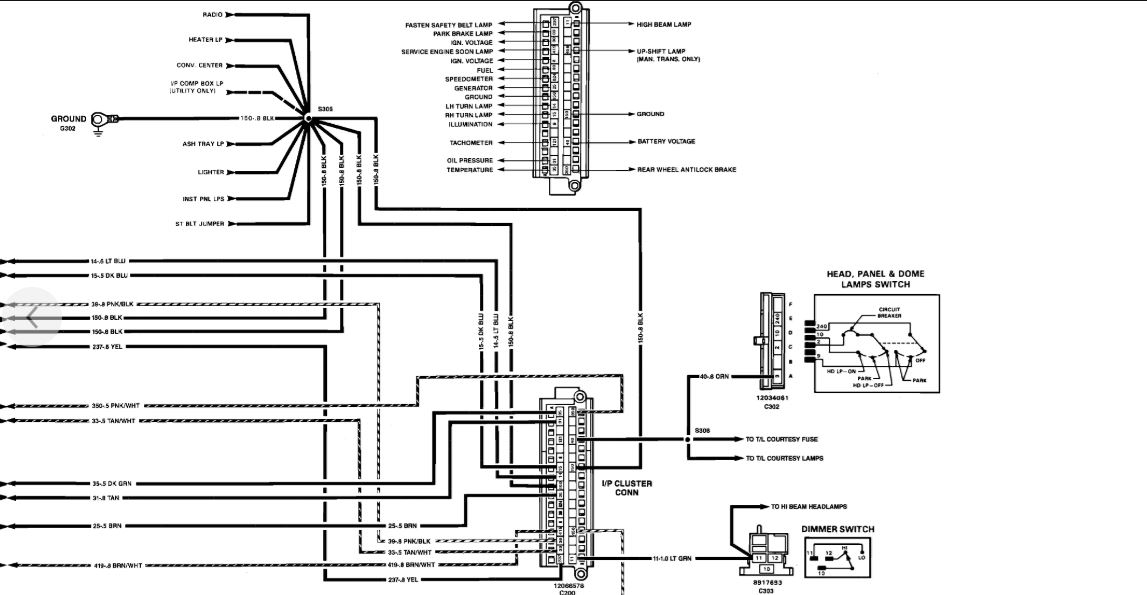
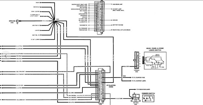
I converted from digital to analog and followed a diagram from Oregon university which also stated that you can essentially connect color to color on the change over. I ended up with "check gauges", e brake warning lights on without the ignition on. The fuel gauge is the only one that did not work. I removed the bulbs for the lights that were on and I am hoping someone has done the same conversion and can give me some idea what connections may be wrong and need changing.







