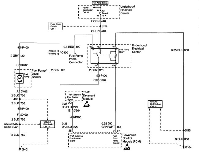
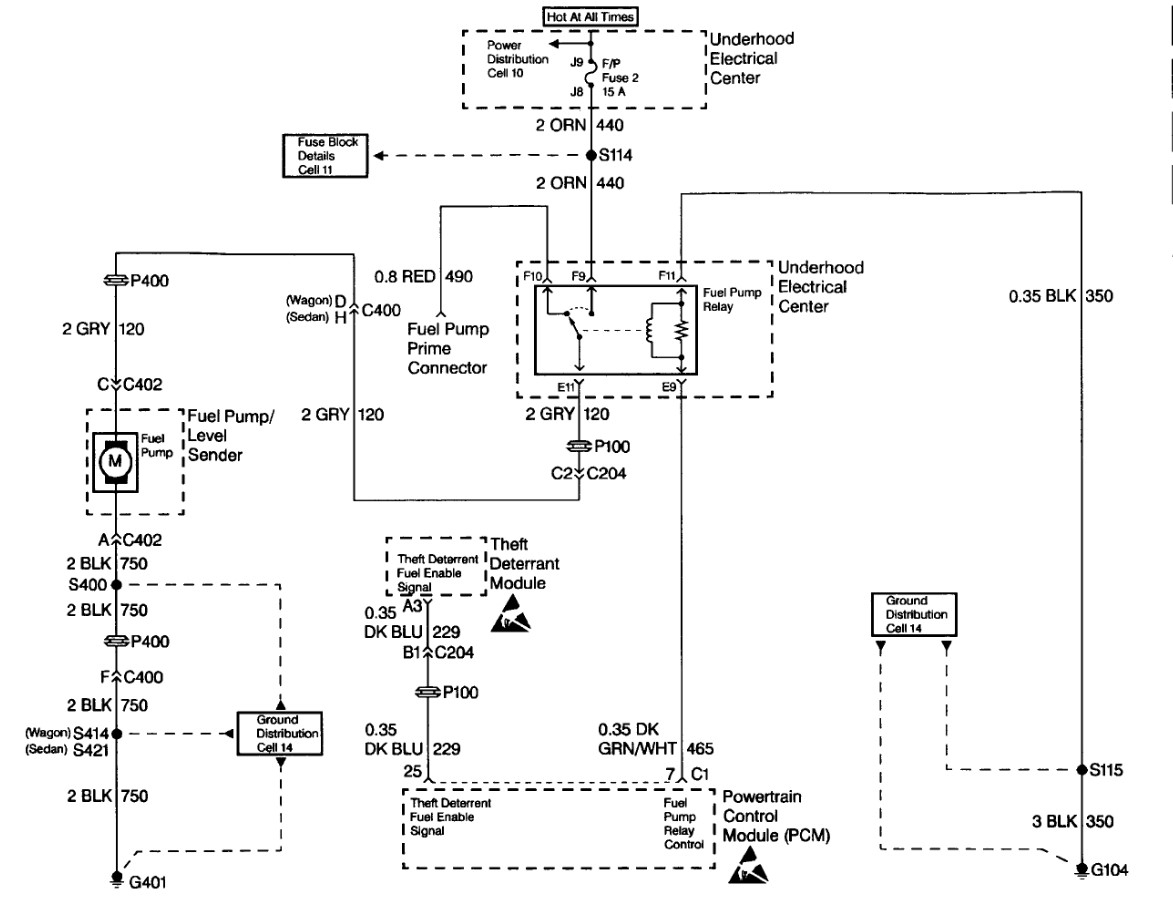
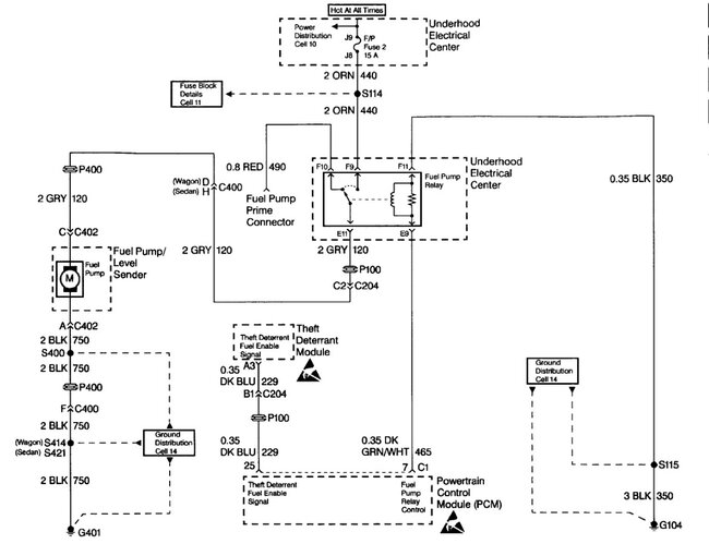
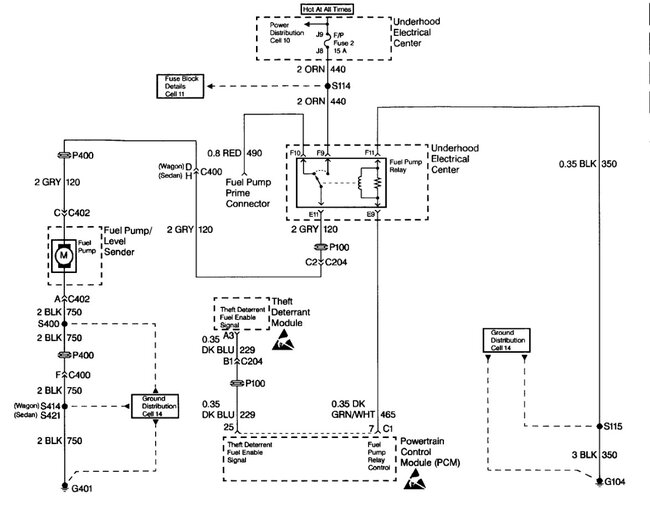
We confirmed we are getting good fuel pressure to the rail, and the injectors are getting power as well. My neighbor beat on the fuel rail with a rubber mallet while I turned the key and the engine started and ran a bit rough for a while until it evened out and idled fine. But as soon as you press the throttle it boggs down and dies. It won't start again without beating on the fuel rail with the rubber mallet.
I'm thinking either the fuel rail or injectors are clogged and banging on it loosens the gunk? What's the best way to clean the fuel system or should we just let it idle for a while and slowly pump the throttle a bit to loosen it up? Fuel treatments maybe?
Sunday, September 8th, 2024 AT 2:09 PM
